Foram encontradas 440 questões.
Os elementos de máquinas são cruciais para a funcionabilidade de equipamentos destinados à área da mecânica industrial. Eles podem estar presentes em aplicações que exigem transmissão de torque, potência ou fixação de peças ou componentes.
Em relação aos elementos de máquinas, pode-se afirmar que:
Provas
A gestão eficaz da manutenção é crucial para garantir a longevidade e a eficiência operacional de ativos em uma organização. Diferentes modelos para a gestão da manutenção abordam, de maneiras distintas, aspectos que envolvem a preservação do desempenho dos equipamentos, a otimização de custos e a minimização de riscos.
Indique qual é a principal vantagem de se adotar a manutenção preventiva no processo de planejamento e controle da manutenção em uma organização:
Provas
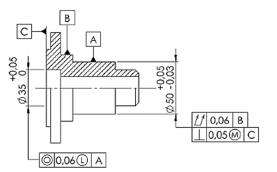
Dentre os diferentes aspectos que impactam a confiabilidade dos resultados de uma medição, um deles, de fundamental importância, é a adequada seleção do instrumento de medição, em função das características da grandeza a ser medida. Um operador precisa realizar a medição da cota especificada no desenho abaixo de ɸ 50 mm e afastamentos +0,05 e -0,03, em um lote de 50 peças, e decidir por sua conformidade à especificação. Indique qual das alternativas abaixo apresenta o instrumento de medição adequado para realizar a medição direta dessa cota dimensional, permitindo ao operador decidir pela aceitabilidade de cada uma das peças, com menor probabilidade de erros de decisão.

Fonte: https://olhonavaga.com.br/questoes/
questoes?id=43274&tc=1
Provas
Diversas propriedades mecânicas de um material submetido aos esforços de tração, tais como limite de resistência, limite de escoamento, módulo de elasticidade, entre outros, são determinadas a partir dos resultados de tensão e deformação específica, obtidos durante o ensaio de tração em um corpo de prova representativo do material em questão.
Considere o ensaio de tração realizado em um corpo de prova de seção circular de 100 mm2 de área de seção transversal, 40 mm de comprimento útil e 80 mm de comprimento total. Ao se aplicar uma força de tração de 48 000 N no corpo de prova, qual será o valor da tensão a que ele estará sendo submetido?
Provas
Juntamente com as tolerâncias dimensionais, a especificação e o controle das tolerâncias geométricas têm importante papel para a funcionalidade e intercambiabilidade de componentes mecânicos em que pequenas variações na forma ou na posição podem comprometer o desempenho, causar desgaste prematuro ou levar à falha do sistema.
Um operador precisa realizar a medição de um desvio de circularidade em uma peça cilíndrica utilizando um relógio comparador com resolução de 0,001 mm. A peça tem um diâmetro nominal de 100 mm e uma tolerância de circularidade de 0,005 mm. Um relógio comparador é montado em um suporte fixo, e a peça é girada lentamente em um torno para obter a leitura completa ao longo de todo o perímetro do cilindro.
Durante a medição, o operador obteve as seguintes leituras, em pontos distintos, ao longo do perímetro da peça (em milímetros):
• Ponto A: +0,004
• Ponto B: -0,002
• Ponto C: +0,003
• Ponto D: 0,000
• Ponto E: -0,001
• Ponto F: +0,002
• Ponto G: -0,003
• Ponto H: +0,001
Com base nas leituras fornecidas, qual é a conclusão correta sobre o desvio máximo de circularidade e a conformidade da peça?

Fonte: IFSP, 2024.
Provas
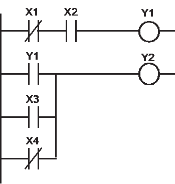
Um engenheiro de automação está programando um Controlador Lógico Programável (CLP) para gerenciar o controle de um sistema de esteiras em uma fábrica. O CLP é programado utilizando a linguagem Ladder para garantir que as esteiras operem de maneira segura. A figura abaixo mostra um diagrama Ladder utilizado para acionar duas saídas, esteira 1 (Y1) e esteira 2 (Y2), com base nas entradas X1, X2, X3 e X4.

Fonte: IFSP, 2024
Com base no diagrama apresentado, analise as seguintes afirmativas:
I. Se a entrada X1 estiver desacionada, a esteira 1 será acionada, independentemente do estado de X2.
II. A esteira 2 será acionada se X3 e X4 forem acionadas.
III. Se todas as entradas estiverem desacionadas, a esteira 2 será acionada.
Quais afirmativas estão corretas?
Provas
Memórias são dispositivos utilizados para armazenar informações tais como números, letras, endereços e instruções em forma de sinais digitais por períodos curtos ou longos. A grande vantagem dos sistemas digitais sobre os analógicos é a habilidade de armazenar grandes quantidades de informações digitais. Embora distingam-se pela sua operação interna, as memórias têm princípios básicos de operação comuns. Seja uma memória de 32 x 4 que armazena 32 palavras de 4 bits, quais as condições em cada entrada e saída quando a palavra de dados 0111 estiver sendo escrita no endereço 01100?
Provas
O transistor é um dos componentes eletrônicos mais importantes e comumente utilizados em televisores, rádios, chips de computadores, circuitos integrados e dispositivos móveis. As funções principais de um transistor são: amplificação de um sinal de corrente e tensão elétrica, gerando sinais de saída bem maiores em relação àqueles de entrada, e chaveamento, controlando o fluxo de corrente, atuando no circuito como uma chave liga/desliga. Seja o circuito de polarização fixa com o transistor abaixo.
Dado que VCC = 16 V, RB = 765 kΩ, RC = 2,2 kΩ, C1 = C2 = 10 μF e β = 200, determine o valor de VCB.

Fonte: IFSP, 2024.
Provas
Em uma cafeteira elétrica, um sinal de parada X é gerado para interromper a operação na cafeteira e para acionar luz indicadora de multifunções, sempre que uma das condições a seguir ocorrer:
• Pouca água ou falta dela no reservatório e alavanca aberta.
• Água suficiente no reservatório, cápsula inadequada e alavanca aberta.
O nível de água no reservatório apresenta nível lógico 1, se houver água suficiente no reservatório, e nível lógico 0, se houver pouca água ou falta dela no reservatório. O compartimento de cápsulas apresenta nível lógico 1 para a presença de cápsula e nível 0 para a falta de cápsula, para cápsula inadequada ou mal encaixada. A alavanca de abertura do compartimento de cápsulas apresenta nível lógico 1, se estiver fechada, e nível lógico 0, se estiver levantada.
Projete um circuito lógico que gere uma saída X em nível ALTO para as condições acima estabelecidas:
Provas
Um determinado processo industrial pode ser modelado através de um sistema linear em diagrama em blocos representado na figura. Em uma situação na qual o ganho do controlador seja ajustado em K = 1, indique a alternativa que apresenta corretamente os polos de malha fechada e a classificação do sistema quanto a sua estabilidade, respectivamente.

Fonte: IFSP, 2024.
Provas
Caderno Container