Foram encontradas 440 questões.
Considere os aspectos teóricos de Harold Bloom sobre a influência e a tradição literária e de Mikhail Bakhtin sobre a recepção e a historicidade dos textos e responda à questão:
Bloom (1994) discute como os autores e suas obras dialogam com as tradições literárias e com o público ao longo do tempo, enquanto Bakhtin (1997) enfatiza a importância da historicidade e da recepção dos textos na compreensão de sua relevância cultural e estética.
BLOOM, Harold. O Cânone Ocidental: Os Livros e o
Legado da Literatura. Rio de Janeiro:
Editora Record, 1994.
BAKHTIN, Mikhail. Estética da criação verbal.
2ª ed. São Paulo: Martins Fontes, 1997.
No exemplo do trecho abaixo, qual alternativa melhor elucida a importância e o impacto da historicidade dos textos e o diálogo entre obras e contextos históricos para a prática da leitura literária?
Os romances de Machado de Assis, produzidos no final do século XIX, refletiam as tensões sociais e políticas do Brasil Imperial. A circulação dessas obras nas livrarias e a recepção crítica da época mostram um diálogo constante entre a literatura e o contexto histórico, revelando a habilidade do autor em manter elementos da tradição literária enquanto rompe com convenções estéticas estabelecidas.
Provas
Leia o excerto adaptado de Marcuschi (2000) a seguir:
Considerada a ideia de que a língua é muito mais um conjunto de práticas discursivas do que apenas uma série de regras ou um sistema de formas simbólicas, podemos pensá-la como prática social, que se manifesta e funciona em dois modos fundamentais: como atividade oral e como atividade escrita.
Com a expressão “fala”, designamos as formas orais do ponto de vista do material linguístico e de sua realização textual-discursiva. O mesmo acontece com a expressão “escrita”, usada para designar o material linguístico da escrita, ou seja, as formas de textualização na escrita.
Em última instância, são dois modos de representação da mesma língua, embora cada um dos dois modos tenha uma história própria.
Analisando o excerto acima e sua formação no curso de licenciatura, em disciplinas da área de língua e de linguística, é correto afirmar, na relação entre variedades, usos, língua oral e língua escrita, que:
Provas
Said Ali (2001), ao estudar aspectos da sintaxe da Língua Portuguesa, examina, entre outras diversas categorias do verbo, as funções que os tempos – presente, passado e futuro – assumem na construção dos sentidos dos enunciados, o que intervém diretamente nos processos de compreensão e de produção dos textos. Ao tratar do presente, no indicativo, o autor observa que o seu uso remete a uma ação que se passa durante o tempo – breve ou longo – em que se discorre sobre um assunto, mas não limitado ao instante fugaz da realização do enunciado. Noutros termos: “não haveria enunciado sem a cognição e portanto sem a preexistência do fato; e, por outra parte, terminado o enunciado verbal, para o qual bastou um só segundo, o fato nem por isso deixará de perdurar ainda algum tempo” (SAID ALI, 2001, p. 310). Diante dessa observação, o linguista examina os complexos fatos da língua portuguesa, procurando descrever as muitas expressões verbais que se servem desse tempo e, então, classificá-las segundo o sentido que estabelecem.
Quanto às propostas de Said Ali, relativas às funções do uso do tempo presente no modo indicativo, que opção expõe, corretamente, em conjunto (descrição, classificação e exemplificação), as ideias do autor?
Provas
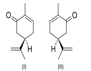
A molécula de carvona é um monoterpenoide de fórmula molecular C10H14O que existe principalmente em duas formas enantioméricas, a R-carvona e a S-carvona. Essas duas formas têm aromas distintos devido à sua interação com diferentes receptores olfativos. Por exemplo, a R-Carvona é o principal composto encontrado no óleo de cominho, responsável por seu odor característico. Já a S-Carvona é encontrada no óleo de hortelã-pimenta e tem um aroma semelhante ao de hortelã.

Fonte: IFSP, 2024.
Com base nessas informações, é correto afirmar que:
Provas
Um alcano de massa molar igual a 142 g mol-1 possui dois carbonos secundários.
Use C = 12 g mol-1 e H = 1 g mol-1 como respectivas massas molares e assinale a alternativa que corresponda a um dos possíveis isômeros:
Provas
- Compilação e Interpretação de CódigoLinguagem de Máquina
- LinguagensAssembly
- LinguagensC
- LinguagensC++
O algoritmo é um conjunto de instruções que deve ser executado de forma ordenada conforme a sequência que é colocado (Guimarães, L. 1994). Para que esses passos sejam executados é necessária uma linguagem de programação que seja entendida pelo computador para sua execução.
Baseado no texto acima, identifique, a seguir, uma linguagem considerada como de baixo nível dentre as apresentadas.
Provas
Para garantir a segurança de pessoas e animais, o funcionamento adequado da instalação e a conservação dos bens, a NBR-5410/2004 traz especificações de atendimento no projeto e no dimensionamento de proteções contra sobrecorrentes e efeitos térmicos em instalações elétricas de baixa tensão. Para tanto, os projetos de instalações elétricas utilizam variáveis de cálculo, índices e fatores como: corrente nominal do dispositivo de proteção (In ), corrente de projeto do circuito (Ib )capacidade de corrente do condutor (Iz ), corrente de funcionamento de proteção com limite de sobrecarga (I2 ), corrente de fusão de fusíveis (IF) e corrente de disparo térmico de disjuntores (ID). Indique a alternativa que apresenta corretamente as condições que devem ser atendidas simultaneamente no dimensionamento de proteções contra sobrecorrente e efeitos térmicos.
Provas
Em dispositivos semicondutores, o entendimento da junção PN é fundamental para estudo de diodos e muitos tipos de transistores, influenciando diretamente o seu funcionamento, desde a retificação até a amplificação. Em laboratórios de pesquisa e desenvolvimento, entender como uma junção PN responde sob diferentes condições de tensão é crucial para o design de circuitos mais eficientes e robustos.
Quando uma tensão reversa é aplicada a uma junção PN, qual é o efeito observado na junção?
Provas
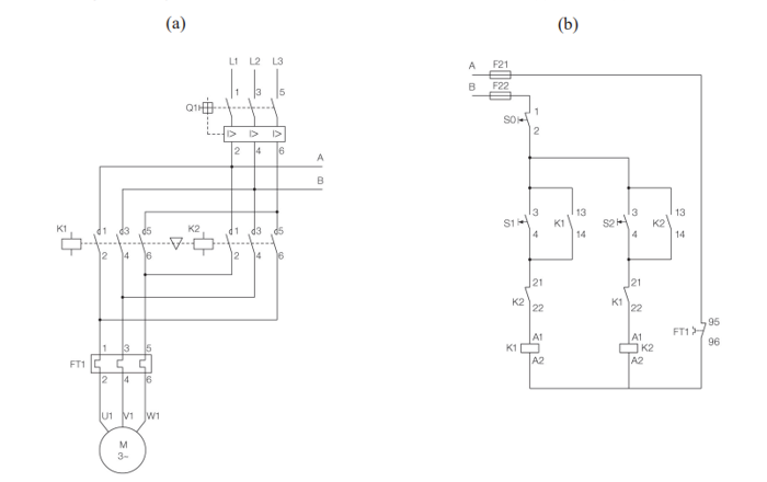
Diagramas de comandos elétricos permitem concentrar graficamente tanto a lógica (ou comando) de um processo de acionamento quanto as ligações de potência (ou força) necessárias para este acionamento. A figura apresentada, extraída de um manual de partidas de motores, mostra dois quadros, sendo: (a) força e (b) comando. Indique a alternativa que apresenta corretamente a aplicação e o funcionamento dos diagramas apresentados.
Figura: Diagrama de Comandos Elétricos de um acionamento: (a) força e (b) comando.

Fonte: Adaptado do Manual WEG – Guia e seleção de partidas. Disponível em https://static.weg.net/medias/downloadcenter/ haa/h53/WEG-guia-de-selecao-de-partidas-50037327-manual-portugues-br-dc.pdf. Acesso em: 09 set. 2024, p. 12.
Provas
Considere que você é um novo franqueado da empresa IFWORK e que você possui um capital de investimento para início de R$15.000,00. Você constatou no cronograma entregue pela equipe de planejamento da obra que neste momento a obra da sua franquia deveria estar com 50% entregue. Como é a sua primeira franquia, você está acompanhando de perto e solicitou a visita de um fiscal da franquia que verificou in loco que na verdade a franquia foi erguida em 40%.
Baseado neste contexto, você utilizou o treinamento inicial da franquia e calculou o Valor planejado, o Valor Agregado, o Índice de Desempenho de Prazos e a Variação de Prazos para que assim conseguisse checar a situação da nova franquia sobre estes índices. Informe nas alternativas abaixo qual resposta do fiscal melhor condiz com o que foi encontrado após a visita.
\( IDP=\dfrac{VA}{VP} \)
Provas
Caderno Container