Foram encontradas 40 questões.
Disciplina: Estatuto da Pessoa com Deficiência - Lei 13.146/2015
Banca: IF-SP
Orgão: IF-SP
De acordo com a Lei n. 13.146/2015 (Estatuto da Pessoa com Deficiência), os telecentros comunitários que receberem recursos públicos federais para seu custeio ou sua instalação, e lan houses, devem possuir equipamentos e instalações acessíveis. O percentual de computadores com recursos de acessibilidade para pessoas com deficiência visual que os estabelecimentos citados devem garantir, no mínimo, é:
Provas
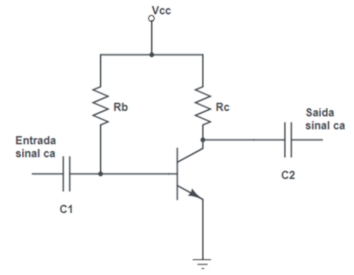
O transistor é um dos componentes eletrônicos mais importantes e comumente utilizados em televisores, rádios, chips de computadores, circuitos integrados e dispositivos móveis. As funções principais de um transistor são: amplificação de um sinal de corrente e tensão elétrica, gerando sinais de saída bem maiores em relação àqueles de entrada, e chaveamento, controlando o fluxo de corrente, atuando no circuito como uma chave liga/desliga. Seja o circuito de polarização fixa com o transistor abaixo.
Dado que VCC = 16 V, RB = 765 kΩ, RC = 2,2 kΩ, C1 = C2 = 10 μF e β = 200, determine o valor de VCB.

Fonte: IFSP, 2024.
Provas
Em uma cafeteira elétrica, um sinal de parada X é gerado para interromper a operação na cafeteira e para acionar luz indicadora de multifunções, sempre que uma das condições a seguir ocorrer:
• Pouca água ou falta dela no reservatório e alavanca aberta.
• Água suficiente no reservatório, cápsula inadequada e alavanca aberta.
O nível de água no reservatório apresenta nível lógico 1, se houver água suficiente no reservatório, e nível lógico 0, se houver pouca água ou falta dela no reservatório. O compartimento de cápsulas apresenta nível lógico 1 para a presença de cápsula e nível 0 para a falta de cápsula, para cápsula inadequada ou mal encaixada. A alavanca de abertura do compartimento de cápsulas apresenta nível lógico 1, se estiver fechada, e nível lógico 0, se estiver levantada.
Projete um circuito lógico que gere uma saída X em nível ALTO para as condições acima estabelecidas:
Provas
Durante uma sessão de laboratório, os estudantes de eletrônica estão explorando diferentes configurações de portas lógicas a fim de entender como as suas combinações podem ser usadas para implementar funções lógicas diferentes.
Um estudante montou o circuito da figura abaixo, composto exclusivamente por portas NOT, NAND e OR, e percebeu que o circuito era equivalente a uma porta lógica conhecida. Observe que as entradas são marcadas como A e B, e a saída como S.

Fonte: IFSP, 2024.
Qual é a porta lógica resultante do circuito?
Provas
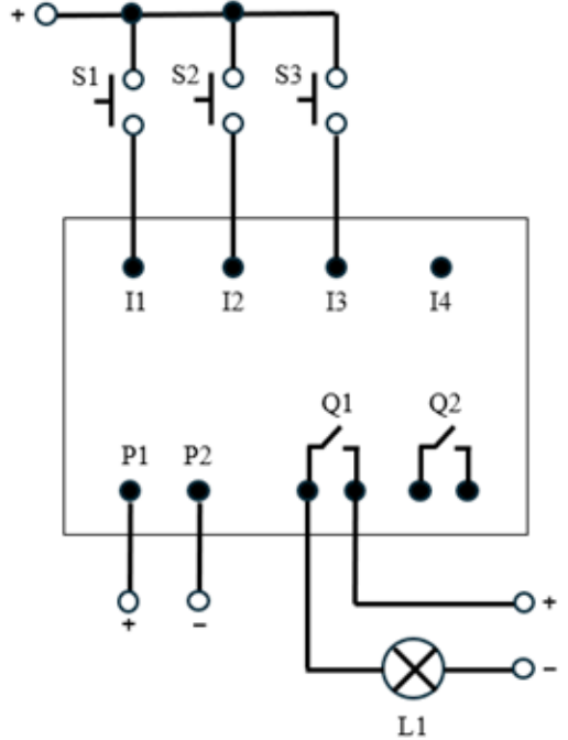
Considere o seguinte esquema elétrico de um CLP, elaborado para implementar uma lógica com a finalidade de ligar/desligar uma lâmpada L1 em determinadas situações de acionamento das chaves S1, S2 e S3:

Fonte: IFSP, 2024.
A lâmpada L1 deve ser ligada nos seguintes casos:
• Caso 1: em qualquer situação na qual a chave S1 estiver fechada. A única exceção é se as chaves S2 e S3 estiverem abertas ao mesmo tempo em que a chave S1 estiver fechada. Especificamente nesta situação, a lâmpada L1 deverá ficar apagada.
• Caso 2: numa situação em que as chaves S1 e S3 estiverem abertas, e a chave S2 estiver fechada.
Qual alternativa a seguir ilustra um programa, em Linguagem de Programação Ladder, para implementar a lógica acima , utilizando a menor quantidade possível de operandos de entrada lógica (operandos I1, I2 e I3)?
Provas
Foi desenvolvido um equipamento de comunicação para funcionar como interfone, composto por microfone, fone e microcontrolador. O microfone utilizado possui faixa de resposta de frequência entre 300 Hz e 15 kHz, conforme ilustrado abaixo, enquanto todo o circuito está cuidadosamente acomodado em espaço sob medida, garantindo ajuste preciso dos componentes principais. Para garantir que apenas a voz humana (geralmente na faixa de 300 Hz a 3,4 kHz) seja transmitida de forma eficiente e com qualidade, é necessária uma filtragem adequada. Considerando o contexto do equipamento e suas características de projeto, qual seria a solução mais estável e confiável para realizar essa filtragem?

Fonte: IFSP, 2024.
Provas
A linguagem C é conhecida por sua eficiência e desempenho, sendo amplamente utilizada no desenvolvimento de sistemas operacionais, compiladores, jogos, aplicativos, programação de microcontroladores, etc.
Considerando o código abaixo escrito em linguagem C no Dev C++ 5.11, quais valores serão exibidos no console ao final da execução do algoritmo no compilador?

Fonte: IFSP, 2024
Provas
Em uma planta industrial, é necessário monitorar a temperatura de um reator químico que opera em condições extremas de alta temperatura. O engenheiro responsável decidiu utilizar uma termorresistência de platina (RTD) para essa aplicação, devido à sua precisão e estabilidade em altas temperaturas.
Sabendo que o reator deve operar em uma faixa de temperatura de 300°C a 600°C, e que a saída do RTD será condicionada por um circuito de amplificação para ser lida por um controlador lógico programável (CLP), assinale a alternativa correta sobre a escolha e condicionamento do sinal da termorresistência de platina:
Provas
Um forno industrial utilizado no processo de fundição é aquecido por uma resistência elétrica. O controle da energia fornecida à resistência é feito por meio de um TRIAC em um circuito de corrente alternada monofásica. O ajuste da potência média aplicada ao forno depende da variação no ângulo de disparo do TRIAC.
Qual das alternativas abaixo descreve corretamente o comportamento do TRIAC para garantir a quantidade adequada de energia fornecida ao forno?
Provas
Analise os dois circuitos digitais a seguir:

Fonte: IFSP, 2024.
Assinale a alternativa que contém o nome da teoria da eletrônica digital que valida a equivalência entre esses dois circuitos:
Provas
Caderno Container