Foram encontradas 492 questões.
- Transformadores e Máquinas ElétricasPrincípios BásicosPerdas, rendimento, torque, potência, ângulo de potência e funcionamento geral
Considere um motor de indução trifásico, rotor a gaiola, com as seguintes características: tensão de alimentação: 220V, frequência: 60Hz, velocidade síncrona: 120 rad/s, escorregamento: 2%. Adote π = 3 e calcule a velocidade medida no rotor em RPM.
Provas
Uma turbina eólica com 3 pás rotativas de 10m de comprimento cada uma, e um diâmetro de varredura de 20m, está situada em um parque eólico que possui uma densidade do ar do vento de δ = 1 kg/m³ para um vento de 10m/s. Calcule a potência disponível a partir do vento (Pvento).
Provas
A forma mais comumente utilizada no mundo todo para geração, transmissão e distribuição de energia elétrica é a trifásica. A tensão trifásica equilibrada tem uma defasagem de 120º elétricos. A eficiência de máquinas elétricas é aumentada quando se trabalha com sistemas trifásicos devido a um melhor aproveitamento energético.
No circuito trifásico, em sequência positiva, mostrado a seguir, a tensão de linha, Vl = 250 Volts (eficaz). A potência trifásica dissipada pela carga é de 1500 Watts com um fator de potência 0,8 (atrasado). A corrente de linha, Il (eficaz) será:

Provas
Seja a função de transferência para um determinado compensador dada por:
C(s) = (s + 2)/(s + 8)
A resposta em frequência deste compensador pode ser observada no diagrama a seguir:

Considerando o modelo C(s) apresentado, assinale a alternativa CORRETA:
Provas
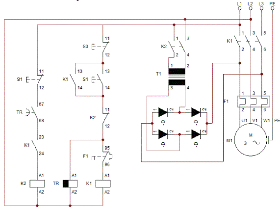
Que tipo de circuito temos representado abaixo?

Provas
O regime de operação da fibra óptica é, obrigatoriamente, sob a condição de reflexão interna total, conforme ilustração a seguir, sendo “Core” o núcleo e “Cladding” a casca (baínha) da fibra.

Fonte: Stack Exchange. What’s so interesting about
the acceptance cone in fiber optics? Disponível em:
https://physics.stackexchange.com/questions/426634/
whats-so-interesting-about-the-acceptance-cone-in
fiber-optics. Acesso em: 19 nov. 2018.
Com base na figura apresentada, para ocorrer reflexão total dentro da fibra, como deve ser o ângulo de incidência e os índices de refração dos meios?
Provas
Considere o sistema 1 e o sistema 2 independentes, a função de transferência FT1 refere-se ao sistema 1 e função de transferência FT2 refere-se ao sistema 2. Ambos os sistemas são de entrada limitada e saída limitada (BIBO – Bounded Input Bounded Output).
|
FT1(S) = 1 !$ \overline{S^{2}+4S+5} !$
|
|
FT2(S) = !$ \dfrac{1}{S^{3}+5S^{2}+10S+60} !$ |
Conhecidas as Funções de Transferência dos sistemas 1 e 2, analise a estabilidade de cada sistema.
Provas
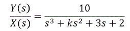
Considerando o sistema de controle de malha fechada abaixo. (Dado a função de transferência para um sistema de controle em malha fechada)

Assinale a alternativa que apresenta o(s) valor(es) de k que garante a estabilidade do sistema.
Provas
A Mata Atlântica é um dos ecossistemas de maior biodiversidade no mundo, tendo muitas espécies endêmicas. Como resta menos de 20% da cobertura vegetal original do bioma, existe forte pressão do governo e de ONGs em prol de sua conservação. O Vale do Ribeira (localizado no sul do estado de São Paulo e leste do estado do Paraná) abriga grande parte da área de Mata Atlântica remanescente no Brasil.
Considerando as restrições de zoneamento e impacto ambiental, qual dos seguintes setores industriais é o mais indicado para ser instalado no Vale do Ribeira?
Provas
- Universidades e Institutos FederaisInstitutos FederaisIFSC: Instituto Federal de Educação, Ciência e Tecnologia de Santa Catarina
A identidade da Educação Física enquanto componente curricular é construída a partir de processos de negociação e disputa de valores, concepções e perspectivas. Nesse sentido, a escola e os alunos do ensino médio são concebidos respectivamente, enquanto espaço e sujeitos socioculturais.
Assim, segundo as Orientações Curriculares do Ensino Médio (2006), a Educação Física, em relação a esses sujeitos, tem como desafios:
Provas
Caderno Container