Foram encontradas 492 questões.
Considerando o circuito e o diagrama de onda abaixo:


Supondo que no circuito da figura 1 todos os flip-
-flops estejam inicialmente com o valor lógico de suas saídas Q em nível lógico baixo, que a entrada
A assuma o valor correspondente ao diagrama de
onda da figura 2, e as entradas
e
estejam sempre em nível lógico alto, quantos pulsos
de Clock serão necessários para que a saída Q1
tenha nível lógico alto?
Provas
Para um determinado sistema de controle, considere o seguinte diagrama de blocos:

Onde y(s) é a variável de processo controlada, d(s) é um sinal de distúrbio, r(s) é a referência do sistema (setpoint), e s é o operador de Laplace.
Assinale a alternativa que apresenta as funções de transferência !$ y(s)/d(s) !$ e !$ y(s)/r(s) !$ correta:
Provas
Em aplicações práticas, é muito comum observar em sistemas eletrônicos para automação a presença de ruído nos sinais oriundos de sensores ou transdutores. Em um circuito comparador comum, por exemplo, este ruído pode levar ao chaveamento indesejado de algum atuador. Uma forma de reduzir os efeitos oriundos do ruído é a utilização de um circuito comparador com histerese não-inversor, o qual é muito conhecido como circuito Schmitt Trigger (ST). A figura a seguir ilustra o ST:

A figura a seguir ilustra o ST:

Onde Vout é o sinal de saída do circuito comparador, Vin é o sinal de entrada, Vsat é a tensão de saturação do circuito, VHYS é a banda de histerese, VLTP é o limite inferior para comutação e VHTP é o limite superior.
Considerando o circuito apresentado acima, dado que Vsat = 12V, R2 = 10k?, R1 = 3k?, e Vin = 1,5V, qual o valor para a banda de histerese VHYS?
Provas
Os microcontroladores da família PIC18F, podem possuir PULL-UP’s internos em seus pinos de IO.
Ao utilizar um pino de IO, que possui PULL-UP interno, como OUTPUT, é necessário:
Provas
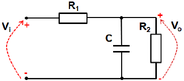
Seja um circuito elétrico representado pelo diagrama da figura abaixo:

Onde: Vi é o sinal de entrada do circuito, Vo é o sinal de saída, R1 e R2 são resistores, e C é um capacitor.
Para o circuito dado, qual a função de transferência !$ G(s) = V_o(s)/V_1(s) !$ que modela o sistema dinâmico?
Provas
A seguir apresenta-se um código em VHDL. Esta linguagem é muito utilizada para descrever hardwares, e também para configurar dispositivos eletrônicos baseados em FPGA.
|
LIBRARY IEEE; USE IEEE.STD_LOGIC_1164.ALL; USE IEEE.STD_LOGIC_UNSIGNED.ALL; ENTITY BLOG IS PORT ( Op : IN STD_LOGIC_VECTOR (2 DOWNTO 0); A,B : IN STD_LOGIC_VECTOR (7 DOWNTO 0); R : OUT STD_LOGIC_VECTOR (7 DOWNTO 0)); END BLOG; ARCHITECTURE COMP OF BLOG IS BEGIN P1 : PROCESS (Op,A,B) BEGIN CASE Op IS WHEN "001" => R <= A + B; WHEN "010" => R <= A - B; WHEN "011" => R <= A OR B; WHEN "100" => R <= A AND B; WHEN "101" => R <= A XOR B; WHEN "110" => R <= NOT(A); WHEN "111" => R <= "00000000"; WHEN OTHERS => R <= "11111111"; END CASE; END PROCESS P1; END COMP; |
A respeito do código em VHDL apresentado, é CORRETO afirmar que:
Provas
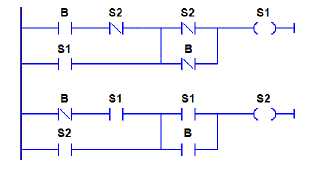
O diagrama Ladder foi inicialmente desenvolvido para projetar e documentar circuitos elétricos utilizando relés. Atualmente, o Ladder é uma das linguagens gráficas mais difundidas na Indústria, principalmente, na programação de Controladores Lógicos Programáveis (CLPs): as funções lógicas de controle de processos são representadas por meio de contatos e bobinas, de modo análogo a um esquema elétrico com os contatos e bobinas para botões, chaves, válvulas e solenoides. A figura, a seguir, apresenta um exemplo de diagrama Ladder, onde: B representa um ponto de entrada digital do CLP, o qual está ligado ao botão pulsador (botoeira tipo push button); S1 é um ponto de saída digital do CLP, o qual está ligado a uma lâmpada L; e S2 é uma memória digital auxiliar (“bobina interna”).

Analise o diagrama dado e assinale a alternativa CORRETA:
Provas
A geração de corrente contínua é obtida quando uma máquina primária é conectada ao eixo de uma máquina de corrente contínua, aplicando a este eixo um conjugado mecânico e imprimindo uma determinada velocidade à máquina.
Indique que tipo de gerador de corrente contínua é apresentado na figura a seguir:

....
...
MARQUES, L. S. B.; SAMBAQUI, A. B. K.; DUARTE, J. Apostila de Máquinas Elétricas. IFSC, Joinvile, 2013.
Provas
As Harmônicas são um distúrbio de energia que provocam diversos tipos de problemas nas instalações elétricas em todos os circuitos, como sobretensões, sobrecorrentes, queima de equipamentos e funcionamentos inadequados de equipamentos.
...
Dada a série de Fourier abaixo, o valor da tensão true-rms desse circuito é aproximadamente?
V(t) = 100 sen (300 πt) + 10 sen (600 πt) + 80 sen (900 πt)
Provas
- Medidas ElétricasTransformadores para instrumentos, Transformador de potencial e Transformador de corrente
Os transformadores de corrente são equipamentos importantes para medição e proteção de circuitos, porém algumas características são bem específicas e não podem ser ignoradas.
...
Que fenômeno ocorre quando se abre o secundário de um TC em carga?
Provas
Caderno Container