Foram encontradas 40 questões.
Leia o TEXTO 03 para responder à questão a seguir.

A charge é um gênero textual sincrético, ou seja, em que se combinam a linguagem verbal e a não verbal. Partindo desse pressuposto, julgue as proposições abaixo sobre a análise da charge constituinte do TEXTO 03.
I. O humor da tirinha reside unicamente no fato de os guardas não demonstrarem o menor jeito para cuidar de crianças.
II. O texto apresenta caráter ambíguo, o que é provocado pela junção da linguagem verbal e não verbal.
III. O caráter polissêmico, na charge, da palavra “limpos” é um dos responsáveis pelo humor do texto.
IV. Se fosse analisado, isoladamente, o texto verbal, ou seja, sem a leitura da imagem, o texto não adquiriria o tom jocoso que tem.
V. O título da charge não tem importância alguma na compreensão global do texto, por isso, inclusive, deveria ser retirado.
Estão CORRETAS, apenas, as proposições
Provas

Provas

Provas
O valor de Vo, no circuito da Figura 09, é:

Provas

Provas

Provas

Provas

Provas
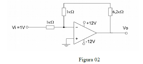
O valor de Vo no circuito da Figura 02, é:

Provas
Com relação às características presentes nos diversos tipos de diodos, analise as afirmações abaixo.
I. O Diodo Túnel é o único tipo de diodo que apresenta região de resistência negativa.
II. O Diodo Esaki possui aplicações em osciladores de alta frequência.
III. O tempo de recuperação reversa é um parâmetro crítico em diodos voltados a aplicações de chaveamento em alta frequência.
IV. O Diodo Gunn não possui camada P, apenas N, possuindo aplicação em osciladores de micro-ondas.
V. O Diodo Shchottky não permite comutações rápidas devido ao uso de uma junção metalsemicondutor.
Estão CORRETAS apenas as afirmativas que constam nos itens
Provas
Caderno Container