Foram encontradas 40 questões.
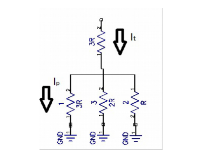
Dado o diagrama abaixo, a razão Ip/It é:

Provas

Provas

Provas
Um circuito RC série foi alimentado com uma tensão dc de 12V. Sabendo-se que o capacitor estava descarregado antes do circuito ser alimentado, observou-se que:
I. A tensão do capacitor alcançou 7,6V após 3 segundos de alimentação.
II. A corrente do capacitor no instante da conexão da fonte de alimentação foi de 5 mA.
III. A resistência interna da fonte de alimentação teve efeito desprezível sobre o processo de carga do capacitor.
É CORRETO afirmar que
Provas
Provas
Provas
Provas
Provas
- EletrotécnicaCircuitos Lógicos e Álgebra Booleana em Eletrotécnica
- EletrônicaEletrônica Digital em Eletroeletrônica
Considere o mapa de Karnaugh na Figura 5. A expressão simplificada para este mapa é :

Provas
O fator de potência em um circuito é de 0,5 atrasado. Sabendo-se que a potência média dissipada vale 1500 W para uma tensão senoidal de entrada de
(t) = 300 sen(2π60t)v, a expressão
senoidal para a corrente de entrada será:
Provas
Caderno Container