Foram encontradas 1.089 questões.
As atividades relativas à chamada media training referem-se ao treinamento de pessoas visando ao seu melhor desempenho, diante dos desafios impostos pelo relacionamento com os membros da imprensa em geral. No entanto, essas habilidades nem sempre são bem entendidas e assimiladas por pessoas leigas na área de comunicação social. Diante desse quadro, é correto dizer que:
Provas
Questão presente nas seguintes provas
Erosão é um conjunto de processos causados por agentes naturais, segundo os quais o solo ou material rochoso é desagregado, removido e transportado de um lugar para outro na superfície da terra, alterando-a localmente a diferentes taxas de mudança com produção de sedimentos. Tais alterações estão associadas a ações antrópicas e a fenômenos naturais. Sobre esse tema, pode-se afirmar que os principais agentes erosivos são:
Provas
Questão presente nas seguintes provas
O gerenciamento das relações de um assessorado com a imprensa, do ponto de vista das relações públicas, implica na busca permanente de parceria efetiva e profissional. A mutualidade e a confiança devem presidir esses esforços. Assim, é correto afirmar que:
Provas
Questão presente nas seguintes provas
A pesquisa que é realizada quando não existe um sistema de teorias e conhecimentos já desenvolvidos e nela não se trabalha com a relação ou manipulação de variáveis, mas com o levantamento da presença de variáveis e da sua caracterização quantitativa ou qualitativa, é:
Provas
Questão presente nas seguintes provas
A respeito do servidor de e-mail PostFix, é INCORRETO afirmar:
Provas
Questão presente nas seguintes provas
No resfriamento de uma amostra metálica, é importante o controle da velocidade de resfriamento que vai permitir a obtenção da microestrutura e das propriedades desejadas. Dentre as alternativas abaixo, qual oferece maior velocidade de resfriamento?
Provas
Questão presente nas seguintes provas
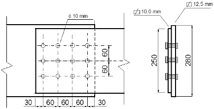
As duas chapas de aço MR-250 estão ligadas por meio de parafusos comuns. A ligação da figura foi dimensionada para suportar uma carga de tração de cálculo de 120 kN.

Considerando essa ligação, analise as afirmativas:
I. Para adequar a ligação para suportar uma carga de tração de cálculo de 150 kN, poderiam ser colocados mais três parafusos, acrescentando mais uma coluna de parafusos, o que aumentaria o comprimento total da ligação.
II. Uma alternativa para melhorar a eficiência da ligação seria aumentar o diâmetro dos parafusos.
III. O número de linhas de parafusos adotadas no detalhamento da ligação influenciou na capacidade de carga dessa ligação.
Estão corretas apenas as afirmativas:
Provas
Questão presente nas seguintes provas
São pneumoconioses provocadas por poeiras de origem vegetal:
Provas
Questão presente nas seguintes provas
O Seminário Nacional de Ética e Serviço Social, realizado pelo conjunto ABESS-Associação Brasileira de Ensino em Serviço Social, ANAS-Associação Nacional de Assistentes Sociais, CFASS-Conselho Federal de Assistentes Sociais e SESSUNE- Subsecretária de Estudantes de Serviço Social da UNE, em 1991, aponta a necessidade de uma reformulação do Código de Ética Profissional do Assistente Social de 1986. Por quê?
Provas
Questão presente nas seguintes provas
O SINAES integra três modalidades principais de instrumentos de avaliação, aplicados em diferentes momentos. São eles:
Provas
Questão presente nas seguintes provas
Cadernos
Caderno Container