Magna Concursos

Foram encontradas 25 questões.

Cabe ao docente ocupante de cargo no magistério público federal observar a legislação que rege sua carreira na categoria funcional de professor do ensino básico, técnico e tecnológico e a que disciplina sua atuação na administração pública. Tendo como base as normativas para o Servidor Público Federal, analise as proposições e julgue se são verdadeiras ou falsas.

I. Exercer com zelo e dedicação as atribuições do cargo, ser leal às instituições a que servir, observar as normas legais e regulamentares, atender com presteza ao público em geral, prestando as informações requeridas, ressalvadas as protegidas por sigilo, são deveres do servidor público expressamente previstos no Decreto nº 1.171, de 22 de junho de 1994.

II. Manter conduta compatível com a moralidade administrativa, ser assíduo e comunicar aos seus superiores irregularidades ou atos contrários ao interesse público são obrigações do servidor público, no que se refere à observância da Lei 8.112/90 e do Código de Ética Profissional do Servidor Público Civil do Poder Executivo Federal, aprovado pelo decreto 1.171/94.

III. Por motivo de crença religiosa ou de convicção filosófica ou política, o servidor não poderá ser privado de quaisquer dos seus direitos, sofrer discriminação em sua vida funcional, nem eximir-se do cumprimento de seus deveres.

IV. A Carreira de Magistério do Ensino Básico, Técnico e Tecnológico destina-se a profissionais habilitados em atividades acadêmicas próprias do pessoal docente no âmbito da educação básica e da educação profissional e tecnológica.

V. O desenvolvimento na Carreira de Magistério do Ensino Básico, Técnico e Tecnológico ocorrerá mediante progressão funcional e promoção, compreendendo-se a promoção como sendo a passagem do servidor para o nível de vencimento imediatamente superior dentro de uma mesma classe, e progressão, a passagem do servidor de uma classe para outra subsequente.

Assinale a alternativa correta:

 

Provas

Questão presente nas seguintes provas

Analise as alternativas a seguir, com referências ao Programa Nacional de Integração da Educação Profissional com a Educação Básica na Modalidade de Educação de Jovens e Adultos – PROEJA, e assinale a alternativa correta:

I. Os cursos e programas do PROEJA deverão considerar as características dos jovens e adultos atendidos e poderão ser articulados à formação inicial e continuada de trabalhadores ou à educação profissional técnica e tecnológica.

II. Os cursos e programas de formação inicial e continuada de trabalhadores articular-se-ão, preferencialmente, com os cursos de educação de jovens e adultos, objetivando a qualificação para o trabalho e a elevação do nível de escolaridade do trabalhador, o qual, após a conclusão com aproveitamento dos referidos cursos, fará jus a certificados de formação inicial ou continuada para o trabalho.

III. Todos os cursos e programas do PROEJA devem prever a possibilidade de conclusão a qualquer tempo, desde que demonstrado aproveitamento e atingidos os objetivos desse nível de ensino, mediante avaliação e reconhecimento por parte da respectiva instituição de ensino.

IV. Os cursos de educação profissional técnica de nível médio do PROEJA deverão contar com carga horária mínima de duas mil e quatrocentas horas, assegurando-se a observância às diretrizes curriculares nacionais e demais atos normativos do Conselho Nacional de Educação para a educação profissional técnica de nível médio, para o ensino fundamental, para o ensino médio e para a educação de jovens e adultos.

 

Provas

Questão presente nas seguintes provas
1890323 Ano: 2016
Disciplina: Engenharia de Telecomunicações
Banca: IF-MS
Orgão: IF-MS

Os diferentes tipos de redes de comunicação possuem características específicas para cada nível da pirâmide da automação, isto é, o nível de dispositivos de campos (sensores e atuadores), o nível de controle (CLP, PC e outros), o nível de supervisão (Interface Homem Máquina - IHM, sistema supervisório) e outros níveis superiores. Sendo assim, é CORRETO afirmar que:

 

Provas

Questão presente nas seguintes provas
1890322 Ano: 2016
Disciplina: Engenharia de Telecomunicações
Banca: IF-MS
Orgão: IF-MS

Assinale a alternativa correta sobre as características das redes industriais.

 

Provas

Questão presente nas seguintes provas
1890321 Ano: 2016
Disciplina: Engenharia Eletrônica
Banca: IF-MS
Orgão: IF-MS

Entre os principais sensores de temperatura, destacam-se os termopares e as termorresistências. Sobre eles, é correto afirmar que:

 

Provas

Questão presente nas seguintes provas
1890320 Ano: 2016
Disciplina: Engenharia Eletrônica
Banca: IF-MS
Orgão: IF-MS

Observe o sistema com duas caixas d’água e um CLP ilustrado a seguir.

Enunciado 1890320-1

Um projetista fez um programa utilizando a linguagem Ladder para automatizar o processo de acionamento da bomba d’água B. Os sensores S1, S2, S3 e S4 são ativados quando entram em contato com a água. Sendo assim, (1) caso o nível de água da caixa auxiliar esteja em S3 ou acima, e o nível de água da caixa principal esteja abaixo de S1, deve-se acionar a bomba B, e (2) caso o nível de água da caixa auxiliar esteja entre S3 e S4, deve-se acionar a bomba B apenas quando o nível de água ficar abaixo de S2 e desligar apenas quando atingir o nível de água atingir S1, e, por fim, (3) caso o nível de água da caixa auxiliar esteja abaixo de S4, deve-se manter a bomba B desligada.

Diante do exposto, assinale a alternativa que ilustra o Programa Ladder que soluciona esse caso.

 

Provas

Questão presente nas seguintes provas
1890319 Ano: 2016
Disciplina: Engenharia Eletrônica
Banca: IF-MS
Orgão: IF-MS

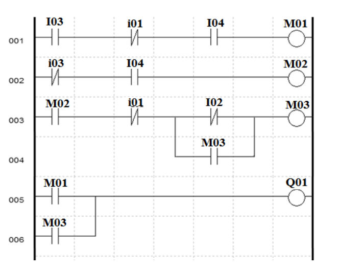
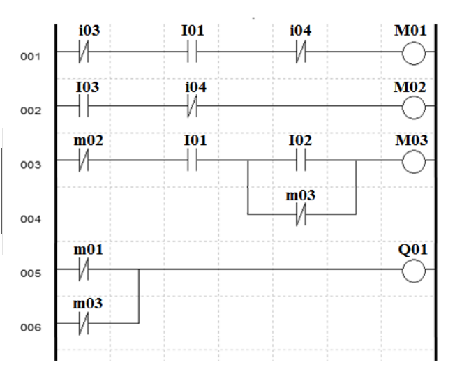
Ao observar o esquema elétrico de ligação do CLP e o programa em LADDER, considerando I1, I2, I3, como entradas digitais e O1, O2, as saídas a relé do CLP, pode-se afirmar que:

Enunciado 1890319-1

 

Provas

Questão presente nas seguintes provas
1890318 Ano: 2016
Disciplina: Engenharia Eletrônica
Banca: IF-MS
Orgão: IF-MS

Assinale a afirmativa correta quanto ao funcionamento do circuito representado na figura a seguir:

Enunciado 1890318-1

 

Provas

Questão presente nas seguintes provas
1890315 Ano: 2016
Disciplina: Engenharia de Automação
Banca: IF-MS
Orgão: IF-MS

Considere a representação de um sistema linear pela equação diferencial a seguir, sendo !$ x !$!$ O !$ a saída do sistema e !$ x !$!$ i !$ sua entrada.

!$ m !$. !$ \dot{x} !$!$ O !$ + !$ b !$. (!$ \dot{x} !$!$ O !$!$ \dot{x} !$ !$ i !$ ) + !$ k !$. (!$ x !$!$ O !$!$ x !$!$ i !$ ) = !$ O !$

Sabendo que as condições iniciais do sistema são nulas, é INCORRETO afirmar que:

 

Provas

Questão presente nas seguintes provas
1890313 Ano: 2016
Disciplina: Engenharia Eletrônica
Banca: IF-MS
Orgão: IF-MS

Assinale a alternativa que representa a frequência mínima de amostragem para um conversor analógicodigital, segundo o teorema de Nyquist.

 

Provas

Questão presente nas seguintes provas