Foram encontradas 50 questões.
Com relação às técnicas de manutenção, julgue os itens que se seguem.
Os altos custos das manutenções preventivas e preditivas levam as empresas a trabalhar com manutenções corretivas, reduzindo assim os custos operacionais.
Provas
Com relação às técnicas de manutenção, julgue os itens que se seguem.
O monitoramento preditivo em tempo real é um aliado para a manutenção; entretanto, esse monitoramento somente pode ser acompanhado de modo local devido à limitação técnica de aparelhos para predição em geral.
Provas
Julgue o item abaixo, relativo ao equipamento para medições elétricas denominado multímetro.
Provas

Considerando as figuras acima, que mostram uma motobomba cujo acoplamento está sujeito a desalinhamentos dos tipos A ou B.
Um relógio comparador é útil na avaliação e correção do desalinhamento do tipo A, mas não para o do tipo B.
Provas

Considerando as figuras acima, que mostram uma motobomba cujo acoplamento está sujeito a desalinhamentos dos tipos A ou B.
Os desalinhamentos dos tipos A e B correspondem, respectivamente, aos desalinhamentos radial e axial.
Provas

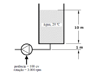
A figura acima ilustra esquematicamente o bombeamento d’água a partir de um tanque. Em relação a essa instalação, julgue os itens a seguir.
Se um variador de frequência for usado para reduzir a rotação da bomba mostrada para 1.500 rpm, a potência consumida passa a ser de 50 cv.
Provas

A figura acima ilustra esquematicamente o bombeamento d’água a partir de um tanque. Em relação a essa instalação, julgue os itens a seguir.
Para a situação mostrada na figura, é necessário especificar uma bomba autoescorvante ou adotar uma válvula de pé com crivo na extremidade da linha de sucção. Caso contrário, não é possível manter a bomba escorvada.
Provas

A figura acima ilustra esquematicamente o bombeamento d’água a partir de um tanque. Em relação a essa instalação, julgue os itens a seguir.
A pressão manométrica estática na sucção da bomba é maior que 1,5 kgf/cm 2
Provas

A figura acima ilustra esquematicamente o bombeamento d’água a partir de um tanque. Em relação a essa instalação, julgue os itens a seguir.
Provas

A figura acima ilustra esquematicamente o bombeamento d’água a partir de um tanque. Em relação a essa instalação, julgue os itens a seguir.
Para uma dada vazão máxima prevista, o diâmetro interno das linhas de sucção e descarga deve ser selecionado de forma a atender valores econômicos recomendados para a velocidade de escoamento do líquido.
Provas
Caderno Container