Foram encontradas 50 questões.
A respeito da geração e transmissão de energia elétrica, bem como de noções gerais de circuitos elétricos, julgue os itens que se seguem.
Suponha que um circuito elétrico funcione com tensão de entrada em corrente alternada. As formas de onda na entrada e na saída desse circuito são representadas na figura abaixo.

Sabe-se que o circuito em questão é composto apenas por uma resistência ligada em série com mais um componente elétrico, X, desconhecido. Com base nas informações descritas, é correto concluir que o componente elétrico X é um capacitor.
Provas
Disciplina: Engenharia Ambiental e Sanitária
Banca: CESPE / CEBRASPE
Orgão: EMBASA
Em situações de lançamento de poluentes em corpos hídricos, a eutrofização é favorecida em ambientes lênticos (lagos e represas) enquanto, em ambientes lóticos (rios), o processo de autodepuração é um dos fatores que reduzem os efeitos poluentes desses lançamentos. Em relação aos processos de eutrofização e autodepuração, julgue os itens a seguir.
A zona de degradação localiza-se a jusante do lançamento do poluente biodegradável, onde a concentração de oxigênio dissolvido atinge valores mínimos, podendo até mesmo tornarse igual a zero.
Provas
Com relação às técnicas de manutenção, julgue os itens que se seguem.
Quanto menor for o tempo médio entre falhas, maior será o tempo médio de bom funcionamento.
Provas
Com relação às técnicas de manutenção, julgue os itens que se seguem.
O monitoramento preditivo da temperatura inclui, por exemplo, a verificação do revestimento de fornos, dos vazamentos em válvulas de segurança e do isolamento das tubulações.
Provas
Considerando que um transformador monofásico ideal seja utilizado para alimentar circuitos em 12 V, julgue os itens subsequentes.
Se o transformador, com enrolamento de saída 12 V, for alimentado com tensão de 120 V, a relação de transformação será igual 10.
Provas
Considerando que um transformador monofásico ideal seja utilizado para alimentar circuitos em 12 V, julgue os itens subsequentes.
O circuito primário do referido transformador estará sempre onde fica a tensão maior.
Provas
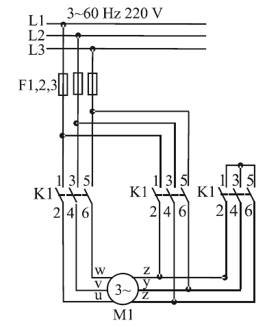
Um motor elétrico trifásico de 10 cv, 380 V/60 Hz, de dois polos, aciona a bomba de recalque de um sistema de abastecimento de água potável. Devido à falta de uma das fases, o motor queimou. O eletricista verificou a possibilidade de substituir o motor por outro com alguns parâmetros diferentes daqueles do motor avariado.
Com base nessa situação hipotética, julgue os itens que se seguem.
Caso o esquema de alimentação seja o da figura abaixo, é correto concluir que o motor tem sistema de partida direta.

Provas
Um motor elétrico trifásico de 10 cv, 380 V/60 Hz, de dois polos, aciona a bomba de recalque de um sistema de abastecimento de água potável. Devido à falta de uma das fases, o motor queimou. O eletricista verificou a possibilidade de substituir o motor por outro com alguns parâmetros diferentes daqueles do motor avariado.
Com base nessa situação hipotética, julgue os itens que se seguem.
Caso o novo motor seja de quatro polos, e demais parâmetros iguais ao original, a bomba será acionada com menor rotação por minuto.
Provas
Um motor elétrico trifásico de 10 cv, 380 V/60 Hz, de dois polos, aciona a bomba de recalque de um sistema de abastecimento de água potável. Devido à falta de uma das fases, o motor queimou. O eletricista verificou a possibilidade de substituir o motor por outro com alguns parâmetros diferentes daqueles do motor avariado.
Com base nessa situação hipotética, julgue os itens que se seguem.
O ajuste do relé de sobrecarga deverá ser mantido caso o eletricista instale um motor monofásico de mesma potência, com alimentação 220 V/60 Hz, tendo o mesmo rendimento e mesmo fator de potência.
Provas
Disciplina: Segurança e Saúde no Trabalho (SST)
Banca: CESPE / CEBRASPE
Orgão: EMBASA

Com base nessa situação hipotética, considerando a NBR 5410 e a teoria de circuitos elétricos, julgue os itens a seguir.
Caso os três circuitos sejam instalados em um mesmo eletroduto desde a saída do quadro de distribuição até a instalação dos pontos de tomadas e das cargas, o valor da seção dos condutores de cada circuito poderá sofrer majoração nas seções nominais.
Provas
Caderno Container