Foram encontradas 640 questões.
Complete as lacunas e assinale a alternativa com a sequência correta. No Brasil, desde o início do século XIX, as __________ são utilizadas como medidas de ___________ de ___________.
Provas
O que determina o tamanho e a graduação das partículas do solo?
Provas
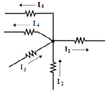
Qual o valor em A da corrente I2? Dados: I1 = 4A, I3 = 1A, I4 = 2A, I5 = 3A.

Provas
- PODC: Processo OrganizacionalProcesso Administrativo: PlanejamentoIntrodução ao Processo de Planejamento
No que se refere aos três níveis distintos de planejamento, estratégico, tático e operacional, marque V para verdadeiro ou F para falso nas afirmativas abaixo e, em seguida, assinale a alternativa com a sequência correta.
( ) O planejamento estratégico é voltado para a coordenação e integração das atividades internas da organização.
( ) O planejamento tático é projetado para o médio prazo, geralmente para o exercício anual.
( ) O planejamento operacional envolve cada departamento ou unidade da organização.
( ) O planejamento estratégico é voltado para os objetivos globais da organização.
Provas
Em relação ao Patrimônio, marque V para verdadeiro e F para falso. Em seguida, assinale a alternativa com a sequência correta.
( ) Os bens podem ser classificados em bens materiais e imateriais.
( ) Constituem obrigações para a empresa todos os valores que ela tem a receber de terceiros.
( ) Constituem direitos para a empresa todos os valores que ela tem a pagar com terceiros.
( ) Bens são as coisas capazes de satisfazer as necessidades humanas e são suscetíveis de avaliação econômica.
Provas
Segundo a ANVISA, qual a definição de interação medicamentosa?
Provas
Alguns micro-organismos possuem, na sua parede celular, ácidos graxos de cadeia longa (ácido micólico), que conferem impermeabilidade ao cristal violeta. É correto afirmar que a coloração álcool-ácido diferencia o seguinte grupo de bactérias:
Provas
Avalie as informações abaixo.
I – PPM é um processo de modulação pulsado que converte um sinal analógico em digital.
II – A variação da largura de pulso em função da variação da amplitude de um sinal analógico é conhecido como PWM.
III – As modulações pulsadas PPM e PCM são as modulações digitais posteriores às etapas PWM e PAM, respectivamente, que constituem as etapas de amostragem de um sinal analógico.
IV – A modulação pulsada denominada Modulação por Código de Pulso é uma modulação digital visto que associa códigos binários aos pulsos amostrados de um sinal analógico. Está correto o que se afirma em
Provas
Assinale a alternativa que completa a lacuna abaixo. Ramal de ligação é o conjunto de ___________ e acessórios compreendidos entre o ponto de derivação da concessionária e ao ponto de energia.
Provas
Disciplina: TI - Desenvolvimento de Sistemas
Banca: DIRENS Aeronáutica
Orgão: EEAr
- Fundamentos de ProgramaçãoFunções, Métodos e Procedimentos
- Fundamentos de ProgramaçãoLógica de Programação
- Fundamentos de ProgramaçãoPassagem de Parâmetros
Quando um valor real tem saída de dentro de uma sub-rotina, temos a passagem de parâmetro por
Provas
Caderno Container