Foram encontradas 460 questões.
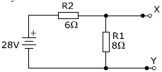
No circuito abaixo, calcule a tensão de R1 em relação aos terminais x e y.

Provas
Questão presente nas seguintes provas
Quanto à selagem das juntas de pavimentos rígidos assinale a alternativa que completa corretamente as lacunas:
As ________ feitas na parte ________ das placas de concreto devem ser devidamente __________, para evitar a _______ de água e partículas sólidas.
Provas
Questão presente nas seguintes provas
Qual tipo de modulação é produzida por um processo que envolve conversão analógica-digital ?
Provas
Questão presente nas seguintes provas
Leia e observe o emprego das vírgulas:
O dicionário, que é conhecido como o “pai dos burros”, é verdadeiramente uma grande ferramenta de consulta. Ele traz os significados das palavras, esclarece sobre a regência dos verbos, menciona a classe gramatical, apresenta inúmeros exemplos de frases e traz até a etimologia dos vocábulos. Sempre que precisamos de uma boa ferramenta de consulta, é a ele que devemos recorrer.
No texto acima, não há vírgula separando
Provas
Questão presente nas seguintes provas
Marque verdadeiro V ou falso F para as afirmações abaixo e assinale a alternativa com a sequência correta.
( ) Os potenciômetros podem ser usados para variar altos valores de corrente aplicada a um circuito.
( ) Os dois tipos de resistores fixos são: resistores de carbono e resistores de fio enrolado.
( ) A potência dos resistores de composição carbônica podem variar de 1/16 a 2W.
Provas
Questão presente nas seguintes provas
Assinale a alternativa que contém o comando em PHP utilizado para selecionar o banco de dados ativo, depois de aberta a conexão com o MySQL.
Provas
Questão presente nas seguintes provas
Assinale a alternativa que contém um direito social que se aplica aos militares das Forças Armadas.
Provas
Questão presente nas seguintes provas
Quanto às intervenções de enfermagem no período puerperal, marque V para verdadeiro e F para falso e assinale a alternativa correta.
( ) Avaliar abdome, trato geniturinário, incluindo-se o débito urinário.
( ) Monitorar a frequência cardíaca fetal a cada hora na fase de transição e a cada 15 minutos na fase ativa.
( ) Observar edema de membros inferiores e atentar para a possibilidade de edema generalizado.
( ) Avaliar secreção vaginal (cor, volume e odor) e atentar para sangramento volumoso com emissão de coágulos.
Provas
Questão presente nas seguintes provas
Na Abordagem Sistêmica da Administração, o princípio que estuda o comportamento com a finalidade de alcançar objetivos é o(a)
Provas
Questão presente nas seguintes provas
Complete corretamente o texto a partir do que se apresenta nas alternativas abaixo:
O levantamento __________ é realizado após o término de um projeto de construção, para fornecer as posições e dimensões das feições do projeto como elas foram realmente construídas.
Provas
Questão presente nas seguintes provas
Cadernos
Caderno Container