Foram encontradas 100 questões.
Marque (V) para verdadeiro ou (F) para falso e, em seguida, assinale a alternativa que apresenta a sequência correta.
( ) A modulação PCM é a mais utilizada para a transmissão de sinais analógicos de forma digital (sucessão de pulsos).
( ) Na modulação PWM, a largura de cada pulso é inversamente proporcional à amplitude do sinal de informação.
( ) Na modulação PPM, são utilizados pulsos de largura constante e a posição ou instante de ocorrência de cada pulso, em relação a um instante de referência, é proporcional ao sinal de informação.
( ) Uma desvantagem da modulação PCM é seu requisito de maior banda passante. Por exemplo, em um sistema PCM simples de 3 bits, devem ser transmitidos 3(três) pulsos, ao passo que apenas 1(um) é transmitido para a amostra PAM.
Provas
Questão presente nas seguintes provas
Na configuração emissor-comum de um TBJ, pode-se afirmar que o (a)
Provas
Questão presente nas seguintes provas
Qual é o valor médio da tensão de uma onda ca, se o valor de pico-a-pico é de 160V?
Provas
Questão presente nas seguintes provas
A figura abaixo mostra as curvas características de um TBJ e os pontos de operação A, B, C e D. Com base nas informações fornecidas, assinale a alternativa que apresenta o melhor ponto de operação em termos de ganho linear e máxima excursão possível para tensão e corrente de saída.

Provas
Questão presente nas seguintes provas
Assinale a alternativa em que a frase não condiz com o tipo de voz verbal mencionado.
Provas
Questão presente nas seguintes provas
2495146
Ano: 2014
Disciplina: Engenharia de Telecomunicações
Banca: DIRENS Aeronáutica
Orgão: EEAr
Disciplina: Engenharia de Telecomunicações
Banca: DIRENS Aeronáutica
Orgão: EEAr
Provas:
Correlacione as colunas abaixo e, em seguida, assinale a alternativa que apresenta a sequência correta.
(1) Guia de onda
(2) Fibra óptica
(3) Casamento de impedância
( ) O meio dielétrico, que conduz a luz, é leve, flexível e resistente. Nesse meio de transmissão, a atenuação do sinal independe da frequência.
( ) Estruturas ocas, feitas de bons condutores elétricos que refletem, internamente, as ondas eletromagnéticas. Os sinais, que trafegam por esse meio, são considerados, para fins de análise, ondas planas uniformes.
( ) Relaciona, diretamente, informações sobre potência incidente e potência refletida de uma transmissão. Em casos de mau acoplamento, a potência refletida pode danificar o transmissor.
Provas
Questão presente nas seguintes provas
No diodo abaixo, qual o nome da região delimitada e indicada pela letra A?

Provas
Questão presente nas seguintes provas
Marque a alternativa que corresponde à conversão do número ( )16 2B3 para o sistema decimal.
Provas
Questão presente nas seguintes provas
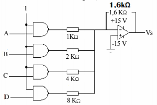
Calcule a tensão analógica de saída (Vs) para a entrada !$ 1011_2 !$ , sabendo-se que as portas lógicas do conversor D/A, da figura abaixo, pertencem à família TTL (nível 1 de saída = 5V). ado: A = MSB e D = LSB. Em seguida, assinale a alternativa correta.

Provas
Questão presente nas seguintes provas
Dado o circuito abaixo, calcule a resistência equivalente de Thevenin (Rth) entre os pontos A e B. Em seguida, assinale a alternativa correta.

Provas
Questão presente nas seguintes provas
Cadernos
Caderno Container