Foram encontradas 100 questões.
Nos períodos abaixo, o número de palavras que devem receber acento gráfico está corretamente indicado em qual alternativa?
Provas
Questão presente nas seguintes provas
Analise as afirmações sobre contadores.
I- Os contadores assíncronos diferem dos síncronos por apresentarem atraso de propagação (tpd).
II- Um contador assíncrono de módulo 16 possui 8 flip-flops.
III- Em qualquer contador, o sinal na saída do último FF (MSB) tem uma frequência igual à frequência do clock de entrada dividida pelo módulo do contador.
IV- O módulo é sempre igual ao número de estados que o contador percorre em cada ciclo completo de contagem antes de reciclar o estado inicial.
Estão corretas, apenas
Provas
Questão presente nas seguintes provas
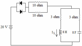
Sabendo que !$ \pi=3,14 !$ e que os diodos são ideais, calcule o valor da corrente IL e assinale a alternativa correta.
Dados: !$ \mathsf{XC=\dfrac{1}{2.\pi.f.C}} !$ e !$ \mathsf{X_L=2.~\pi.f.~L} !$

Provas
Questão presente nas seguintes provas
Assinale a alternativa que traz a correta classificação do termo em destaque em: “Positiva ou negativamente, às vezes é necessária a intervenção do Estado na economia”.
Provas
Questão presente nas seguintes provas
O diagrama abaixo representa uma versão simplificada do circuito interno de um flip-flop

Provas
Questão presente nas seguintes provas
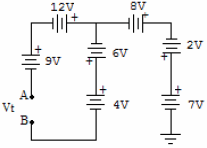
Calcule Vt entre A e B e, em seguida, assinale alternativa correta.

Provas
Questão presente nas seguintes provas
Observe:
Saberás que não te amo e que te amo
Posto que de dois modos é a vida,
A palavra é uma asa do silêncio,
O fogo tem uma metade de frio.
Posto que de dois modos é a vida,
A palavra é uma asa do silêncio,
O fogo tem uma metade de frio.
A locução conjuntiva em destaque expressa ideia de
Provas
Questão presente nas seguintes provas
Considerando o ponto Q, definido na reta de carga abaixo, determine o valor de RB.

Está correta a alternativa:
Provas
Questão presente nas seguintes provas
1391054
Ano: 2013
Disciplina: Engenharia de Telecomunicações
Banca: DIRENS Aeronáutica
Orgão: EEAr
Disciplina: Engenharia de Telecomunicações
Banca: DIRENS Aeronáutica
Orgão: EEAr
Provas:
A ionosfera é utilizada para a refração de ondas na faixa de
Provas
Questão presente nas seguintes provas
Assinale a alternativa em que a concordância nominal está incorreta em relação à norma culta.
Provas
Questão presente nas seguintes provas
Cadernos
Caderno Container