Foram encontradas 100 questões.
Sobre diodos, assinale a afirmativa incorreta.
Provas
Questão presente nas seguintes provas
Determine a carga acumulada num dielétrico por uma corrente de 6 A após 8 segundos. Assinale a alternativa correta.
Provas
Questão presente nas seguintes provas
Analise o circuito abaixo e assinale a alternativa com a afirmação correta.

Provas
Questão presente nas seguintes provas
Uma empresa de telecomunicações foi contratada com a função de instalar uma antena para ser utilizada, principalmente, em transmissões na faixa de UHF. Qual o tipo de antena mais indicado para essa finalidade?
Provas
Questão presente nas seguintes provas
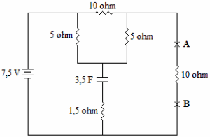
Determine o valor da resistência equivalente de Thevenin (Rth) entre os pontos A e B do circuito abaixo. Em seguida, assinale alternativa que apresenta o valor correto.

Provas
Questão presente nas seguintes provas
Leia:
Troque seus pontos por momentos que você não troca por nada.
Assinale a alternativa correta quanto às formas verbais acima destacadas.
Provas
Questão presente nas seguintes provas
Analise o circuito abaixo e assinale a alternativa correta. Considere os diodos ideais.

Provas
Questão presente nas seguintes provas
1381226
Ano: 2013
Disciplina: Engenharia de Telecomunicações
Banca: DIRENS Aeronáutica
Orgão: EEAr
Disciplina: Engenharia de Telecomunicações
Banca: DIRENS Aeronáutica
Orgão: EEAr
Provas:
Marque V para verdadeiro ou F para falso e, em seguida, assinale a alternativa que contém a sequência correta.
Dado: S/H: Sample & Hold
( ) O tempo de aquisição de um circuito de amostragem e retenção (S/H) é definido como o tempo de espera para se passar do modo de retenção a partir de um comando de amostragem.
( ) A porta de transmissão de um circuito de amostragem e retenção (S/H) é formada por dois Transistores de Unijunção em paralelo.
( ) A velocidade máxima de uma amostragem de um circuito S/H é determinada pelo nível de tensão do sinal no buffer de entrada.
Provas
Questão presente nas seguintes provas
Calcule a corrente de dreno de um JFET para uma tensão de porta-fonte de -2 V, e assinale a alternativa que apresenta o valor correto.
Dados: IDSS = 6 mA e VGS(Off) = - 4V.
Provas
Questão presente nas seguintes provas
No circuito abaixo, um voltímetro é usado para medir a tensão sobre o diodo. A ponteira vermelha é colocada no ponto X e a comum no ponto Y; com isso, mede-se 5 V em seus terminais. Assinale a alternativa correta.

Provas
Questão presente nas seguintes provas
Cadernos
Caderno Container