Foram encontradas 100 questões.
Determine a freqüência de oscilação do circuito da figura abaixo.

Provas
Questão presente nas seguintes provas
Simplifique a expressão abaixo e assinale a alternativa correta.
\( \overline {A}B \overline {C} + \overline {A} \overline {B} \overline {C} + A B \overline {C} + A \overline {B} \overline {C} \)
Provas
Questão presente nas seguintes provas
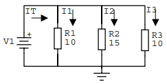
Determine, no circuito abaixo, os valores de \( I_2 \) e \( V_1 \).
Dado:\( I_T = 5A. \)
Obs.: valores das resistências em OHMS.

Provas
Questão presente nas seguintes provas
Marque a alternativa em que todas as palavras possuem a mesma tonicidade, independente das regras de acentuação gráfica que as regem.
Obs.: os acentos foram retirados propositadamente para esta questão.
Provas
Questão presente nas seguintes provas
Observe os períodos:
I – “Escobar refletiu um instante e acabou dizendo que o correspondente do pai esperava por ele.”
II – “Enlameado até a cintura, Tiãozinho cresce de ódio. Se pudesse matar o carreiro... Deixa eu crescer!... Deixa eu ficar grande!”
III – “— Cuidado, Levindo — disse Nando. — Violência é coisa que quem procura encontra sempre.
IV – “Depois referiu uma história de sonhos e afirmou-me que só tivera um pesadelo, em criança.”
Há discurso indireto em
Provas
Questão presente nas seguintes provas
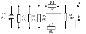
Determine a corrente de curto-circuito \( I_N \) e a resistência \( R_N \) do circuito equivalente de Norton da rede abaixo, vista a partir dos terminais ‘a’ e ‘b’. Obs.: valores das resistências em OHMS.

Provas
Questão presente nas seguintes provas
Relacione as colunas e escolha a alternativa com a seqüência correta.
1 – 378
2 – \( 32F_{16} \)
3 – 874
4 – \( 10001001_2 \)
( ) \( 5457_8 \)
( ) \( 17A_16 \)
( ) 137
( ) 1000 0111 0100 \( _{BCD} \)
Provas
Questão presente nas seguintes provas
Qual é a intensidade de campo de uma bobina com 80 espiras e 20 cm de comprimento, quando por ela passa uma corrente de 6A?
Provas
Questão presente nas seguintes provas
1314781
Ano: 2007
Disciplina: Engenharia de Telecomunicações
Banca: DIRENS Aeronáutica
Orgão: EEAr
Disciplina: Engenharia de Telecomunicações
Banca: DIRENS Aeronáutica
Orgão: EEAr
Provas:
A modulação, tanto em AM como em FM, é um processo de grande importância utilizado nas comunicações, pois sem ela
Provas
Questão presente nas seguintes provas
Apenas em uma das frases abaixo, um adjetivo não poderá se transformar em advérbio de modo terminado em mente. Assinale-a.
Provas
Questão presente nas seguintes provas
Cadernos
Caderno Container