Foram encontradas 100 questões.
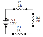
Calcular a tensão ( V ) de cada resistor, R1=1k\( Ω \), R2=2k\( Ω \), R3=3k\( Ω \), do circuito abaixo e assinale a alternativa correta

Provas
Questão presente nas seguintes provas
O valor de um resistor tem como limite de resistência real a tolerância. Um resistor de carbono, que tem valor de resistência real de 1k\( Ω \) e tolerância de \( ± \) 20%, pode ter qualquer valor resistivo real entre os valores
Provas
Questão presente nas seguintes provas
- Transformadores e Máquinas ElétricasMáquinas EstáticasTransformadores Trifásicos e Autotransformadores
Praticamente abandona-se o emprego do autotransformador quando a relação entre alta e baixa tensão é maior que ____.
Provas
Questão presente nas seguintes provas
Assinale a alternativa em que há erro no emprego do acento grave.
Provas
Questão presente nas seguintes provas
Se o valor eficaz de uma onda senoidal alternada equivale a 0,707 vezes o valor de pico desta onda, qual será o valor aproximado em rms de uma tensão de pico de 180V?
Provas
Questão presente nas seguintes provas
Marque a alternativa em que a classificação quanto ao tipo de sujeito, colocada entre parênteses, está incorreta.
Provas
Questão presente nas seguintes provas
Assinale a alternativa em que não ocorre discurso indireto livre.
Provas
Questão presente nas seguintes provas
Marque a alternativa em que, omitindo-se as aspas, se altera o sentido da frase.
Provas
Questão presente nas seguintes provas
Observando as regras de acentuação, assinale a alternativa em que todas as palavras estão corretas.
Provas
Questão presente nas seguintes provas
Assinale a alternativa que completa corretamente a lacuna da assertiva abaixo.
Para se obter uma corrente maior, a bateria é formada por pilhas em circuito ___________.
Provas
Questão presente nas seguintes provas
Cadernos
Caderno Container