Foram encontradas 890 questões.
A Portaria nº 518/2004 do Ministério da Saúde estabelece que sejam determinados, na água, para aferição de sua potabilidade, a presença de coliformes totais e termotolerantes de preferência Escherichia coli e a contagem de bactérias heterotróficas. A razão da escolha desse grupo de bactérias como indicador de contaminação da água deve-se a diversos fatores.
Analise as afirmativas e assinale a opção correta.
I. Estão presentes nas fezes de animais de sangue quente, inclusive os seres humanos.
II. Sua presença na água não possui uma relação direta com o grau de contaminação fecal.
III. São facilmente detectáveis e quantificáveis por técnicas simples e economicamente viáveis, em qualquer tipo de água.
Provas
Provas
Provas

Infelizmente, ainda se encontram situações em que pais transportam crianças na garupa de motocicletas. É perigoso, pois a criança não possui os reflexos necessários para esse tipo de transporte. O CTB prevê a seguinte punição para o condutor de motocicleta que transporta criança com menos de 7 anos:
Provas
Provas
Dentro dessa técnica, a determinação da relação entre absorbância e concentração pode ser realizada pelo intermédio de um artifício chamado de curva padrão. Foi realizado um experimento de uma curva padrão a partir de uma série de amostras de Sulfato de cobre e obtida a curva padrão.

Ao receber uma amostra que apresentou a leitura de A(%)=7,2
Provas
Considerando que o deslocamento da viga é muito pequeno se comparado às suas dimensões, o valor da deflexão máxima da viga após o carregamento é dado pela expressão:
Provas
Provas
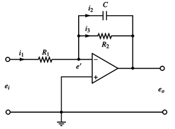
Considere e0 (t) e ei (t) a saída e a entrada do circuito com amplificador operacional ideal apresentado abaixo.

A função de transferência do circuito acima E0 (s) Ei ⁄ (s) é:
Provas
Considere o circuito e curva corrente de base versus tensão base-coletor apresentados na sequência para responder à questão.

Considerando os dados apresentados no circuito acima, a corrente de base (IB) é igual a:
Provas
Caderno Container