Foram encontradas 480 questões.
A princípio, cada um dos ativos da entidade é um ativo separado. Contudo, para fins contábeis, direitos relacionados geralmente são tratados como
Provas
Em conformidade com o Regulamento do Imposto de Renda, a base de cálculo do imposto sobre a renda, determinada segundo a lei vigente à data de ocorrência do fato gerador, corresponde ao
Provas
De acordo com as normas contábeis vigentes, o Livro Diário e o Livro Razão, em forma digital, quando exigível por legislação específica, devem revestir-se de formalidades extrínsecas e ser
Provas
Em uma rede de distribuição aérea, um grampo paralelo bimetálico é utilizado para
Provas
Conforme a NBR-5410, as conexões em condutores de uma rede elétrica subterrânea devem ser acessíveis para verificação, ensaios e manutenção, exceto nos seguintes casos:
Provas
Um circuito possui três cargas conectadas em paralelo, com as seguintes características:
Carga 1: Potência Aparente = 5 kVA; Fator de Potência = 0,80
Carga 2: Potência Ativa = 16 kW; Potência Aparente = 20 kVA
Carga 3: Potência Ativa = 18 kW; Fator de Potência = 0,75
A Potência Aparente e o Fator de Potência total deste circuito são, respectivamente:
Provas
Uma chave de partida direta composta por um contator tripolar e um relé de sobrecarga é utilizada no acionamento de uma motobomba centrífuga. Ao ser comandada externamente, nota-se que o contator atraca normalmente, mas o motor não funciona. Por precaução, os terminais de alimentação do motor foram desligados, e o eletricista mediu as tensões de entrada e de saída da chave de partida, encontrando os seguintes valores:
| Tensões de Linha | Entrada da Chave | Saída Chave Desligada | Saída Chave ligada |
| VAB | 220 V | 0 V | 0 V |
| VBC | 220 V | 0 V | 220 V |
| VCA | 220 V | 0 V | 0 V |
Sabendo-se que o relé de sobrecarga encontra-se em perfeitas condições de operação, e que o acionamento eletromecânico do contator é normal, assinale a alternativa que indica a causa do defeito.
Provas
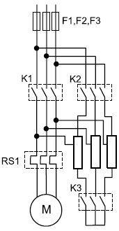
O desenho a seguir representa o diagrama esquemático de um:

Provas
Um motor de indução trifásico possui 12 terminais, conforme o diagrama mostrado na figura a seguir.

Se cada bobina simbolizada no diagrama tem tensão nominal de 190 V, qual será a tensão de linha de operação deste motor quando estiver conectado em Δ simples?
Provas
Disciplina: Administração Financeira e Orçamentária
Banca: VUNESP
Orgão: CODEN
Para fins contábeis, quanto ao impacto na situação patrimonial líquida, a receita pode ser “efetiva” ou “não efetiva”. A Receita Orçamentária Efetiva é aquela em que os ingressos de
Provas
Caderno Container