Foram encontradas 480 questões.
Considere a figura:

A figura representa o sistema hidráulico denominado circuito
Provas
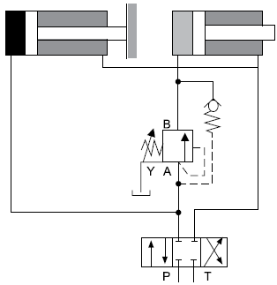
Considere a figura:

A válvula apresentada na figura é denominada válvula tipo
Provas
Analise a imagem:

Essa imagem representa um sistema de engrenagens denominado engrenagens cônicas com dentes
Provas
De acordo com o Anexo I do CTB, a via caracterizada por interseções em nível não semaforizadas, destinada apenas ao acesso local ou a áreas restritas, é denominada via
Provas
Entrar ou sair de lotes lindeiros, sem se posicionar corretamente ou sem zelar pela segurança dos pedestres e demais veículos, é uma infração
Provas
Fazer ou deixar que se faça reparo em veículo em via pública urbana, caracterizada como via coletora, salvo nos casos de impedimento absoluto de sua remoção e em que o veículo esteja devidamente sinalizado, é uma infração
Provas
Assinale a alternativa que contempla uma infração grave.
Provas
Analise a figura.

A placa ilustrada adverte o condutor da existência de
Provas
Analise a imagem.

Ela mostra um veículo estacionado na contra mão de direção, o que, de acordo com o artigo 181, inciso XV, do CTB, é uma infração
Provas
De acordo com as informações fornecidas pela Contabilidade da Companhia Industrial Plutão Ltda., responda à questão.

Como informações adicionais, a contabilidade forneceu:
• Adições temporárias: R$ 178.000,00
• Adições permanentes: R$ 22.000,00
• Exclusões permanentes: R$ 45.500,00
• Exclusões temporárias: R$ 18.500,00
A Empresa apresenta, ainda, expectativa de geração de lucros tributáveis futuros, determinada em estudo técnico aprovado pela Administração. Com isso, os prejuízos fiscais acumulados, no montante de R$ 400.000,00, deverão ser utilizados pela Empresa para o referido cálculo.
A soma dos valores, em reais, do imposto de renda e do respectivo adicional do imposto de renda é de
Provas
Caderno Container