Foram encontradas 780 questões.
Sobre o relacionamento com as fontes no trabalho jornalístico, é correto afirmar que o jornalista
Provas
Preencha corretamente as lacunas.
Para o idoso portador de ______________________________________requer que o Cirurgião Dentista realize o atendimento ______________, com menor duração da consulta, menos stress e que observe se o paciente está com a doença controlada.
A sequência que preenche corretamente as lacunas é
Provas
A respeito do sistema linfático do periodonto, é incorreto afirmar que a gengiva
Provas
As bactérias do gênero Streptococcus pertencem à família Streptococcaceae, sendo constituídas por cocos Gram-positivos agrupadas em forma de cadeia, as quais são responsáveis por diversas infecções humanas.
Associe corretamente a espécie de Streptococcus à(s) característica(s) laboratorial(is), imunogênica(s) e clínica(s).
ESPÉCIES
(1) Streptococcus pyogens
(2) Streptococcus pneumoniae
(3) Streptococcus agalactiae
CARACTERÍSTICAS
( ) Pertence ao grupo A de Lancefield.
( ) Pertence ao grupo B de Lancefield.
( ) É um estreptococo alfa-hemolítico.
( ) É produtor de estreptolisina O (SLO).
( ) Possui o ser humano como sua única fonte de reserva.
( ) Induz resposta imunológica T-independente que não gera memória imunológica.
A sequência correta é
Provas
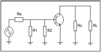
Observe o circuito a seguir.

Fonte: Arquivo Banca Elaboradora.
O circuito transistorizado, apresentado, representa qual tipo de configuração?
Provas
O modelo do COBIT 5 apresenta em suas categorias de habilitadores os veículos para a tradução do comportamento desejado em orientações práticas para gestão diária.
A sequência que apresenta corretamente esses veículos está indicada em
Provas
Avalie os quatro endereços IP, mostrados abaixo.
I. 190.46.64.36
II. 198.127.32.64
III. 205.168.37.128
IV. 192.32.128.132
Podemos afirmar que podem ser o endereço inicial de um bloco que contém 32 endereços, apenas
Provas
A seguir é mostrado o cabeçalho do IPv4.

Fonte: Arquivo Banca Elaboradora
Avalie as quatro afirmativas apresentadas sobre este cabeçalho.
I. O campo Version sempre receberá o binário 0100.
II. O tamanho mínimo de um cabeçalho IPv4 é de 20 bytes.
III. O campo Padding, é composto de bits 1 acrescidos após o campo Options para preencher todos os 32 bits da última linha.
IV. O campo Time to Live, por possuir 8 bits, se inicia sempre em 255 e é decrementado de um sempre que o pacote passar por um roteador.
Está correto apenas o que se afirma em
Provas
Diversos são os instrumentos direcionados à avaliação do equilíbrio corporal em idosos e uma avaliação ampla deve preceder qualquer abordagem fisioterapêutica.
Qual a escala de avaliação utilizada para determinar os fatores de risco para a perda da independência e as quedas em idosos que contempla 14 itens comuns à vida diária, pontuados em uma escala ordinal de cinco alternativas que variam de 0 a 4 pontos?
Provas
Conforme estabelecido na Constituição da República Federativa do Brasil, a União, os Estados, o Distrito Federal e os Municípios poderão instituir impostos; taxas, em razão do exercício do poder de polícia ou pela utilização, efetiva ou potencial, de serviços públicos específicos e divisíveis, prestados ao contribuinte ou postos a sua disposição, bem como contribuição de melhoria, decorrente de obras públicas.
A esse respeito, é correto afirmar que compete à União instituir impostos sobre
Provas
Caderno Container