Foram encontradas 897 questões.
Sobre o trauma dentoalveolar e seu manejo, é correto afirmar que
Provas
Disciplina: Estatuto do Idoso - Lei 10.741/2003
Banca: DIRENS Aeronáutica
Orgão: CIAAR
Provas
No circuito abaixo, os instrumentos de medição são ideais. Os valores lidos pelo amperímetro e pelo voltímetro são, respectivamente, de 40A e 250V. A medição feita com o wattímetro é de 8kW. As cargas 1, 2 e 3 são motores instalados em um certo local.
Em relação à carga 4, sabe-se apenas que é de natureza capacitiva.

Fonte: Arquivo da Banca Elaboradora.
Considerando as informações apresentadas, a potência aparente fornecida pela rede elétrica é de
Provas
As infecções de sítio cirúrgico (ISC) estão entre 14 – 16% das causas de infecções nos serviços de saúde no Brasil. A antibioticoprofilaxia cirúrgica tem por objetivo principal prevenir as ISC, para tanto, deve-se ter uma abordagem padronizada do uso racional, seguro e efetivo dos antimicrobianos.
Considerando o exposto, informe se é verdadeiro (V) ou falso (F) o que se afirma abaixo.
( ) A antibioticoprofilaxia pode ser caracterizada como profilaxia primária, secundária ou emergencial.
( ) A via de administração da antibioticoterapia é exclusivamente endovenosa, por atingir a concentração plasmática e tecidual de maneira mais rápida e homogênea.
( ) O risco relativo de redução de infecção do sítio cirúrgico a partir do uso de antibioticoprofilaxia é o mesmo, tanto em cirurgias limpas, quanto em cirurgias contaminadas.
( ) O farmacêutico tem como função primordial, na prática da antibioticoprofilaxia, avaliar se a antibioticoterapia foi suspensa em até 48 horas após o início da cirurgia, promovendo a utilização racional.
Marque a alternativa com a sequência correta.
Provas
II. Desconsiderar as opiniões e conhecimentos prévios dos alunos no decorrer da aula.
III. Considerar a capacidade cognitiva de seus alunos.
IV. Cumprir rigorosamente com o tempo determinado para a aula.
V. Avaliar processualmente a aula.
Provas
A higiene bucal mal f eita em muitos indivíduos com deficiência mental pode ser parcialmente explicada por limitações nas habilidades pessoais ou dificuldades técnicas, como incapacidade de movimentos corretos com a escova de dentes. Desse modo, na maior parte das vezes, os cuidados com a cavidade bucal do paciente com deficiência mental são responsabilidade de um cuidador ou familiar. Abaixo foram listadas algumas características da deficiência mental.
I. A etiologia da deficiência mental é diversificada, podendo ser genética ou ambiental.
II. A prevalência de indivíduos com deficiência mental na população é de aproximadamente 0,10%.
III. A deficiência mental refere-se a uma inaptidão persistente com prejuízo nas habilidades mentais e adaptativas.
IV. A deficiência mental pode ser categorizada a partir da avaliação do Quociente de Inteligência (QI) em deficiência mental leve, moderada, grave e severa.
Está correto apenas o que se afirma em
Provas
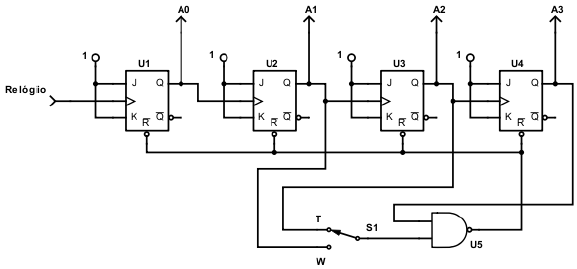
Abaixo temos um contador digital implementado com 4 (quatro) flip-flops tipo JK.

Fonte: Arquivo da Banca Elaboradora.
Informe se é verdadeiro (V) ou falso (F) o que se afirma abaixo sobre o contador digital.
( ) É um contador modo 16.
( ) Quando a chave S1 está no posição T (tal como na figura), é um contador modo 13.
( ) Quando a chave S1 está no posição W (posição outra do que a da figura) é um contador modo 10.
( ) Além dos estados firmes que definem o modo do contador, esse contador apesenta um estado de transição.
Marque a alternativa com a sequência correta.
Provas
No mundo contemporâneo, os modelos de assistência à saúde passam por profundas e sensíveis transformações resultantes da demanda por serviços, da incorporação de tecnologias e dos desafios de sustentabilidade do seu funcionamento. Esses fatores provocam mudanças na forma de produzir o cuidado à saúde das pessoas, há um tempo em que contribuem para redefiniçao da divisão social do trabalho entre as profissões da saúde. No uso de suas atribuições, o Conselho Federal de Farmácia (CFF) regulou a prescrição farmacêutica por meio da Resolução nº 586, de 29 de agosto de 2013.
A respeito da prescrição farmacêutica, pode-se afirmar que o farmacêutico poderá prescrever
Provas
Disciplina: Administração de Recursos Materiais
Banca: DIRENS Aeronáutica
Orgão: CIAAR
O ciclo logístico de atividades representa os elementos do trabalho necessários para completar a logística relacionada ao atendimento ao cliente, à manufatura ou ao suprimento.
Qual das alternativas a seguir apresenta exemplos de atividade do ciclo logístico?
Provas
Os testes de Coombs direto e indireto desempenham um importante papel na medicina transfusional, bem como no diagnóstico das anemias hemolíticas imunes.
Assinale a afirmativa correta.
Provas
Caderno Container