Foram encontradas 780 questões.
Provas
É o agente causador da infecção gengivoestomatite herpética
Provas
Assinale a alternativa incorreta no que diz respeito à frenectomia.
Provas
Uma idealização do funcionamento dos motores de combustão interna é o ciclo Otto. Apesar de conter diversas hipóteses simplificadoras, a análise do ciclo Otto pode conter informações sobre quais parâmetros influenciam a eficiência de um motor de combustão interna. Analisando o diagrama p-v abaixo, assinale a alternativa correta quanto aos processos de um ciclo Otto.

(Adaptado de MORAN, Michael J.; SHAPIRO,
Howard N. Fundamentals of Engineering Thermodynamics. 5th ed. John Wiley & Sons, 2003.)
Provas
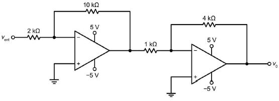
A figura abaixo esquematiza um circuito que emprega dois amplificadores operacionais alimentados com ±5 V, onde vent e v0 são as tensões de entrada e saída, respectivamente.

Considere as seguintes afirmações acerca do circuito acima.
I. Ambos amplificadores operacionais estão operando na configuração amplificador inversor.
II. Para uma tensão de entrada vent = 0,4 V, a tensão de saída é igual a 8 V.
III. A tensão de saída v0 terá uma fase de 180º em relação à vent.
Está correto apenas o que se afirma em
Provas
A figura abaixo mostra um contador síncrono de 4 bits implementado a partir de flip-flops JK, onde Q3, Q2, Q1 e Q0 são as saídas binárias de cada flip-flop e o Q3 é o bit mais significativo (Most Signficant Bit – MSB) desse contador.

Para o circuito acima as entradas Presets (PR) estão em nível alto o tempo todo e os valores iniciais das entradas Clock (CLK) e Clear são mostrados na figura abaixo. Enquanto o circuito desse contador permanecer ligado e após o período inicial de tempo mostrado na figura abaixo, o CLK continuará alternando entre os níveis baixo e alto e CLR=1.

A sequência numérica, na base decimal, da saída desse contador síncrono é representada por:
Provas
Provas
- Gerenciamento de ProcessosEscalonamento de Processos
- Gerenciamento de ProcessosSwapping (Troca de Processos)
Sobre o escalonamento de longo, médio e curto prazo, relacione as duas colunas, e em seguida, marque a sequência correta nas alternativas abaixo.
(1) Longo Prazo
(2) Médio Prazo
(3) Curto Prazo
( ) conhecido como dispatcher.
( ) responsável pelo swapping.
( ) responsável por alocar CPU a processo.
( ) controla o grau de multiprogramação.
Provas
A corrosão é um fenômeno que merece particular atenção tendo em vista as consequências que acarretam nas instalações prediais de água fria. Associe as duas colunas relacionando os tipos de corrosão as suas definições.
Corrosão
(1) Galvânica
(2) Generalizada
(3) Por erosão
(4) Por pite
Definição
( ) a camada protetora que se forma nos metais é danificada pelo escoamento da água.
( ) ocorre de maneira uniforme em toda área do metal provocando perda de espessura do tubo.
( ) ocorre devido à presença de metais e ligas com potenciais de eletrodo diferentes entram em contato pela presença de água.
( ) ocorrência localizada que induz a perfuração na região de manifestação.
Provas
Sobre o método de anestesia local, marque a alternativa correta.
Provas
Caderno Container