Foram encontradas 749 questões.
Provas
O diabetes é uma doença que tem sido relacionada a alguns problemas bucais como:
I. candidíase oral;
II. glossite migratória benigna;
III. língua avermelhada e saburrosa;
IV. queilite actínica.
Estão corretas somente as alternativas
Provas
Marque a alternativa que corresponde ao significado da simbologia do instrumento de medida apresentado a seguir identificado no canto inferior esquerdo do mostrador.

Provas
Disciplina: TI - Sistemas Operacionais
Banca: DIRENS Aeronáutica
Orgão: CIAAR
Provas
O peróxido de carbamida a 10%, frequentemente empregado na técnica de clareamento caseiro, corresponde a, aproximadamente,
Provas
Conforme a Resolução da ANEEL nº 456 de 2000, o grupo “B” é caracterizado pela estruturação tarifária monômia, composto de unidades consumidoras com fornecimento em tensão inferior a 2,3 kV, atendidas em tensão superior a 2,3 k V, e subdividido nos subgrupos B1, B2, B3 e B4. Em relação ao tipo de consumidor dos subgrupos, marque a alternativa incorreta.
Provas
Provas
O controle de biofilme é a remoção de biofilme dental de uma forma regular e a prevenção do seu acúmulo sobre o dente e superfícies gengivais adjacentes. Um dos fatores que facilitam o controle de biofilme é a utilização de uma escova de dentes adequada. Diante do exposto, analise.
I. As cerdas com bordas arredondadas causam menos injúrias à gengiva do que as cerdas com corte plano e bordas cortantes.
II. A dureza das cerdas é proporcional ao quadrado do comprimento e inversamente proporcional ao quadrado do diâmetro.
III. O modo pelo qual a escova é usada e a abrasividade do dentifrício afetam mais a ação da limpeza e abrasão do que o próprio grau de dureza das cerdas.
IV. Discreta angulação da escova não melhora o acesso para a remoção de placa em condições de escovação supervisionada.
Estão corretas somente as afirmativas
Provas
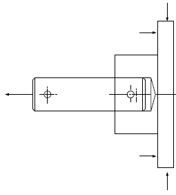
A figura abaixo, apresenta um eixo, que está sendo solicitado por uma força axial, enquanto a roda está travada por forças normais e radiais. Na figura está indicado um pino que tem diâmetro 6,0 mm e comprimento igual ao diâmetro do cubo da roda. Considere que todos os componentes são de aço com limite de escoamento de 210 MPa e 300 MPa de limite de ruptura à tração, 140 MPa e 200 MPa, para cisalhamento, respectivamente. O ajuste entre o eixo e o furo do cubo da roda determina uma força de atrito de 500 N.
Eixo e roda sobre tração

Determine o menor valor da força que atua sobre o eixo capaz de romper a ligação entre este componente e a roda. Assinale a alternativa que apresenta o valor correto. (Apino = 28,26 mm2)
Provas
Disciplina: TI - Redes de Computadores
Banca: DIRENS Aeronáutica
Orgão: CIAAR
Provas
Caderno Container