Foram encontradas 2.095 questões.
Sobre as fontes de luz de espectrofotômetros, complete as sentenças a seguir e assinale a alternativa correta.
“A fonte de luz para medidas na região do visível do espectro é normalmente uma lâmpada de . Porém esta lâmpada não fornece energia suficiente para leituras na região do ultravioleta. Lâmpadas de são fontes de espectro na região UV.”
Provas
Um motor de corrente contínua em série tem os seguintes parâmetros: resistência do enrolamento de armadura de 0,1Ω (neste valor está incluído a resistência dos enrolamentos compensadores) e a resistência do enrolamento de campo em série de 0,15Ω. Este motor atende a uma carga que absorve da linha uma corrente de 48 A quando acionado em 230 V com uma velocidade de 720 rpm. Considerando que se a carga mecânica aumentar seu torque em 10% em relação ao torque inicial, a velocidade irá
Provas
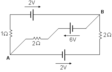
No circuito abaixo, qual a tensão entre os pontos A e B?

Provas
Indique a opção que completa corretamente as lacunas da assertiva a seguir.
“O principal regulador da produção de plaquetas é o hormônio , constitucionalmente produzido pelo(a) , e pelo(a) .”
Provas
Marque verdadeiro (V) ou falso (F) e marque a resposta com a sequência correta .
( ) Corrente nominal é a máxima corrente que o fusível pode suportar continuamente sem aquecer-se acima de limites especificados.
( ) Tensão nominal é a tensão cujo valor dimensiona a isolação do fusível.
( ) Num fusível, a corrente e o tempo de desligamento são grandezas diretamente proporcionais.
( ) Intensidade de ruptura é a menor corrente de curto-circuito que o fusível pode interromper sob uma dada tensão.
Provas
- Sistemas de ArquivosFundamentos sobre Sistema de Arquivos
- Sistemas de ArquivosMétodos de Alocação de Espaço em Disco
Na alocação encadeada de blocos de um arquivo, é correto afirmar que
Provas
A respeito de corrente alternada, relacione a primeira coluna com a segunda, e marque a resposta correta.
( A ) O valor máximo da tensão(corrente)
( B ) Valor eficaz ou RMS
( C ) Valor médio, Vm
( D ) Valor de pico a pico, Vpp
( ) A média temporal do sinal em meio período.
( ) A diferença entre o valor máximo e o mínimo valor da amplitude.
( ) O valor obtido quando relacionamos o valor da potência calculada por efeito joule e pelo valor Médio.
( ) É também chamado de “Valor de pico”, Vp, e é o valor desde zero até a máxima ou mínima amplitude.
Provas
Denomina-se traço a maneira de exprimir a composição do concreto. Este pode ser indicado pelas proporções em peso como em volume. Se numa mistura de concreto, o agregado miúdo representa 40% do total de agregados em peso e o cimento 25% da massa total do concreto, para essa mistura, o traço, em peso, é
Provas
Texto II para a questão
Mas a natureza não mata apenas com enchentes, deslizamentos, terremotos e tsunamis. Mata pela mão dos humanos, o que pode parecer um fato em escala menor, mas é bem mais preocupante. Homens, mulheres e meninos bomba quase diariamente se explodem levando consigo dezenas de vidas inocentes: pais de família, mães ou crianças, mulheres fazendo a feira, jovens indo para a escola. Bandidos incendeiam um ônibus com passageiros dentro: dois morrem logo, outros vários curtem em hospitais o grave sofrimento dos queimados. Não tinham nada a ver com a bandidagem, estavam apenas indo para o trabalho, ou vindo dele. Assaltantes explodem bancos em cidades do interior antes tranquilas. Criminosos sequestram casais ou famílias inteiras e os submetem aos maiores vexames e terror. Como está virando costume, a gente agradece por escapar com vida.
(Lya Luft Revista Veja – Edição 2156 / 17 de março de 2010, fragmento)
Considerando o número de letras e fonemas das palavras a seguir, relacione a coluna da direita com a da esquerda e depois marque a sequência correta a seguir.
( 1 ) natureza
( 2 ) enchentes
( 3 ) hospitais
( 4 ) explodem
( ) 8 letras e 8 fonemas
( ) 8 letras e 7 fonemas
( ) 9 letras e 6 fonemas
( ) 9 letras e 8 fonemas
Provas
Sobre a tecnologia das famílias lógicas TTL e CMOS, marque (V) para afirmativas verdadeiras e (F) para falsas.
( ) A família lógica TTL em comparação a família CMOS possui maior imunidade ao ruído na tensão de alimentação.
( ) A família lógica CMOS possui maior complexidade e maior custo de fabricação em comparação com a família TTL.
( ) A família lógica CMOS podem acomodar um maior número de elementos de circuito em um único chip em relação a família TTL.
( ) As das principais desvantagens da família TTL é a sua suscetibilidade em se danificar por eletricidade estática e dissipar maior potência que a família CMOS.
Marque a alternativa que corresponde a sequência correta
Provas
Caderno Container