Foram encontradas 487 questões.
Para remover um atalho da Área de Trabalho do Windows XP, deve-se
Provas
Após um aumento de 20%, o preço de um artigo A passou a ser R$ 18,00. Após um aumento de 10%, o preço de um artigo B passou a ser R$ 22,00. O artigo A e o artigo B antes do aumento, em reais, custavam, respectivamente,
Provas
Considerando o MPS.BR (Melhoria de Processo do Software Brasileiro), o nível de maturidade G é composto por dois processos, a saber:
Provas
Elementos pré-fabricados, segundo as definições de norma, são
Provas
Considerando que o planejamento de um projeto de engenharia possui dois enfoques, o técnico e o gerencial, sendo eles diferentes e complementares, pode-se afirmar que o planejamento gerencial inclui
1. a articulação política do projeto;
2. o estabelecimento de esquemas de comunicação;
3. a determinação da sequência atividades;
4. o estabelecimento de tempo para cada atividade.
Está correto apenas o contido em
Provas
O MPS.BR (Melhoria de Processo do Software Brasileiro) é dividido em três componentes, que são os modelos de
Provas
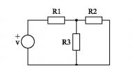
Analise o circuito a seguir para responder às questões de números 21 e 22.
Supor R1= 5 !$ \Omega !$, R2=R3=10 !$ \Omega !$,e a potência dissipada em R2=10 W.

O valor da potência dissipada em R1 e o valor de v são, respectivamente,
Provas
Considere o seguinte diagrama de sequência:

De acordo com o diagrama, pode-se afirmar que o
Provas
Observe as frases:
I Tantos feriados eram, para ele, verdadeiras bênçãos.
II. Eram tantos degrais, que ele preferiu ir de elevador.
III. São muitos os cidadões que não gostam da segunda-feira.
O plural das palavras destacadas está correto, apenas, em
Provas
Analise o circuito a seguir para responder às questões de números 21 e 22.
Supor R1= 5 !$ \Omega !$, R2=R3=10 !$ \Omega !$,e a potência dissipada em R2=10 W.

As correntes que circulam nos resistores R2 e R3 são, respectivamente,
Provas
Caderno Container