Foram encontradas 487 questões.
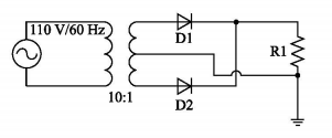
Considere o seguinte diagrama elétrico para responder às questões de números 28 e 29.

Considerando a tensão sobre R1 e adotando ângulo de fase 0º para a passagem da tensão pelo nível zero, a próxima passagem pelo nível zero ocorrerá para ângulo de fase de
Provas
Considere o seguinte diagrama elétrico para responder às questões de números 28 e 29.

Para que o circuito elétrico opere adequadamente e haja redução do ripple, tipicamente é adicionado um
Provas
Afigura a seguir apresenta dois circuitos que alimentam uma carga resistiva de mesmo valor R = 100 !$ \Omega !$. O Circuito 1 possui uma fonte de corrente contínua, enquanto o Circuito 2, uma fonte de corrente alternada senoidal.

Supondo v1 = 110 V e o valor eficaz de v2 = 110 V, é correto afirmar que a potência média transferida é
Provas
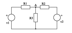
Analise o circuito a seguir para responder às questões de números 25 e 26.
Considerar: R1=R3 = 10 !$ \Omega !$ .

Para v1=10V, v2=30V e vA =20 V, o valor de R2 é
Provas
No Microsoft Access 2003, quando da criação de tabelas e seus respectivos atributos, alguns dos tipos de dados permitidos são
Provas
Considere a seguinte planilha, criada no MS-Excel 2003:
A | B | C | D | |
1 | ||||
2 | 2 | 6 | 5 | |
3 | 8 | 1 | 7 | |
4 | ||||
5 |
Nessa planilha será inserida, na célula C5, a fórmula:
=SE(B2>B3:C2+D2:C3-D3)
Nesse caso, o resultado produzido em C5 será igual a
Provas
Analise o circuito a seguir para responder às questões de números 25 e 26.
Considerar: R1=R3 = 10 !$ \Omega !$ .

Para v1= 10V, v2=20V e para que as correntes que circulam nos resistores R1 e R2 tenham o mesmo valor, o valor de R2 deve ser
Provas
Um restaurante tem três tipos de pratos em seu cardápio. O prato A custa o dobro do prato B e, este, o triplo do prato C. Numa noite de sábado, esse restaurante vendeu os pratos A, B e C conforme a tabela a seguir:
Prato | A | B | C |
Quantidade | 40 | 60 | 70 |
Foram arrecadados com a venda desses pratos R$ 4.900,00. Pode-se afirmar que o prato B custa
Provas
No MS-Word 2003, a ativação do modo de Exibição de Layout de Leitura pode ser realizada mediante o botão
Provas
O Sr. Ray mora no 6.º andar de um edifício onde cada andar tem um lance de escadas de 10 degraus. A garagem de seu veículo fica no segundo subsolo. Ontem, ao chegar em sua garagem, faltou energia elétrica e ele optou por subir pelas escadas até seu apartamento. O total de degraus que precisou subir foi
Provas
Caderno Container