Foram encontradas 940 questões.
1815730
Ano: 2018
Disciplina: Legislação Específica das Agências Reguladoras
Banca: FUMARC
Orgão: CEMIG
Disciplina: Legislação Específica das Agências Reguladoras
Banca: FUMARC
Orgão: CEMIG
Analise as seguintes afirmativas considerando a classificação das unidades consumidoras segundo a Resolução Normativa 414/2010 da ANEEL.
I. Qualquer unidade consumidora de energia elétrica será classificada em um dos dois grupos: A (alta tensão) ou B (baixa tensão).
II. As unidades consumidoras rurais são enquadradas no grupo denominado de baixa tensão.
III. O que define as unidades consumidoras como grupo de alta tensão é o recebimento de tensão superior a 2,3 kilovolts (KV) ou o atendimento a partir de sistema subterrâneo de distribuição em tensão secundária, caracterizado pela tarifa binômia.
Está CORRETO o que se afirma em:
Provas
Questão presente nas seguintes provas
1815726
Ano: 2018
Disciplina: TI - Organização e Arquitetura dos Computadores
Banca: FUMARC
Orgão: CEMIG
Disciplina: TI - Organização e Arquitetura dos Computadores
Banca: FUMARC
Orgão: CEMIG
Um microcontrolador de 8 bits de dados reserva os endereços de memória 0000(16) a 00FF(16) para a EEPROM.
Qual a capacidade total de armazenamento, em bytes, da EEPROM?
Provas
Questão presente nas seguintes provas
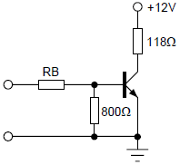
O transistor do circuito abaixo tem as seguintes características: VCEsat = 200mV, VBEsat = 800mV e deve ter uma relação IC/IB = 50 quando saturado. O lado esquerdo de RB está ligado a um circuito digital que fornece, conforme o estado lógico, 0 V ou +5 V e, dessa forma, o transistor deverá estar cortado ou saturado.
De acordo com as informações fornecidas, o valor do resistor RB é:

Provas
Questão presente nas seguintes provas
No circuito abaixo, uma carga L está conectada a uma rede elétrica pelos pontos a-b. Encontre a impedância equivalente de Thévenin dessa rede que alimenta a carga.

Provas
Questão presente nas seguintes provas
A fonte do circuito abaixo fornece uma tensão alternada senoidal com valor eficaz igual a 100 volts e frequência angular igual a 100 rad/s. O valor do indutor L que faz com que a corrente i(t) esteja em fase com a tensão v(t) é:

Provas
Questão presente nas seguintes provas
A altura do reservatório é determinante no cálculo das pressões dinâmicas nos pontos de consumo. Dessa maneira, independentemente do tipo de reservatório adotado (industrializado ou moldado in loco), deve-se posicioná-lo a uma determinada altura, para que as peças de utilização tenham um funcionamento perfeito. A altura do barrilete deve ser calculada pelo engenheiro hidráulico e, depois, compatibilizada com a altura estabelecida no projeto arquitetônico.
(CARVALHO JÚNIOR. Instalações Hidráulicas Prediais. p. 49)
Considerando esses fatos, é CORRETO afirmar em relação ao reservatório e às pressões:
Provas
Questão presente nas seguintes provas
Um substrato de silício do tipo p, com 5.1015 átomos de boro por cm3, foi a matéria prima para fabricar microcircuitos eletrônicos. Para produzir as uniões n-p, se difundiram átomos de fósforo no substrato. Na temperatura de pré-deposição de 1.000°C, a solubilidade do P no Si é 1.10 21 átomos de P/cm3. O coeficiente de difusão do P no Si na temperatura de 1.000°C é 1,2. 10-14cm2/s.
Calcule a profundidade das uniões depois da pré-deposição em tempo de 3.600s.
| Y | ERF(Y) | Y | ERF(Y) | Y | ERF(Y) | Y | ERF(Y) |
| 0 | 0 | 0,5 | 0,521 | 1,0 | 0,843 | 2,0 | 0,995 |
| 0,1 | 0,112 | 0,6 | 0,604 | 1,2 | 0,910 | 2,4 | 0,999 |
| 0,2 | 0,223 | 0,7 | 0,678 | 1,4 | 0,952 | - | - |
| 0,3 | 0,329 | 0,8 | 0,742 | 1,6 | 0,976 | - | - |
| 0,4 | 0,428 | 0,9 | 0,797 | - | - | - | - |
A profundidade das uniões é igual a
Provas
Questão presente nas seguintes provas
Cada módulo do SAP ERP é responsável por executar mais de mil processos de negócios, baseados nas práticas diárias de cada organização. Sobre alguns dos módulos SAP ERP e sua descrição resumida, correlacione as colunas a seguir:
| Módulos | Descrição |
|
I. SD
II. MM
III. FI
IV. HR
V. PS
|
( ) Monitoramento de Suprimentos e Estoque
( ) Monitoramento de Vendas e Distribuição
( ) Monitoramento do Ciclo de Vida dos Projetos
( ) Monitoramento da Contabilidade Financeira
( ) Monitoramento de Recursos Humanos
|
Está CORRETA a seguinte sequência de respostas:
Provas
Questão presente nas seguintes provas
Os ensaios Charpy e Izod consistem em determinar se
Provas
Questão presente nas seguintes provas
1815568
Ano: 2018
Disciplina: Legislação Específica das Agências Reguladoras
Banca: FUMARC
Orgão: CEMIG
Disciplina: Legislação Específica das Agências Reguladoras
Banca: FUMARC
Orgão: CEMIG
A Lei nº 12.334, de 20 de setembro de 2010, no inciso IV do Art. 16, estabelece que “o órgão fiscalizador, no âmbito de suas atribuições legais, é obrigado a articular-se com outros órgãos envolvidos com a implantação e a operação de barragens no âmbito da bacia hidrográfica”. Em relação a essa afirmativa, é CORRETO dizer que
Provas
Questão presente nas seguintes provas
Cadernos
Caderno Container