Foram encontradas 225 questões.
Numere a COLUNA II de acordo com a COLUNA I, associando corretamente o tipo de transmissão à suas características.

Assinale a sequência CORRETA.
Provas
Questão presente nas seguintes provas
Analise as especificações de um CLP utilizado na automação da partida de um motor com reversão no sentido de rotação.

Nesse caso, a especificação menos importante para a implantação dessa automação é:
Provas
Questão presente nas seguintes provas
Numere a COLUNA II de acordo com a COLUNA I, associando cada tipo de linha à sua correspondente aplicação.

Assinale a sequência CORRETA.
Provas
Questão presente nas seguintes provas
Numere a COLUNA II de acordo com a COLUNA I, associando cada termo referente aos sistemas SPDA à sua correspondente definição.

Assinale a sequência CORRETA.
Provas
Questão presente nas seguintes provas
Numere a COLUNA II de acordo com a COLUNA I, associando cada símbolo à sua correspondente descrição.

Assinale a sequência CORRETA.
Provas
Questão presente nas seguintes provas
Observe a tela do osciloscópio a seguir.

Os valores médio e eficaz desse sinal são, respectivamente, iguais a:
Provas
Questão presente nas seguintes provas
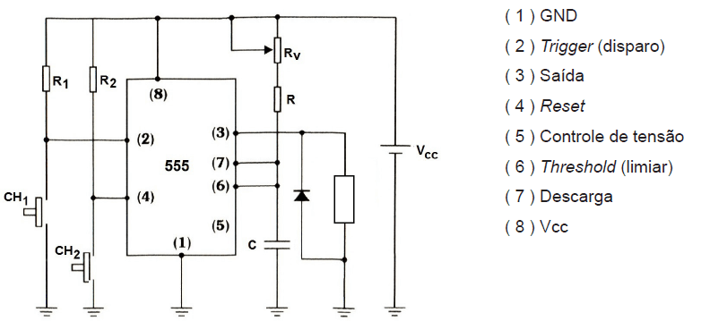
Observe a seguir o circuito que utiliza o CI 555.

Nesse caso, o CI 555 executa a função de um circuito:
Provas
Questão presente nas seguintes provas
Observe a seguir o mapa de Karnaugh da função S.

A expressão simplificada dessa função éA:
Provas
Questão presente nas seguintes provas
Relacione a COLUNA I com a COLUNA II, associando cada curva característica a seu respectivo dispositivo.

Assinale a sequência CORRETA.
Provas
Questão presente nas seguintes provas
Observe a figura a seguir, que apresenta parte de eixos de manivelas.

Analisando a figura, é CORRETO afirmar que o defeito indicado em A, B e C é:
Provas
Questão presente nas seguintes provas
Cadernos
Caderno Container