Magna Concursos

Foram encontradas 809 questões.

960973 Ano: 2015
Disciplina: Engenharia Elétrica
Banca: CESGRANRIO
Orgão: BR Distribuidora

Em relação à orçamentação de obras e serviços públicos, de acordo com a legislação vigente, a taxa de benefício e despesas indiretas

 

Provas

Questão presente nas seguintes provas
960972 Ano: 2015
Disciplina: Engenharia Elétrica
Banca: CESGRANRIO
Orgão: BR Distribuidora

Conforme a NR-10, constitui uma medida de proteção coletiva prioritária o(a)

 

Provas

Questão presente nas seguintes provas
960971 Ano: 2015
Disciplina: Engenharia Elétrica
Banca: CESGRANRIO
Orgão: BR Distribuidora

A eficiência energética é parte da política estratégica de desenvolvimento em diversos países, incluindo o Brasil.

Nesse sentido, a eficiência energética pode ser promovida pela

 

Provas

Questão presente nas seguintes provas
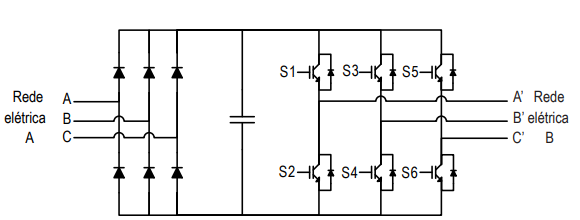
960969 Ano: 2015
Disciplina: Engenharia Eletrônica
Banca: CESGRANRIO
Orgão: BR Distribuidora

Enunciado 960969-1

A Figura acima mostra duas redes elétricas distintas que estão conectadas a um conversor de potência formado por uma ponte a diodo trifásica, um filtro capacitivo no elo de corrente contínua e uma ponte trifásica de chaves semicondutoras IGBT. A rede A tem tensão nominal de 440 V, enquanto a rede B tem tensão nominal de 220V.

Devido à forma de ligação em cada rede e às características construtivas do conversor, sua operação permite o controle da(o)

 

Provas

Questão presente nas seguintes provas
960968 Ano: 2015
Disciplina: Engenharia Elétrica
Banca: CESGRANRIO
Orgão: BR Distribuidora

Enunciado 960968-1

O diagrama da Figura acima é de um circuito de acionamento. As contatoras de força K1, K2 e K3 nunca são energizadas simultaneamente entre si. Já os relés auxiliares KA1 a KA7 e o contato KA0 formam o circuito auxiliar que propicia a energização das contatoras de força. O contato KA0 pertence a um dispositivo eletrônico que, quando acionado, dá início à comutação periódica do contato 0 com os contatos 1 e 2, iniciando pelo contato 1. Como consequência, os relés auxiliares KA1 e KA2 são acionados de forma complementar, com início de acionamento em KA1. O tempo entre cada comutação do contato KA0 é muito maior que o tempo de comutação (fechamento e abertura) dos contatos do circuito, que pode ser considerado desprezível.

O resultado do funcionamento circuito auxiliar é um ciclo periódico de energização das contatoras de força, que se repete após o fim da sequência

 

Provas

Questão presente nas seguintes provas
960967 Ano: 2015
Disciplina: Engenharia Eletrônica
Banca: CESGRANRIO
Orgão: BR Distribuidora

O emprego da eletrônica de potência nos controles elétricos contribuiu significativamente para o avanço tecnológico nessa área. O uso dos inversores de frequência associados aos motores de indução é um exemplo da utilização da eletrônica de potência no controle de velocidade de motores elétricos.

Nessa aplicação, o aumento da viabilidade econômica dos inversores favorece o emprego dos motores de indução na substituição dos motores

 

Provas

Questão presente nas seguintes provas
960965 Ano: 2015
Disciplina: Engenharia Elétrica
Banca: CESGRANRIO
Orgão: BR Distribuidora

Considerando-se a estrutura institucional atual do setor elétrico brasileiro, o órgão que, dentre outras funções, tem a de definir as diretrizes para os procedimentos licitatórios e promover as licitações destinadas à contratação de concessionários de serviço público para produção, transmissão e distribuição de energia elétrica é

 

Provas

Questão presente nas seguintes provas
960962 Ano: 2015
Disciplina: Engenharia Elétrica
Banca: CESGRANRIO
Orgão: BR Distribuidora

Um motor elétrico trifásico é alimentado por uma tensão cujo valor de linha é igual a 220 V. A corrente no motor em operação nominal é igual a 20 A, e o fator de potência indutivo é 0,9. Sabe-se que, para essa condição, o rendimento do motor é igual a 90%, e a velocidade de rotação do eixo é igual a 81 !$ \sqrt{3} !$ rad/s.

O valor, em N.m, do torque no eixo do motor é

 

Provas

Questão presente nas seguintes provas
960961 Ano: 2015
Disciplina: Engenharia Elétrica
Banca: CESGRANRIO
Orgão: BR Distribuidora

Em um sistema de automação de uma fábrica, uma chave de entrada da classe “contato normalmente aberto” (NA) se encontra aberta, sendo que, nessas condições, o circuito lógico a ela associado está interrompido.

Para esse caso, diz-se que essa chave de entrada está

 

Provas

Questão presente nas seguintes provas
960960 Ano: 2015
Disciplina: Engenharia de Automação
Banca: CESGRANRIO
Orgão: BR Distribuidora

Em condições ideais, um compensador do tipo PID em ação Proporcional-Integral-Derivativa permite introduzir, no ramo direto de um sistema de controle,

 

Provas

Questão presente nas seguintes provas