Foram encontradas 1.200 questões.
João é gerente de uma unidade de negócios e, para solucionar um conflito entre as equipes de vendas e de logística, forçou a adoção de uma solução que impôs a vontade de uma das partes sobre a outra.
João adotou um estilo de administração de conflitos denominado
Provas
Questão presente nas seguintes provas
Observação: Caso necessário, utilize a Tabela da Distribuição Normal Reduzida.
Os salários de técnicos de uma empresa se distribuem normalmente com média de R$ 3.200,00 e desvio padrão de R$ 800,00.
Selecionando-se aleatoriamente dois salários de técnicos dessa empresa, qual a probabilidade de pelo menos um deles ser superior a R$ 3.880,00?
Provas
Questão presente nas seguintes provas
Considere a suíte Microsoft Office 2003 para responder à questão.
Observe a figura da Barra de Ferramentas do aplicativo Word a seguir.

O botão de comando
, que está indicado na figura pela seta, refere-se a
, que está indicado na figura pela seta, refere-se aProvas
Questão presente nas seguintes provas
Considere a suíte Microsoft Office 2003 para responder à questão.
No aplicativo Excel, encontra-se, por padrão, no menu Inserir, o comando
Provas
Questão presente nas seguintes provas
Considere a suíte Microsoft Office 2003 para responder à questão.
O texto a seguir foi marcado e copiado de um site na internet e, em seguida, colado em um documento do aplicativo Word.
O texto a seguir foi marcado e copiado de um site na internet e, em seguida, colado em um documento do aplicativo Word.
Os sistemas numéricos binário, decimal, octal e hexadecimal possuem sua própria faixa de valores possíveis, e, cada um, uma aplicação específica dentro da Ciência da Computação.
Considere que as palavras sublinhadas nesse texto estão na coloração azul.
Nesse caso, essas palavras indicam a existência de um(a)
Provas
Questão presente nas seguintes provas
Considere a suíte Microsoft Office 2003 para responder à questão.
Observe os dois textos a seguir digitados no aplicativo Word.
Observe os dois textos a seguir digitados no aplicativo Word.
1. Os documentos inteligentes são especialmente eficientes quando usados em um processo.
2. OS DOCUMENTOS INTELIGENTES SÃO ESPECIALMENTE EFICIENTES QUANDO USADOS EM UM PROCESSO.
Para que o texto nº 1 fique no formato do texto nº 2, ou seja, em caixa alta, pode-se, após selecionar todo o texto nº 1, manter pressionada a tecla Shift e depois pressionar e soltar a tecla
Provas
Questão presente nas seguintes provas

Um transformador ideal é utilizado para alimentar uma carga resistiva de 1 Ω, conforme ilustrado na figura acima. O valor rms da tensão da fonte é igual a 120 V, e a resistência do condutor que conecta o transformador à fonte é 20 Ω.
O valor da corrente I, em ampères, é
Provas
Questão presente nas seguintes provas
O valor rms da tensão fase-fase da rede de distribuição de um sistema elétrico industrial é 220 V. Uma carga monofásica é conectada a uma das fases e ao neutro.
O valor rms aproximado, em volts, da tensão a que a carga é submetida é
Provas
Questão presente nas seguintes provas

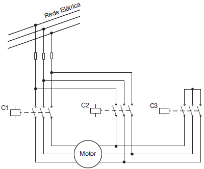
A figura acima ilustra o esquema de acionamento de um motor de indução. No instante de partida, os contatores C1 e C3 são acionados simultaneamente. Em seguida, o contator C2 é fechado, enquanto C3 é aberto.
Esse esquema de acionamento é conhecido como chave
Provas
Questão presente nas seguintes provas
A manutenção preditiva estabelece que a intervenção sobre um equipamento só é realizada quando este apresentar uma mudança na sua condição de operação.
Considere as afirmativas a seguir sobre essa forma de manutenção.
I - A manutenção preditiva indica as condições reais de funcionamento do equipamento com base em dados que informam o seu desgaste.
II - A manutenção preditiva permite estabelecer as condições para que o tempo de vida útil dos componentes do equipamento seja bem aproveitado.
III - A manutenção preditiva elimina desmontagens desnecessárias para inspeção.
Está correto o que se afirma em
Provas
Questão presente nas seguintes provas
Cadernos
Caderno Container