Foram encontradas 1.145 questões.

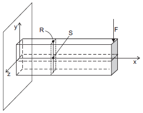
Uma viga engastada-livre é solicitada por uma força F em sua extremidade, conforme mostrado na figura. Considere uma seção interna da viga onde podem ser identificados dois pontos, R e S. O plano xz é o plano neutro da viga. Em relação ao estado de tensões atuantes nesses pontos tem-se que no ponto
Provas
Questão presente nas seguintes provas
Um grande órgão público deseja implantar um novo sistema de cadastro. O gerente de projeto percebeu, na metade do projeto, que os recursos financeiros se esgotariam antes do término do projeto. Para conversar sobre essas questões financeiras, o gerente de projeto deve procurar, segundo o PMBOK, o
Provas
Questão presente nas seguintes provas
A Geração Distribuída (GD) é hoje uma realidade no Brasil, impulsionada pela nova regulamentação do mercado de energia bem como pelos programas governamentais, como o PROINFA. A GD caracteriza-se pela inserção de unidades geradoras de menor capacidade, conectadas diretamente na rede de distribuição, localizando-se, portanto, junto aos centros consumidores. Podem ser considerados benefícios trazidos pela GD ao sistema elétrico a(o)
Provas
Questão presente nas seguintes provas
311525
Ano: 2010
Disciplina: Segurança e Saúde no Trabalho (SST)
Banca: CESGRANRIO
Orgão: BR Distribuidora
Disciplina: Segurança e Saúde no Trabalho (SST)
Banca: CESGRANRIO
Orgão: BR Distribuidora
Encontram-se em conformidade com a política de Saúde e Segurança no Trabalho (SST) estabelecida pela diretriz da Organização Internacional do Trabalho, sobre sistemas de Gestão de SST, EXCETO
Provas
Questão presente nas seguintes provas
Sobre a utilização de dispositivos DR, considere as afirmativas a seguir.
I – O uso do dispositivo DR torna opcional a utilização do condutor de proteção.
II – No momento de sua atuação, o dispositivo DR deverá seccionar apenas as fases do circuito protegido.
III – Para utilizar dispositivos DR nos esquemas de aterramento TN-C, antes do seu ponto de instalação, o esquema de aterramento deve ser convertido para TN-C-S.
Está correto APENAS o que se afirma em
Provas
Questão presente nas seguintes provas

Para o circuito acima, as leituras no Amperímetro e no Voltímetro, e a carga no capacitor, considerando-se que ambos os aparelhos sejam ideais, são
| A | V | !$ \mu C !$ |
Provas
Questão presente nas seguintes provas
311475
Ano: 2010
Disciplina: Segurança e Saúde no Trabalho (SST)
Banca: CESGRANRIO
Orgão: BR Distribuidora
Disciplina: Segurança e Saúde no Trabalho (SST)
Banca: CESGRANRIO
Orgão: BR Distribuidora
Segundo a NR 18 - Condições e Meio Ambiente de Trabalho na Indústria da Construção, todos os empregados devem receber treinamentos admissional e periódico antes de iniciar suas atividades. Esse treinamento deverá ser ministrado dentro do horário de trabalho e tem por finalidade garantir a execução de suas atividades com segurança.Qual a carga horária mínima, em horas, exigida para esse treinamento?
Provas
Questão presente nas seguintes provas
Considere que as seguintes reações químicas alcançaram o equilíbrio:
I - Reagentes !$ \rightleftharpoons !$ Produtos + Calor
II - Calor + Reagentes !$ \rightleftharpoons !$ Produtos
Se a temperatura for aumentada de certa quantidade nas duas reações, tem-se que
Provas
Questão presente nas seguintes provas
Observe a relação de Investimentos da Cia. Pacífica S.A., extraída de suas demonstrações financeiras, para responder à questão.
I – Participação de 80% do capital social votante da Cia. Morgana S.A.
II – Obras de arte
III – Terrenos para futura expansão da fábrica
IV – Aplicações temporárias em ouro
V – Participação de 7% no capital votante da empresa Frangolindo Ltda.
VI – Participação de 65% nas ações ordinárias da Cia. Petrolina S.A.
VII – Participação de 8% no capital social da empresa Transnordestina Ltda.
Informação adicional: Todas as participações acionárias são de caráter permanente.
Considerando-se exclusivamente a relação de investimento oferecida, os investimentos classificados no grupo Investimentos do Ativo Não Circulante, avaliados pelo método de custos, são APENAS
Considerando-se exclusivamente a relação de investimento oferecida, os investimentos classificados no grupo Investimentos do Ativo Não Circulante, avaliados pelo método de custos, são APENAS
Provas
Questão presente nas seguintes provas
No contexto do planejamento de mídia, afirma-se que
Provas
Questão presente nas seguintes provas
Cadernos
Caderno Container