Foram encontradas 504 questões.
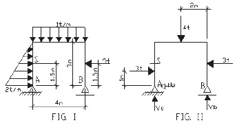
Temos abaixo uma estrutura plana carregada no próprio plano. Abaixo, são feitas afirmações referentes a esta estrutura.

Qual das afirmações é falsa?
Provas
Qual das afirmações abaixo é falsa?
Provas
Alguém lhe relata o seguinte problema e pede uma solução: "Meu chuveiro às vezes funciona bem e às vezes não funciona bem". Você faz uma vistoria no local e faz um croqui da situação, que resulta na fi gura abaixo:

Além do croqui, você ainda fez as seguintes constatações e cálculos:
1. Há espaço para elevar a caixa d'água mais 20 cm. (o fundo ficaria na cota 310).
2. O sensor que aciona a bomba elevatória e liga quando a água baixa 50 cm (na cota 320), permite ser regulado para ligar quando a água baixa 40 cm (na cota 330).
3. A tubulação existente, mais as perdas localizadas, desde a caixa d'água até o chuveiro, causam uma perda de carga de 0,40 mca (mca = metros de coluna d'água).
4. Trocando a tubulação existente por uma tubulação de diâmetro maior, e eliminando algumas perdas localizadas, a perda de carga poderia ser reduzida de 0,40 mca para 0,20 mca.
O chuveiro necessita de pressão dinâmica igual a 1 mca, para funcionar bem. Qual das alternativas abaixo resolve o problema?
Provas
Os efeitos da prestação de serviços (quando da apuração de resultado positivo) com recebimento a prazo sobre a equação básica do patrimônio são:
Provas
Assinale a alternativa incorreta:
Provas
Conforme a Lei no 8.137 de 27/12/1990 (Lei sobre crimes contra a ordem tributária, econômica e contra as relações de consumo), não constitui crime contra as relações de consumo (Art. 7°):
Provas
O imposto de renda devido trimestralmente poderá ser determinado com base nos critérios do lucro arbitrado. Entre as hipóteses para o arbitramento do lucro, abaixo, assinale-a incorreta.
Provas
A pessoa jurídica tributada com base no lucro presumido deverá manter registros contábeis e fi scais. Assinale qual das alternativas abaixo está incorreta:
Provas
Assinale a alternativa que indica quais as pessoas jurídicas que podem optar pelo ingresso no regime de tributação pelo lucro presumido.
Provas
As pessoas jurídicas que, por opção, efetuarem recolhimentos mensais do IR com base em estimativa mensal e tiverem lucro infl acionário acumulado deverão tributar mensalmente, no mínimo, o correspondente a 1/120, a partir de 1º/01/1996, do saldo existente em 31/12/1995, corrigido monetariamente até essa data, sem prejuízo do cálculo da realização a ser feito no fi nal do período de apuração, com vistas à apuração do maior valor de realização a ser considerado. Assinale a alternativa correta das contas que deverão ser consideradas os bens e direitos do ativo sujeitos à correção monetária até 31/12/1995:
Provas
Caderno Container