Foram encontradas 504 questões.
A lei n. 4.595 de 31/12/1964 regula o sistema financeiro nacional. Uma das ações abaixo não foi tomada através desta lei. Identifi que-a:
Provas
Relacionando a segunda coluna com a primeira, teremos a seguinte seqüência numérica, de cima para baixo:
1. depósito no fundo da fossa
2. dispositivo de infiltração
3. fecho hídrico
4. dispositivo de filtragem do efluente da fossa
5. câmara anaeróbica de tratamento de esgoto
( ) fossa
( ) sumidouro
( ) filtro anaeróbico
( ) sifão
( ) lodo digerido
A seqüência das respostas assinaladas é:
Provas
Nos aterros, onde o solo é o material de construção, a operação de compactação é de suma importância, para evitar problemas futuros. Conhecendo a teoria da compactação e tendo ainda como auxílio os gráficos abaixo, pede-se para identificar a afirmação falsa:

Provas
Qual das afirmações é falsa?
Provas
Num projeto de drenagem pluvial está previsto um canal de concreto, conforme a figura A. Posteriormente é proposta uma alteração no projeto, passando este canal para uma seção diferente, conforme a figura B.

Neste caso, qual das afirmações abaixo é verdadeira?
Provas
Na figura temos uma viga simplesmente apoiada com carga uniformemente distribuída.

Na seção S o momento fletor é igual a?
Provas
Numa construção foi executada uma laje em balanço (marquise). 40 dias após a concretagem, ocorreu um acidente: ao tirar as escoras a laje dobrou, junto ao engaste, fi cando suspensa pelos ferros que dobraram. Um engenheiro, antes mesmo de vistoriar o ocorrido, aventou as seguintes hipóteses como causa do acidente. Qual dessas hipóteses pode ser descartada a priori?
Provas
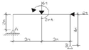
Sendo A um apoio de 2º gênero e B um apoio de 1º gênero, na estrutura carregada abaixo representada, qual das afirmações é falsa?

Provas
- Lei de Responsabilidade FiscalDisposições Preliminares (arts. 1º e 2º)
- Lei de Responsabilidade FiscalPlanejamento: PPA, LDO e LOA (arts. 3º ao 10)Da Execução Orçamentária e do Cumprimento das Metas
- Lei de Responsabilidade FiscalDespesa Pública (arts. 15 ao 24)Despesas com Pessoal e Seguridade Social (arts. 18 ao 24)Limites
- Lei de Responsabilidade FiscalDívida e Endividamento (arts. 29 ao 42)Garantia, Contragarantia e Restos a Pagar na LRF (arts. 40 a 42)
De acordo com a lei n. 101 de 04/05/2000, conhecida também como lei da responsabilidade fi scal, qual das afirmações abaixo é falsa?
Provas
Referente ao projeto geométrico de rodovias, qual afirmação é falsa?
Provas
Caderno Container