Foram encontradas 80 questões.
The Lion King
This article is about Disney's 1994 film.
The Lion King is a 1994 American animated feature produced by Walt Disney Feature Animation. Released to theaters on June 15, 1994 by Walt Disney Pictures, it is the 32nd film in the Walt Disney Animated Classics. The story, which was influenced by the Bible stories of Joseph and Moses and the William Shakespeare play Hamlet, takes place in a kingdom of anthropomorphic animals in Africa. The film was the highest grossing animated film of all time until the release of Finding Nemo. The Lion King still holds the record as the highest grossing traditionally animated film in history and belongs to an era known as the Disney Renaissance.
The Lion King is the highest grossing 2D animated film of all time in the United States, and received positive reviews from critics, who praised the film for its music and story. During its release in 1994, the film grossed more than $783 million worldwide, becoming the most successful film released that year, and it is currently the twenty-eighth highest-grossing feature film.
http://en.wikipedia.org/wiki/The_Lion_King
GLOSSARY:
Feature film – a film that is 90 or more minutes long
Gross – total
Release – make public
Praise – show approval
“The Lion King still holds the record as the highest grossing traditionally animated film in history…” . It means that the movie
Provas
Questão presente nas seguintes provas
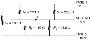
O esquema abaixo mostra uma rede elétrica constituída de dois fios fase e um neutro, alimentando cinco resistores ôhmicos.

Se o fio neutro se romper no ponto A, a potência dissipada irá aumentar apenas no(s) resistor(es)
Provas
Questão presente nas seguintes provas
Uma partícula de massa m e carga elétrica +q é lançada obliquamente com velocidade !$ \vec{v}_0 !$ numa região R onde existe um campo elétrico uniforme !$ \vec{E} !$, vertical, conforme ilustrado na figura abaixo.

Devido à ação deste campo elétrico !$ \vec{E} !$ e do gravitacional !$ \vec{g} !$, enquanto a partícula estiver nessa região R, sua aceleração vetorial
Provas
Questão presente nas seguintes provas
Considere um elétron partindo do repouso e percorrendo uma distância retilínea, somente sob a ação de um campo elétrico uniforme gerado por uma ddp U, até passar por um orifício e penetrar numa região na qual atua somente um campo magnético uniforme de intensidade B. Devido à ação desse campo magnético, o elétron descreve uma semicircunferência atingindo um segundo orifício, diametralmente oposto ao primeiro. Considerando o módulo da carga do elétron igual a q e sua massa igual a m, o raio da semicircunferência descrita é igual a
Provas
Questão presente nas seguintes provas
Considere o gráfico da função real !$ p:A \rightarrow B !$

Analise as alternativas abaixo e, a seguir, marque a FALSA.
Provas
Questão presente nas seguintes provas
As circunferências !$ λ_1 !$ e !$ λ_2 !$ da figura abaixo são tangentes interiores e a distância entre os centros !$ C_1 !$ e !$ C_2 !$ é igual a 1 cm

Se a área sombreada é igual à área não sombreada na figura, é correto afirmar que o raio de !$ λ_2 !$, em cm, é um número do intervalo
Provas
Questão presente nas seguintes provas
Duas partículas, A e B, que executam movimentos retilíneos uniformemente variados, se encontram em t = 0 na mesma posição. Suas velocidades, a partir desse instante, são representadas pelo gráfico abaixo.

As acelerações experimentadas por A e B têm o mesmo módulo de 0,2 !$ m/s^2 !$. Com base nesses dados, é correto afirmar que essas partículas se encontrarão novamente no instante
Provas
Questão presente nas seguintes provas
Texto II
Daniella Cornachione
(continuação)
A busca desse equilíbrio é considerada uma característica básica dos trabalhadores mais jovens, com idades entre 18 e 29 anos — faixa apelidada de Geração Y. Dividir os profissionais por grupos etários é útil para as consultorias de recursos humanos como uma forma de perceber mudanças no comportamento e nos interesses das pessoas e ajudar as empresas a atrair e manter os trabalhadores que elas considerem mais valiosos!$ ^{(C)} !$. Por exemplo, os profissionais nascidos nos anos 70 e 80 formam a Geração X, assim chamada porque parecia ser uma incógnita em termos de comportamento. “A Geração X chegou à adolescência quando as revoluções já estavam feitas, e as grandes causas mundiais mais ou menos resolvidas”, afirma Carlos Honorato, pesquisador do grupo especializado em tendências Profuturo, da Fundação Instituto de Administração (FIA). Apesar disso, os Xs brasileiros cresceram ouvindo!$ ^{(B)} !$ falar em inflação, dívida externa e planos econômicos fracassados. Por isso, têm mais apego ao sonho do emprego estável!$ ^{(A)} !$ e da maior segurança financeira possível para a família e os filhos. Isso explica muito sobre a Geração Y.
Os Ys cresceram em ambiente bem diferente, com estabilidade econômica, inflação sob controle, globalização e oportunidades abertas. Convivem com a internet desde a infância e se acostumaram às decisões coletivas, ao debate sempre aberto, à interação permanente. Nas empresas, eles vêm sendo considerados, numa interpretação favorável, como questionadores; numa interpretação não tão favorável, como insolentes. “É uma geração mais aberta a novas possibilidades, que tem muito compromisso consigo mesma. Se o jovem não estiver satisfeito com o trabalho ou quiser outras oportunidades, não fica na empresa”, afirma Sara Behmer, presidente da consultoria de recursos humanos Voyer e professora da Brazilian Business School.
Se a nova estabilidade econômica tornou os Ys brasileiros mais ambiciosos e dispostos a arriscar, o desenvolvimento econômico nos Estados Unidos (e uma certa decepção com jeito tradicional de fazer negócios, pelas crises dos anos 2000) tornou os Ys americanos extremamente exigentes e idealistas. Eles fazem questão de ter equilíbrio entre vida pessoal e carga de trabalho, buscam empresas com boa reputação e alto padrão ético e querem ter funções cujo objetivo seja o bem maior da sociedade!$ ^{(D)} !$. Todas metas muito admiráveis – e que bateram de frente com a crise.
(ÉPOCA, 21 de junho de 2010)
Assinale a alternativa que contém uma afirmação correta.
Provas
Questão presente nas seguintes provas
Sobre o polinômio !$ A(x) !$, expresso pelo determinante da matriz !$ \begin{bmatrix}x & 1 & 1 \\ 1 & x & -2 \\ 1 & x & x \end{bmatrix} !$, é INCORRETO afirmar que
Provas
Questão presente nas seguintes provas
Read the fragment about traditional religions in Africa and answer question.
Religion has always been central to people's lives in Africa. Although the majority of Africans are now Muslim or Christian, traditional religions have endured and still play a big role. Religion runs like a thread through daily life, marked by prayers of gratitude in times of plenty and prayers of supplication in times of need. Religion confirms identity on the individual and the group.
http://www.bbc.co.uk/worldservice/africa/features/storyofafrica
GLOSSARY:
Endure – to continue to exist for a long time
Thread – one part connecting with another
Mark the alternative that best replaces the word “although” from the second line of the text.
Provas
Questão presente nas seguintes provas
Cadernos
Caderno Container