Foram encontradas 20.455 questões.
Um circuito LC oscila com a frequência de 10,4 MHz. Sabendo-se que a capacitância vale 340,0 µF e que a corrente máxima vale 7,2 mA. Qual é a energia total no circuito?
Provas
Questão presente nas seguintes provas
O método de desenvolvimento de circuitos de acionamentos sequenciais para dispositivos eletropneumáticos mais utilizados em sistemas automatizados de pequeno e médio porte, por ser econômico, seguro e fácil de entender e aplicar, está representado na figura abaixo.

Fonte: BONACORSO, Nelso Gauze; NOLL, Valdir. Automação eletropneumática. 11. ed. São Paulo: Érica, 2008.
Este método é conhecido como
Provas
Questão presente nas seguintes provas
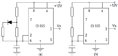
Considere as afirmativas I, II e III a respeito do circuito da figura abaixo. Assinale a alternativa que contém a(s) afirmativa(s) CORRETA(S):

I. O circuito (a) faz o CI 555 operar na configuração Astável.
II. O circuito (b) faz o CI 555 operar no modo Monoestável.
III. Ambos os circuitos (a) e (b) operam no mesmo modo, Astável.
Provas
Questão presente nas seguintes provas
No tocante aos microcontroladores, assinale a opção INCORRETA dentre as afirmativas abaixo:
Provas
Questão presente nas seguintes provas
O conversor CC-CC Boost com Mosfet é utilizado para elevar a tensão da entrada para a saída.
Na prática, um fator que limita o ganho de tensão deste conversor, para manter sua eficiência elevada, é
Provas
Questão presente nas seguintes provas
Em relação aos registradores de microcontroladores PIC com memória Flash, é correto afirmar que
Provas
Questão presente nas seguintes provas
Para responder à questão, considere o seguinte circuito.

Se as variáveis de entrada alternarem seu estado entre 0 e 1, a alternativa que indica corretamente a forma de onda das saídas será
Provas
Questão presente nas seguintes provas
Num circuito RLC operando na frequência de 60,0 Hz, a voltagem máxima através do indutor é 2 vezes a voltagem máxima através do resistor e 2 vezes a voltagem máxima através do capacitor. Qual é o ângulo de fase que registra o atraso da corrente em relação à fem do gerador?
Provas
Questão presente nas seguintes provas
Observe o circuito abaixo:

A frequência do oscilador (!$ \omega_o !$), em krad/s é igual a:
Provas
Questão presente nas seguintes provas
Observe o circuito abaixo:

A indicação do voltímetro no circuito RLC é, em V, igual a:
Provas
Questão presente nas seguintes provas
Cadernos
Caderno Container