Foram encontradas 20.461 questões.
Em sistemas de cabeamento estruturado, o nome do elemento que faz a conexão das portas de um switch aos conectores de um patch panel é:
Provas
O sistema telefônico A emprega a internet para a transmissão de voz, convertendo os sinais das chamadas em pacotes de dados. O sistema telefônico B depende de uma Rede Telefônica Pública Comutada (PSTN) para realizar as chamadas, além de exigir a instalação e passagem de cabos para conectar as linhas ou ramais aos aparelhos telefônicos e PABX. Os sistemas A e B referem-se, respectivamente, a:
Provas
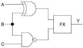
Considere o circuito lógico combinacional e sua respectiva Tabela-Verdade, mostrado na figura a seguir.

| A | B | C | Y |
| 0 | 0 | 0 | 0 |
| 0 | 0 | 1 | 0 |
| 0 | 1 | 0 | 1 |
| 0 | 1 | 1 | 0 |
| 1 | 0 | 0 | 1 |
| 1 | 0 | 1 | 1 |
| 1 | 1 | 0 | 0 |
| 1 | 1 | 1 | 0 |
A função FX corresponde a uma porta lógica do tipo:
Provas
Considere a seguinte Tabela Verdade:
| A | B | Y |
| 0 | 0 | 1 |
| 0 | 1 | 1 |
| 1 | 0 | 1 |
| 1 | 1 | 0 |
A porta lógica que apresenta essa tabela verdade é:
Provas
Um osciloscópio está com sua base de tempo no canal horizontal ajustada para 5 milissegundos por divisão, e o canal vertical está ajustado para 2 Volts/divisão. Uma imagem de um sinal senoidal é apresentada na tela desse osciloscópio, de modo que dois ciclos do sinal ocupam 4 divisões do eixo horizontal, e a amplitude de pico a pico desse sinal ocupa 6 divisões verticais. Com essas informações, o valor de tensão de pico do sinal e sua frequência são, respectivamente:
Provas
Um Técnico de Laboratório de Eletrônica deseja medir a luminosidade de um ambiente e, para tal, montou o seguinte circuito baseado em um LDR:

Sobre esse circuito, é correto afirmar que
Provas
Assinale a alternativa correta em relação aos padrões de comunicação UART, SPI e I2C.
Provas
Considere a seguinte sequência de instruções que compõem um trecho de programa escrito em linguagem assembly para um microprocessador, em que para cada uma das instruções apresenta-se a sua funcionalidade.
MOV r1,37h ; r1 ← 37h
MOV r2,9Bh ; r2 ← 9Bh
ADD r1,r2 ; r1 ← r1 + r2
Nesse trecho de programa, as duas primeiras instruções carregam um registrador (r1 e r2, respectivamente) com valores expressos na notação hexadecimal, enquanto a terceira instrução realiza a soma entre dois registradores (r1 e r2) e armazena o resultado dessa soma no registrador r1.
O resultado produzido no registrador r1, após a execução dessas instruções, na notação hexadecimal, é igual a:
Provas
Considerando um microcomputador, a memória cache
Provas
O seguinte número, de 16 bits, está representado na forma binária.
0110100101111110 b
Esse mesmo número, na forma hexadecimal é representado por:
Provas
Caderno Container