Foram encontradas 20.456 questões.
Assinale a alternativa que preenche, correta e respectivamente, as lacunas do trecho acima.
Provas
Considere o circuito a seguir:
A capacidade equivalente do circuito apresentado, entre os pontos B e D, é de
Provas
Considerando que, em circuitos amplificadores, os transistores bipolares de junção podem ser implementados em diferentes configurações com características específicas de ganho, impedância e aplicação, julgue os itens subsecutivos.
Na configuração base comum, o transistor apresenta, em geral, ganho de tensão maior que 1 e ganho de corrente igual ao valor do parâmetro beta do transistor, o que resulta em ganho de potência superior à unidade.
Provas
A respeito de circuitos trifásicos, sistema por unidade e faltas assimétricas, julgue os itens subsequentes.
Na representação de um curto circuito monofásico nas suas componentes de sequência, é correto afirmar que, no local do curto, as correntes de sequência positiva, negativa e zero são iguais.
Provas
Julgue os itens subsequentes, no que diz respeito aos princípios de comunicações e comutações analógicas e digitais, bem como a microcomputadores.
A memória cache é projetada para armazenar dados permanentemente, mesmo após o desligamento do sistema, o que garante acesso mais rápido a arquivos importantes do usuário ao reiniciar o computador.
Provas
Certo microcontrolador é utilizado para amostrar um sinal analógico por meio de seu conversor analógico-digital (A/D), realizar o processamento do sinal (uma filtragem digital, por exemplo) e, em seguida, enviar o sinal processado a um conversor digital-analógico (D/A) controlado pelo próprio microcontrolador. Os conversores A/D e D/A têm resolução de 12 bits, e os sinais de entrada e saída operam na faixa de tensão de -5 V a +5 V. O sinal de interesse possui componentes significativas apenas na faixa entre 0 Hz e 100 Hz.
A partir das informações apresentadas e considerando os aspectos de hardware e software relacionados, julgue os itens que se seguem.
A fim de garantir a reconstrução adequada de sinais com componentes de até 100 Hz, a menor taxa de amostragem que atende ao teorema de Nyquist é de 50 Hz.
Provas
Certo microcontrolador é utilizado para amostrar um sinal analógico por meio de seu conversor analógico-digital (A/D), realizar o processamento do sinal (uma filtragem digital, por exemplo) e, em seguida, enviar o sinal processado a um conversor digital-analógico (D/A) controlado pelo próprio microcontrolador. Os conversores A/D e D/A têm resolução de 12 bits, e os sinais de entrada e saída operam na faixa de tensão de -5 V a +5 V. O sinal de interesse possui componentes significativas apenas na faixa entre 0 Hz e 100 Hz.
A partir das informações apresentadas e considerando os aspectos de hardware e software relacionados, julgue os itens que se seguem.
Para a resolução do conversor A/D e para a faixa de entrada citadas, a menor variação de tensão que pode ser distinguida pelo conversor é de aproximadamente 1,22 mV.
Provas
O conversor DC-DC do tipo step-up é utilizado para elevar a tensão contínua de entrada para um valor superior na saída. Seu funcionamento baseia-se no armazenamento de energia em um indutor durante o tempo em que a chave está fechada e na liberação dessa energia para a carga quando a chave se abre.
Acerca do dispositivo apresentado, julgue o item a seguir.
Considerando operação ideal em regime de condução contínua, a tensão de saída (vs) do conversor step-up é relacionada à tensão de entrada (ve) por vs = \( \dfrac{v_{e}}{1-D} \) em que D é o ciclo de trabalho (duty cycle).
Provas

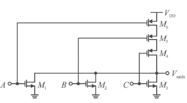
Com base no circuito precedente, que utiliza transistores MOSFET em tecnologia CMOS, julgue o item subsecutivo.
O circuito utiliza três transistores PMOS conectados em série e três transistores NMOS conectados em paralelo, formando uma arquitetura típica de uma porta NAND de três entradas.
Provas

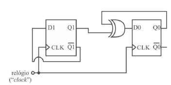
Considerando o circuito precedente, que utiliza dois flip-flops tipo D acionados por borda de subida do sinal de relógio, julgue o item a seguir, assumindo que qualquer controle de PRESET ou de CLEAR esteja adequadamente configurado para permitir operação contínua.
Para os flip-flops corretamente inicializados, se o circuito operar com pulsos de clock contínuos, os estados das saídas (Q1, Q0) a cada borda de subida do relógio evoluirão de forma cíclica na ordem 00 → 10 → 01 → 11 → 00 → ... .
Provas
Caderno Container