Foram encontradas 20.559 questões.
Ao aumentar o ângulo de disparo de um retificador monofásico de onda completa, a tensão eficaz:
Provas
Considere o circuito de polarização do transistor da figura 2: Figura 2

A reta de carga cruza o eixo IC da curva de saída desse circuito no ponto:
Provas
Um retificador de meia onda alimenta uma carga resistiva com uma tensão senoidal eficaz de 15V. A fonte de tensão alternada ligada nesse retificador tem tensão de pico de:
Provas
A respeito de microcomputadores, julgue os itens a seguir.
A tecnologia DDR4 utilizada em RAM opera com menor tensão elétrica e maior eficiência energética que a tecnologia DDR3.
Provas

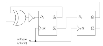
A figura precedente representa um circuito sequencial com 2 bits, que utiliza flip-flops do tipo D, gatilhados por borda de subida. A sequência é iniciada por ação de um circuito de reset não explicitado na figura, a partir do estado D1D0 = 00.
Tendo como referência essas informações, julgue os itens seguintes, a respeito de eletrônica digital.
O circuito sequencial representado na figura realiza uma contagem de forma cíclica, repetindo a sequência 00 01 10 11.
Provas

A figura precedente representa um circuito sequencial com 2 bits, que utiliza flip-flops do tipo D, gatilhados por borda de subida. A sequência é iniciada por ação de um circuito de reset não explicitado na figura, a partir do estado D1D0 = 00.
Tendo como referência essas informações, julgue os itens seguintes, a respeito de eletrônica digital.
Enquanto as saídas das portas CMOS só podem acionar um máximo de 10 outras portas da mesma família, as portas TTL são capazes de acionar até 50 entradas de outras portas da mesma família.
Provas
Julgue os itens que se seguem, relacionados a eletrônica analógica e de potência.
Em amplificadores que utilizam transistores bipolares na configuração de base comum, é usual observar um alto ganho de tensão e uma banda passante ampla, geralmente superior à observada em configurações de emissor comum e coletor comum, e o ganho de corrente nesses amplificadores é, tipicamente, ligeiramente inferior à unidade, devido à parte da corrente que é utilizada para alimentar a base do transistor.
Provas
Julgue os itens que se seguem, relacionados a eletrônica analógica e de potência.
Na configuração classe A de amplificadores de potência, um único transistor permanece na região ativa durante o ciclo completo (360 graus) de um sinal senoidal de entrada; essa configuração é considerada a mais eficiente em termos de consumo de potência.
Provas
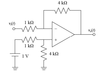
Julgue os itens que se seguem, relacionados a eletrônica analógica e de potência.
Para o circuito a seguir, cujos componentes são ideais, é válida a expressão \( v_o\left(t\right)=4\cdot\left[2-v_i\left(t\right)\right]. \)

Provas

A partir das informações da tabela-verdade precedente, que corresponde a um circuito combinacional com quatro entradas (A, B, C e D) e uma saída (S), julgue o item a seguir.
A expressão booleana mínima, na forma soma de produtos, que relaciona a saída S com as variáveis de entrada, é dada por\( S=\overline{A}\ \overline{B}\ C\ +\overline{A}BD\ +B\ \overline{C}\ D+\overline{B}CD. \)
Provas
Caderno Container