Foram encontradas 853 questões.
A política de referência, como parte da política de informação, é definida de acordo com os objetivos e missão institucionais, podendo ser traduzida:
Provas
Questão presente nas seguintes provas
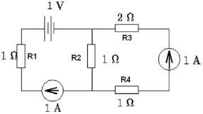
No circuito dado representado na figura 9, qual a potência dissipada pelo resistor R2?

FIGURA 9
Provas
Questão presente nas seguintes provas
Dentre as alternativas abaixo, qual diz respeito aos Arquivos Correntes?
Provas
Questão presente nas seguintes provas
Especificamente sobre as técnicas de higienização e as medidas profiláticas que podem ser adotadas para que o acervo se mantenha limpo e asséptico, é CORRETO afirmar que:
Provas
Questão presente nas seguintes provas
Em uma organização empresarial, o processo de tomada de decisão não pode prescindir de informações fornecidas pela Contabilidade. Essa assertiva envolve os seus usuários internos e externos. Para que a Contabilidade possa engendrar informações fidedignas e úteis é fundamental e indispensável a aplicação de técnicas específicas à prática contábil.
Desse modo, observe as opções a seguir e identifique aquelas que não são técnicas utilizadas pela Contabilidade:
I - Registro pelo valor original.
II - Demonstrações Contábeis.
III – Demonstração do Regime Contábil.
IV – Análise de balanços.
V - Auditoria econômico-patrimonial.
Entre as opções apresentadas pode-se AFIRMAR que:
Provas
Questão presente nas seguintes provas
A frequência da limpeza varia de acordo com as áreas do hospital, as áreas hospitalares também são classificadas de acordo com os riscos de infecção que possam oferecer aos pacientes.
Sobre o exposto, assinale a alternativa CORRETA.
Provas
Questão presente nas seguintes provas
Na literatura existente evidencia-se a falta de um consenso sobre a origem da palavra ARQUIVO, pois alguns autores defendem sua origem grega denominada arché (palácio dos magistrados), evoluindo para archeion (local de guarda e depósito de documentos). Outros afirmam ser de origem latina, sendo denominado archivum (lugar de guarda de documentos e de outros títulos).
Na realidade, o termo ARQUIVO pode também ser usado para designar os seguintes itens:
I – Conjunto de documentos.
II – Móvel para guarda de documentos.
III – Instituição, cujo objetivo seja o de guardar e conservar a documentação.
IV – Títulos de periódicos com influência alemã e espanhola.
Assinale alternativa CORRETA quanto aos itens citados acima:
Provas
Questão presente nas seguintes provas
Marque a alternativa que se refere aos objetivos da Gestão de Documentos:
Provas
Questão presente nas seguintes provas
O Plano de Desenvolvimento Institucional (PDI) pode ser considerado como uma “bússola” que orienta o funcionamento da IES, devendo contemplar dados, informações e previsões sobre a Instituição e seus Cursos, com destaque especial para a missão da IES, metas e objetivos, bem como cronograma de implementação das ações previstas. Daí ser tomado como uma das principais fontes de consulta nos processos de avaliação da Educação Superior realizadas pelo INEP.
Diante do exposto, no que se refere ao cronograma, indique a seguir o tempo estabelecido nos documentos legais para vigência do PDI, findo o qual o documento deve ser atualizado:
Provas
Questão presente nas seguintes provas
Sabe-se que em um consultório há diversos equipamentos de alto custo que necessitam ser instalados de maneira adequada para não prejudicar seu funcionamento. A instalação elétrica em um consultório odontológico é uma etapa importante, que não pode ser dispensada no projeto.
Sobre a segurança da instalação elétrica é CORRETO afirmar que:
Provas
Questão presente nas seguintes provas
Cadernos
Caderno Container