Foram encontradas 720 questões.
Numere de 1 a 13 sequenciando as atividades para a identificação das bobinas de um motor trifásico.
( ) Se a lâmpada permanecer apagada, confirmar a numeração das bobinas do motor.
( ) Ligar as bobinas 1 e 2 em série e alimentá-las com 220 V.
( ) Se a lâmpada acender, a polaridade da bobina 1 está invertida; trocar a numeração 3 por 6.
( ) Repetir o teste de continuidade, identificar e marcar a terceira bobina com os números 3 e 6.
( ) Testar os outros terminais até encontrar continuidade.
( ) Conectar uma lâmpada de 12 V nos terminais da bobina 3.
( ) Repetir o teste de continuidade, identificar e marcar a segunda bobina com os números 2 e 5.
( ) Se a lâmpada acender, a polaridade da bobina 1 está invertida; trocar a numeração 1 por 4.
( ) Conectar as pontas de prova do ohmímetro em um dos terminais do motor.
( ) Ligar as bobinas 2 e 3 em série e alimentá-las com 220 V.
( ) Conectar uma lâmpada de 12 V nos terminais da bobina 1.
( ) Se a lâmpada permanecer apagada, as bobinas 1 e 2 estão corretas.
( ) Definir a primeira bobina com os números 1 e 4.
Assinale a sequência CORRETA.
Provas
- Instalações Elétricas
- Gerenciamento de ObrasProjeto e Orçamentação
- Proteção de Sistemas ElétricosProteção em Média Tensão
- Sistemas Elétricos de PotênciaDistribuição de Energia Elétrica
Um projeto de proteção deve considerar algumas propriedades fundamentais para obter um bom desempenho.
Esses requisitos básicos são:
Provas
Numere a COLUNA II de acordo com a COLUNA I, associando cada termo da análise de risco à sua correspondente descrição.
COLUNA I
1. Controle
2. Índice FE
3. Índice NPL
4. Lesão ou GPL
5. Perda
6. Perigo
7. Índice PO
8. Risco
9. Risco significativo
10. Risco tolerável
COLUNA II
( ) Por não ser significativo, não gera obrigatoriedade de medidas de controle.
( ) Índice que descreve as possíveis consequências em caso de acidente.
( ) Demonstra a probabilidade de ocorrência de um acidente.
( ) Demanda medidas de controle para que seja eliminado ou reduzido a níveis aceitáveis.
( ) Representa a frequência com que se está exposto ao perigo.
( ) Consequência do perigo e do risco.
( ) Efeito causado pelo perigo, em função da probabilidade de exposição e da severidade.
( ) Ação tomada para suprir ou eliminar determinado risco com finalidade de manter a integridade dos profissionais, do meio ambiente e do patrimônio.
( ) Retrata o número de pessoas expostas ao risco.
( ) Condição que pode provocar perda, que ameaça a integridade de uma pessoa.
Assinale a sequência CORRETA.
Provas
Provas
Conforme a Resolução CONAMA Nº 237/1997, cabe ao poder público algumas licenças para empreendimentos diversos.
Sobre essas licenças, são feitas as afirmativas a seguir.
I. A Licença Prévia é concedida na fase preliminar do planejamento do empreendimento / atividade e deve ter a aprovação da localização e concepção do empreendimento e o atestado da viabilidade ambiental, entre outros critérios.
II. A Licença de Instalação serve para instalar o empreendimento com as especificações que constam nos planos, programas e projetos aprovados.
III. A Licença de Operação autoriza o funcionamento do empreendimento / atividade depois que o cumprimento previsto nas licenças anteriores tenha sido verificado.
Está(ão) correta(s) a(s) afirmativa(s):
Provas
“[Essa bacia] abrange quase inteiramente os estados do Piauí e Maranhão e partes adjacentes de Goiás e Ceará. Tem forma aproximadamente oval, estando separada [de outras duas bacias localizadas ao norte do país], por estruturas tectônicas. A bacia é interrompida no contato com as fossas tectônicas do Marajó, São Luís e Barreirinhas por arcos ou altos estruturais. (PETRI, S.; FÚLFARO, V. J. Geologia do Brasil. São Paulo. Editora da Universidade de São Paulo. 1983. p. 17).
O trecho acima retrata a bacia do:
Provas
A diagênese é caracterizada por um conjunto de processos e por seus respectivos produtos. Um desses processos ocorre por “precipitação química de minerais, a partir de íons em solução na água intersticial. Sob esse aspecto, ocorre em conjunto com o processo de dissolução, através do qual a concentração iônica da água é aumentada”. (TEIXEIRA, W.; FAIRCHILD, T. R.; TOLEDO, M. C. M.; TAIOLI, F. Decifrando a Terra. São Paulo: Companhia Editora Nacional, 2009. p. 291).
Esse processo diagenético é:
Provas
- EletrotécnicaCircuitos Lógicos e Álgebra Booleana em Eletrotécnica
- EletrônicaEletrônica Digital em Eletroeletrônica

No circuito apresentado, admitindo-se as saídas inicialmente zeradas, após 5 pulsos de relógio, o conteúdo das saídas Q7 Q6 Q5 Q4 Q3 Q2 Q1 Q0 em hexadecimal é:
Provas
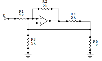
Considere o AO ideal e que seja aplicada à entrada E uma tensão igual a 3 V.

O valor da corrente em R5 é igual a:
Provas
- EletrotécnicaCircuitos Lógicos e Álgebra Booleana em Eletrotécnica
- EletrônicaEletrônica Digital em Eletroeletrônica
Analise o circuito.

A função lógica de saída S é dada pela expressão:
Provas
Caderno Container