Foram encontradas 50 questões.
Para responder à questão leia o texto a seguir.
Gentileza gera gentileza
o título da coluna foi tomado emprestado dele, o próprio Gentileza. Gentileza foi um grande homem, com um grande legado e uma grande vida.
Passou a maior parte dela pregando a gentileza como um modo de existir. Depois que morreu, em 1996, velhinho, aos 79 anos, a Companhia de Limpeza Urbana do Rio cobriu seus escritos nas pilastras do viaduto do Caju com tinta cinza. Não podia ser mais simbólico. O apagamento de Gentileza gerou um movimento de reação chamado “Rio com gentileza”, que resgatou o livro urbano de Gentileza e propõe a gentileza como uma forma de estar no mundo.
É sério. Parece pouco. É muito. Faz uma enorme diferença. Quando somos maltratados em algum lugar, por alguém, isso já envenena o nosso dia. E desencadeia reações desencontradas em cadeia. Por outro lado, às vezes nem percebemos, mas a beleza de outro dia, nosso suspeito bom-humor num dia comum, começou lá atrás , quando alguém teve um gesto gentil, nos acolheu com simpatia, nos tratou bem. Seja o nosso chefe, o motorista do ônibus, o balconista da padaria. Faz bem para a vida ser tratado com gentileza. E um gesto gentil também desencadeia reações similares em cadeia. Gentileza, o profeta, tinha toda a razão quando respondia aos que o chamavam de maluco: “Maluco pra te amar, louco pra te salvar”.
Se cada um de nós fizer uma reconstituição mental do nosso dia, hoje mesmo, vai perceber que o pior dele foi causado porque não foram gentis conosco nem fomos gentis com os outros. Desde o bom dia que faltou, o por favor que não foi dito, a buzina desnecessária no trânsito, a cara fechada, o sorriso que economizamos, a ajuda que poderíamos ter dado e não demos, ou ainda a que não recebemos, o elogio que não veio, a crítica que deveria ter sido feita para somar, mas foi programada para massacrar, o veneno que escorreu da nossa boca e da dos outros. Uma soma de pequenos e desnecessários gastos de energia que só serviram para nos intoxicar.
Gentileza é o exercício cotidiano de vestir a pele do outro. É cuidar não de alguém, mas de qualquer um. Mesmo que ele não seja nosso parente, mesmo que seja um estranho. Cuidar por nada. Sem precisar de motivo. Cuidar por cuidar.
Por que algo tão essencial se tornou supérfluo? Porque gentileza não se consome, talvez. Não tem valor monetário. Não se ganha nada de material com ela. Também não custa nada.
Hoje, tratar mal as pessoas, marchar pelos corredores, fechar a cara, não dar bom dia e dizer coisas duras sem nenhum cuidado parece ser um atributo dos poderosos. Quase uma virtude. O conjunto de características que costuma cercar o poder é imediatamente incorporado pelos subordinados. Nessa lógica, há sempre alguém a quem não precisamos beneficiar, não com a nossa gentileza, porque gentileza não tem nada a ver com isso, mas a quem não precisamos beneficiar com a nossa bajulação.
Acho que ser gentil não é nada prosaico, é um ato de resistência diante de uma vida determinada por valores calculáveis: só faço tal coisa se ganhar algo em troca, seja dinheiro ou um dos muitos pequenos poderes ou um ponto a mais com quem manda. A gentileza vira essa lógica do avesso: sou gentil sem esperar nada em troca.
Gentileza não é mesmo algo que temos, é mais algo que somos. E que nos tornamos. Talvez o verdadeiro poder esteja naquele que pode dar sem esperar nada em troca. Como Gentileza.
Assim como inventaram um dia sem carro, acho que poderíamos criar um dia com gentileza. Não precisa ser uma campanha de massa, basta uma decisão interna, silenciosa, de cada um. Só para experimentar. Um dia só tentando ser gentil. Engolindo a palavra ríspida, calando a fofoca ainda no esôfago, olhando de verdade para as pessoas, escutando o que o outro tem a dizer, mesmo que não nos pareça tão interessante, sorrindo um pouco mais.
Pequenos gestos. Segurar o elevador, dar oi e dar tchau, não se atravessar na frente de ninguém nem sair correndo para ser o primeiro, ter paciência em vez de se irritar, elogiar um pouco mais, deixar passar o que não foi tão legal, mas também não foi tão grave e, quando a crítica for imprescindível, abusar da delicadeza. Um dia só, mesmo que seja apenas para experimentar algo diferente. Quem sabe o que pode acontecer?
Fonte: BRUM, E. Gentileza gera gentileza. Época, 05 out. 2009. Disponível em: http://revistaepoca.globo.com/Revista/Epoca/0,,EMI96818-15230,00-GENTILEZA+GERA+GENTILEZA.html. (Adaptado)
Com relação ao emprego de recursos que contribuem para a argumentatividade do texto, considere as afirmativas a seguir.
Para responder à questão 06, leia o texto a seguir.
I - Da linha 81 à 85, é apontada, com convicção, a ausência de valor monetário como causa da superfluidade da gentileza.
II - No penúltimo parágrafo do texto, é indicada a necessidade de realização de uma intensa campanha que incentive a prática de gestos de gentileza, exemplificados no último parágrafo.
III - A palavra "quando" introduz uma condição para o excesso de delicadeza.
Está(ão) correta(s)
Provas
Para responder à questão leia o texto a seguir.
Gentileza gera gentileza
o título da coluna foi tomado emprestado dele, o próprio Gentileza. Gentileza foi um grande homem, com um grande legado e uma grande vida.
Passou a maior parte dela pregando a gentileza como um modo de existir. Depois que morreu, em 1996, velhinho, aos 79 anos, a Companhia de Limpeza Urbana do Rio cobriu seus escritos nas pilastras do viaduto do Caju com tinta cinza. Não podia ser mais simbólico. O apagamento de Gentileza gerou um movimento de reação chamado “Rio com gentileza”, que resgatou o livro urbano de Gentileza e propõe a gentileza como uma forma de estar no mundo.
É sério. Parece pouco. É muito. Faz uma enorme diferença. Quando somos maltratados em algum lugar, por alguém, isso já envenena o nosso dia. E desencadeia reações desencontradas em cadeia. Por outro lado, às vezes nem percebemos, mas a beleza de outro dia, nosso suspeito bom-humor num dia comum, começou lá , quando alguém teve um gesto gentil, nos acolheu com simpatia, nos tratou bem. Seja o nosso chefe, o motorista do ônibus, o balconista da padaria. Faz bem para a vida ser tratado com gentileza. E um gesto gentil também desencadeia reações similares em cadeia. Gentileza, o profeta, tinha toda a razão quando respondia aos que o chamavam de maluco: “Maluco pra te amar, louco pra te salvar”.
Se cada um de nós fizer uma reconstituição mental do nosso dia, hoje mesmo, vai perceber que o pior dele foi causado não foram gentis conosco nem fomos gentis com os outros. Desde o bom dia que faltou, o por favor que não foi dito, a buzina desnecessária no trânsito, a cara fechada, o sorriso que economizamos, a ajuda que poderíamos ter dado e não demos, ou ainda a que não recebemos, o elogio que não veio, a crítica que deveria ter sido feita para somar, mas foi programada para massacrar, o veneno que escorreu da nossa boca e da dos outros. Uma soma de pequenos e desnecessários gastos de energia que só serviram para nos intoxicar.
Gentileza é o exercício cotidiano de vestir a pele do outro. É cuidar não de alguém, mas de qualquer um. Mesmo que ele não seja nosso parente, mesmo que seja um estranho. Cuidar por nada. Sem precisar de motivo. Cuidar por cuidar.
algo tão essencial se tornou supérfluo? Porque gentileza não se consome, talvez. Não tem valor monetário. Não se ganha nada de material com ela. Também não custa nada.
Hoje, tratar as pessoas, marchar pelos corredores, fechar a cara, não dar bom dia e dizer coisas duras sem nenhum cuidado parece ser um atributo dos poderosos. Quase uma virtude. O conjunto de características que costuma cercar o poder é imediatamente incorporado pelos subordinados. Nessa lógica, há sempre alguém a quem não precisamos beneficiar, não com a nossa gentileza, porque gentileza não tem nada a ver com isso, mas a quem não precisamos beneficiar com a nossa bajulação.
Acho que ser gentil não é nada prosaico, é um ato de resistência diante de uma vida determinada por valores calculáveis: só faço tal coisa se ganhar algo em troca, seja dinheiro ou um dos muitos pequenos poderes ou um ponto a mais com quem manda. A gentileza vira essa lógica do avesso: sou gentil sem esperar nada em troca.
Gentileza não é mesmo algo que temos, é mais algo que somos. E que nos tornamos. Talvez o verdadeiro poder esteja naquele que pode dar sem esperar nada em troca. Como Gentileza.
Assim como inventaram um dia sem carro, acho que poderíamos criar um dia com gentileza. Não precisa ser uma campanha de massa, basta uma decisão interna, silenciosa, de cada um. Só para experimentar. Um dia só tentando ser gentil. Engolindo a palavra ríspida, calando a fofoca ainda no esôfago, olhando de verdade para as pessoas, escutando o que o outro tem a dizer, mesmo que não nos pareça tão interessante, sorrindo um pouco mais.
Pequenos gestos. Segurar o elevador, dar oi e dar tchau, não se atravessar na frente de ninguém nem sair correndo para ser o primeiro, ter paciência em vez de se irritar, elogiar um pouco mais, deixar passar o que não foi tão legal, mas também não foi tão grave e, quando a crítica for imprescindível, abusar da delicadeza. Um dia só, mesmo que seja apenas para experimentar algo diferente. Quem sabe o que pode acontecer?
Fonte: BRUM, E. Gentileza gera gentileza. Época, 05 out. 2009. Disponível em: http://revistaepoca.globo.com/Revista/Epoca/0,,EMI96818-15230,00-GENTILEZA+GERA+GENTILEZA.html. (Adaptado)
Com relação à grafia e ao sentido no contexto, assinale a alternativa que preenche corretamente as lacunas na sequência do texto.
Provas
A , e encontram-se entre as formas vigentes de provimento de cargo público, nos termos da Lei 8112/ 1990.
Assinale a alternativa que completa na sequência as lacunas.
Provas
Associe os tipos de mancais de rolamento na coluna à esquerda com a descrição na coluna à direita
(1) Rolamento de rolos cônicos
(2) Rolamento axial de esferas
(3) Rolamento de rolos cilíndricos
(4) Rolamento de agulhas
(5) Rolamento de esferas
( ) É apropriado para cargas radiais elevadas.
( ) Possui uma secção transversal muito fina em relação aos rolamentos comuns.
( ) É apropriado para rotações mais elevadas.
( ) Suporta cargas radiais e também cargas axiais em um sentido.
( ) Admite elevadas cargas axiais, porém não pode ser submetido a cargas radiais.
Assinale a sequência correta.
Provas
O torno é uma máquina ferramenta na qual a peça a ser usinada tem um movimento de rotação ao redor do eixo. Nessa máquina, a peça realiza o movimento de corte, enquanto a ferramenta produz o avanço.
Nos tornos, a é o acessório que permite a transmissão de rotação do eixo principal para as peças que são torneadas entre pontos. Se a peça for delgada, pode ocorrer a sua deflexão devido à pressão da ferramenta de corte. Para evitar essa deflexão, usa-se a . Outro elemento importante dos tornos é a , que possui inúmeras funções, como fixar as ferramentas usadas para furar, escarear e rosquear.
Assinale a alternativa que preenche corretamente as lacunas.
Provas
Em relação à NBR 5410, considere as afirmativas a seguir.
I - Se um motor elétrico possuir fator de serviço declarado pelo fabricante e se for prevista a utilização do motor explorando-se esse fator, a corrente para o projeto dos condutores do seu circuito deve ser no mínimo igual à corrente nominal do motor, multiplicada pelo fator de serviço.
II - Para motores elétricos com mais de uma potência e/ou velocidade nominais, a corrente nominal do motor a ser considerada para o projeto de seu circuito elétrico é a que corresponde à menor potência e/ou velocidade.
III - Os circuitos de comando de motores elétricos devem ser concebidos de modo a impedir o religamento automático do motor após parada decorrente de uma queda ou falta de tensão, caso esse religamento possa causar algum perigo.
IV - Nos casos em que a segurança dependa do sentido de rotação do motor, devem ser adotadas medidas para evitar a inversão do sentido de rotação, causada, por exemplo, por uma inversão de fases.
Está(ão) correta(s)
Provas
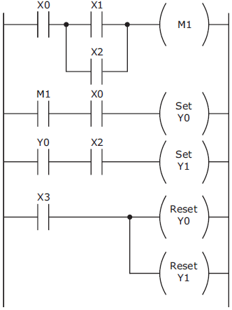
A linguagem de relés, também chamada de diagrama em escada (ladder, do inglês), é uma versão gráfica para programação de controladores lógicos programáveis (CLP). O diagrama ladder da figura a seguir utiliza quatro entradas digitais (X0, X1, X2 e X3), duas saídas digitais (Y0 e Y1) e uma função memória (M1).

Em relação ao diagrama ladder apresentado, é correto afirmar:
Provas
Para responder à questão leia o texto a seguir.
Gentileza gera gentileza
o título da coluna foi tomado emprestado dele, o próprio Gentileza. Gentileza foi um grande homem, com um grande legado e uma grande vida.
Passou a maior parte dela pregando a gentileza como um modo de existir. Depois que morreu, em 1996, velhinho, aos 79 anos, a Companhia de Limpeza Urbana do Rio cobriu seus escritos nas pilastras do viaduto do Caju com tinta cinza. Não podia ser mais simbólico. O apagamento de Gentileza gerou um movimento de reação chamado “Rio com gentileza”, que resgatou o livro urbano de Gentileza e propõe a gentileza como uma forma de estar no mundo.
É sério. Parece pouco. É muito. Faz uma enorme diferença. Quando somos maltratados em algum lugar, por alguém, isso já envenena o nosso dia. E desencadeia reações desencontradas em cadeia. Por outro lado, às vezes nem percebemos, mas a beleza de outro dia, nosso suspeito bom-humor num dia comum, começou lá atrás , quando alguém teve um gesto gentil, nos acolheu com simpatia, nos tratou bem. Seja o nosso chefe, o motorista do ônibus, o balconista da padaria. Faz bem para a vida ser tratado com gentileza. E um gesto gentil também desencadeia reações similares em cadeia. Gentileza, o profeta, tinha toda a razão quando respondia aos que o chamavam de maluco: “Maluco pra te amar, louco pra te salvar”.
Se cada um de nós fizer uma reconstituição mental do nosso dia, hoje mesmo, vai perceber que o pior dele foi causado porque não foram gentis conosco nem fomos gentis com os outros. Desde o bom dia que faltou, o por favor que não foi dito, a buzina desnecessária no trânsito, a cara fechada, o sorriso que economizamos, a ajuda que poderíamos ter dado e não demos, ou ainda a que não recebemos, o elogio que não veio, a crítica que deveria ter sido feita para somar, mas foi programada para massacrar, o veneno que escorreu da nossa boca e da dos outros. Uma soma de pequenos e desnecessários gastos de energia que só serviram para nos intoxicar.
Gentileza é o exercício cotidiano de vestir a pele do outro. É cuidar não de alguém, mas de qualquer um. Mesmo que ele não seja nosso parente, mesmo que seja um estranho. Cuidar por nada. Sem precisar de motivo. Cuidar por cuidar.
Por que algo tão essencial se tornou supérfluo? Porque gentileza não se consome, talvez. Não tem valor monetário. Não se ganha nada de material com ela. Também não custa nada.
Hoje, tratar mal as pessoas, marchar pelos corredores, fechar a cara, não dar bom dia e dizer coisas duras sem nenhum cuidado parece ser um atributo dos poderosos. Quase uma virtude. O conjunto de características que costuma cercar o poder é imediatamente incorporado pelos subordinados. Nessa lógica, há sempre alguém a quem não precisamos beneficiar, não com a nossa gentileza, porque gentileza não tem nada a ver com isso, mas a quem não precisamos beneficiar com a nossa bajulação.
Acho que ser gentil não é nada prosaico, é um ato de resistência diante de uma vida determinada por valores calculáveis: só faço tal coisa se ganhar algo em troca, seja dinheiro ou um dos muitos pequenos poderes ou um ponto a mais com quem manda. A gentileza vira essa lógica do avesso: sou gentil sem esperar nada em troca.
Gentileza não é mesmo algo que temos, é mais algo que somos. E que nos tornamos. Talvez o verdadeiro poder esteja naquele que pode dar sem esperar nada em troca. Como Gentileza.
Assim como inventaram um dia sem carro, acho que poderíamos criar um dia com gentileza. Não precisa ser uma campanha de massa, basta uma decisão interna, silenciosa, de cada um. Só para experimentar. Um dia só tentando ser gentil. Engolindo a palavra ríspida, calando a fofoca ainda no esôfago, olhando de verdade para as pessoas, escutando o que o outro tem a dizer, mesmo que não nos pareça tão interessante, sorrindo um pouco mais.
Pequenos gestos. Segurar o elevador, dar oi e dar tchau, não se atravessar na frente de ninguém nem sair correndo para ser o primeiro, ter paciência em vez de se irritar, elogiar um pouco mais, deixar passar o que não foi tão legal, mas também não foi tão grave e, quando a crítica for imprescindível, abusar da delicadeza. Um dia só, mesmo que seja apenas para experimentar algo diferente. Quem sabe o que pode acontecer?
Fonte: BRUM, E. Gentileza gera gentileza. Época, 05 out. 2009. Disponível em: http://revistaepoca.globo.com/Revista/Epoca/0,,EMI96818-15230,00-GENTILEZA+GERA+GENTILEZA.html. (Adaptado)
Considerando os dados contextuais e as ideias defendidas no texto, assinale a alternativa INCORRETA.
Provas
A transformação dos metais e das ligas metálicas em peças de uso industrial pode ser realizada por inúmeros processos. Um desses processos é a fundição, que tem como partida o metal líquido ou fundido, que é derramado no interior de uma forma, cuja cavidade é conformada de acordo com a peça que se deseja produzir. A fundição possui etapas características, tais como:
(1) confecção do molde;
(2) fusão;
(3) rebarbação;
(4) vazamento do molde;
(5) desenho da peça;
(6) confecção do modelo.
A sequência correta em que ocorrem as etapas desse processo é
Provas
A retificação é um dos processos de usinagem por abrasão que visa, basicamente, corrigir as irregularidades superficiais das peças ou dos materiais submetidos anteriormente a outras operações de fabricação ou de tratamentos térmicos. Na escolha e preparação dos rebolos, vários fatores são considerados. Associe os fatores utilizados na seleção dos rebolos na coluna à esquerda com sua descrição na coluna à direita
(1) Estrutura
(2) Grana
(3) Aglomerante
(4) Grau de dureza
( ) É a medida do poder de retenção dos grãos pelo aglomerante; um rebolo mole solta os grãos abrasivos com maior facilidade.
( ) Refere-se à porosidade de um rebolo.
( ) Permite que a ferramenta mantenha a forma e resistência.
( ) É determinada por meio de peneiramento através de peneiras sucessivas.
Assinale a sequência correta.
Provas
Caderno Container