Foram encontradas 551 questões.
O diagrama fasorial de uma máquina síncrona é mostrado na figura abaixo. A resistência de armadura foi desconsiderada.
Onde:
Ia : Corrente de armadura
V : Tensão Terminal
jXIa : queda de tensão na reatância síncrona.
Eaf : Tensão de armadura
Sobre o diagrama, analise as afirmações a seguir.
1) A máquina em questão trata-se de um motor síncrono sobre-excitado.
2) A máquina em questão trata-se de um gerador síncrono sobre-excitado.
3) O cosseno do ângulo δ é conhecido fator de potência.
4) Devido à sobre-excitação da máquina, a mesma está girando acima da velocidade síncrona.
Está(ão) correta(s), apenas:
Provas
O instrumento do mostrador ao lado está calibrado para 1000V. O valor da medida quando o ponteiro estiver no penúltimo traço antes do 200 será de:

Provas
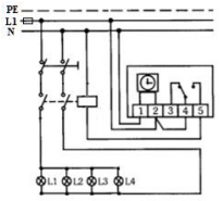
Quanto ao esquema ao lado, é correto afirmar que:

Provas
- EletrotécnicaCircuitos Elétricos em Eletricidade
- EletrotécnicaCircuitos de Corrente Contínua e de Corrente Alternada
Provas
Para o motor da placa à direita, analise as informações da tabela abaixo.

Estão corretas, apenas, as informações do(s) item(ns):
Provas
Provas
Provas
Provas
Provas
Provas
Caderno Container