Foram encontradas 551 questões.
Provas
- EletrotécnicaCircuitos Elétricos em Eletricidade
- EletrotécnicaCircuitos de Corrente Contínua e de Corrente Alternada
Uma carga trifásica equilibrada é alimentada por uma fonte simétrica, com Van=220V eficaz. Aconteceu uma falha e o condutor da fase C foi rompido, como mostra a figura abaixo.

O valor da tensão de deslocamento de neutro VNN’ é igual a:
Provas
Os dados da tabela abaixo são de uma instalação residencial.

A demanda provável dessa instalação será de:
Provas
O enunciado a seguir deve ser considerado para a questão.
Um transformador de 15kVA alimenta uma instalação elétrica com carga instalada de 8kW com fator de potência 0,8 indutivo. Acrescenta-se, então, uma carga de 5kVA com fator de potência 0,7 indutivo.
Para corrigir o fator de potência da instalação para 0,95 indutivo, é necessário instalar capacitores com potência reativa, aproximadamente, de:
Provas
- EletrotécnicaCircuitos Elétricos em Eletricidade
- EletrotécnicaCircuitos de Corrente Contínua e de Corrente Alternada
Provas
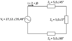
- EletrotécnicaCircuitos Elétricos em Eletricidade
- EletrotécnicaCircuitos de Corrente Contínua e de Corrente Alternada
A admitância equivalente do circuito em série abaixo é de, aproximadamente:

Provas
- EletrotécnicaCircuitos Elétricos em Eletricidade
- EletrotécnicaCircuitos de Corrente Contínua e de Corrente Alternada
Dados:

O indutor variável deve ser ajustado para que o circuito acima (RLC série) entre em ressonância. Dados: R=40,8Ω / C=8,83µF / Vfonte=70,7 sen (476t+30º)
Assinale a alternativa que corresponde, aproximadamente, ao valor do ajuste em mH.
Provas
- EletrotécnicaCircuitos Elétricos em Eletricidade
- EletrotécnicaCircuitos de Corrente Contínua e de Corrente Alternada
Para o circuito abaixo, onde Vfonte = 240 V eficaz, 60 Hz, R= 30Ω, XL= 8Ω e XC = 16Ω.

O valor em módulo da corrente i, fornecida pela fonte ao circuito, é igual a:
Provas
- EletrotécnicaCircuitos Elétricos em Eletricidade
- EletrotécnicaCircuitos de Corrente Contínua e de Corrente Alternada
Considere o sistema trifásico a quatro fios, com fonte trifásica simétrica e carga trifásica desequilibrada, mostrado na figura abaixo.

Sobre o sistema, assinale a alternativa correta.
Provas
Para medir um sinal de tensão com o auxílio do osciloscópio, um técnico conectou o sinal ao Canal 1. A configuração feita pelo técnico e a tela do osciloscópio são mostradas na figura abaixo.

Com base nos dados da figura, o valor eficaz e o valor da frequência do sinal são, respectivamente:
Provas
Caderno Container