Foram encontradas 280 questões.
A seguir são listadas transações extraídas dos registros contábeis da Zeta S.A., relativas ao primeiro trimestre de 2023:
1. Aquisição de mercadorias para revenda, no valor de $ 800, dos quais 60% foram pagos durante o próprio período
2. Aumento do capital social no valor de $ 5.000, sendo $ 2.000 em dinheiro, $ 2.500 por meio de quotas do capital social da Tau Ltda. e $ 500 por meio de incorporação de reservas de capital
3. Recebimento do montante de clientes a receber, relativo a períodos anteriores, no valor de $ 280
4. Aquisição, em meados de fevereiro, de um caminhão para entrega de mercadorias no valor de $ 1.500, cujo primeiro pagamento (de um total de 10) se dará em 60 dias
5. Amortização total de um empréstimo para o capital de giro, obtido no ano anterior, no valor de $ 700
6. Pagamento do montante de fornecedores a pagar, relativo a períodos anteriores, no valor de $ 300
7. As receitas de venda do trimestre foram $ 1.600
8. O saldo de clientes a receber em 31/03/2023 equivale a 25% do valor das receitas de vendas do trimestre
9. O estoque de mercadorias para revenda em 31/12/2022 era $ 500 e o equivalente a 60% desse valor em 31/03/2023
10. A despesa de depreciação do trimestre foi $ 250
11. Aquisição de ações do capital social da Delta S.A., empresa de capital aberto, com pagamento efetuado de $ 200
Considerando as transações apresentadas e as determinações da Norma Brasileira de Contabilidade NBC TG 03 (R3) – Demonstração dos Fluxos de Caixa, assinale a alternativa correta.
1. Aquisição de mercadorias para revenda, no valor de $ 800, dos quais 60% foram pagos durante o próprio período
2. Aumento do capital social no valor de $ 5.000, sendo $ 2.000 em dinheiro, $ 2.500 por meio de quotas do capital social da Tau Ltda. e $ 500 por meio de incorporação de reservas de capital
3. Recebimento do montante de clientes a receber, relativo a períodos anteriores, no valor de $ 280
4. Aquisição, em meados de fevereiro, de um caminhão para entrega de mercadorias no valor de $ 1.500, cujo primeiro pagamento (de um total de 10) se dará em 60 dias
5. Amortização total de um empréstimo para o capital de giro, obtido no ano anterior, no valor de $ 700
6. Pagamento do montante de fornecedores a pagar, relativo a períodos anteriores, no valor de $ 300
7. As receitas de venda do trimestre foram $ 1.600
8. O saldo de clientes a receber em 31/03/2023 equivale a 25% do valor das receitas de vendas do trimestre
9. O estoque de mercadorias para revenda em 31/12/2022 era $ 500 e o equivalente a 60% desse valor em 31/03/2023
10. A despesa de depreciação do trimestre foi $ 250
11. Aquisição de ações do capital social da Delta S.A., empresa de capital aberto, com pagamento efetuado de $ 200
Considerando as transações apresentadas e as determinações da Norma Brasileira de Contabilidade NBC TG 03 (R3) – Demonstração dos Fluxos de Caixa, assinale a alternativa correta.
Provas
Questão presente nas seguintes provas
- Sistemas MecânicosProcessos de Fabricação
- Sistemas MecânicosMetrologia (Princípios da Cotagem, Tolerâncias, Folgas e Ajustes)
Um eixo com diâmetro nominal de 50 mm deve ser montado a um furo utilizando um ajuste do tipo 50 H7s6 de acordo
com a norma NBR 6158. Sabendo que os afastamentos do furo são 0 e 25
μ
m e os afastamentos do eixo são iguais a
43
μ
m e 59
μ
m, o tipo de ajuste e os valores da montagem são:
Provas
Questão presente nas seguintes provas
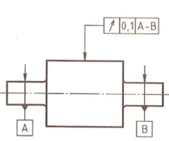
Considere a ilustração a seguir:
Fonte: Adaptado de ABNT NBR 6409:1997 - Tolerâncias geométricas.
O quadro de tolerância indica o desvio admitido para:
Provas
Questão presente nas seguintes provas
No processo de estampagem profunda, pode-se aplicar a regra aproximada a seguir: “O diâmetro do disco
desenvolvido de um corpo oco cilíndrico reto, cuja altura seja o dobro do diâmetro, é igual ao diâmetro médio mais a
altura do cilindro resultante”. Considerando essa regra, o diâmetro do disco desenvolvido de um corpo oco cilíndrico
reto feito de chapa de 2 mm com diâmetro externo 80 mm é:
Provas
Questão presente nas seguintes provas
Considere o seguinte texto:
Comando Numérico Computadorizado (CNC)
No comando numérico computadorizado (CNC) um programa é utilizado para transmitir instruções ao equipamento de produção, permitindo que ele opere de forma autônoma, sem a necessidade de intervenção do operador. Nas máquinas equipadas com CNC, o preparador da máquina ativa o programa, realiza a configuração das ferramentas e da peça, e verifica a execução da primeira peça como teste. Em seguida, o operador assume a produção em massa das peças, realizando apenas pequenos ajustes, trocando o material para novas peças e monitorando a qualidade do produto. A flexibilidade de alterar o programa torna o CNC uma tecnologia bem adequada para a produção de volumes médios e baixos, pois é bem mais simples criar novos programas do que modificar o equipamento para cada lote de peças diferentes. Com essa tecnologia, as máquinas CNC podem executar processos de fabricação de forma automatizada.
Considerando o Comando Numérico Computadorizado (CNC), assinale a alternativa correta.
Comando Numérico Computadorizado (CNC)
No comando numérico computadorizado (CNC) um programa é utilizado para transmitir instruções ao equipamento de produção, permitindo que ele opere de forma autônoma, sem a necessidade de intervenção do operador. Nas máquinas equipadas com CNC, o preparador da máquina ativa o programa, realiza a configuração das ferramentas e da peça, e verifica a execução da primeira peça como teste. Em seguida, o operador assume a produção em massa das peças, realizando apenas pequenos ajustes, trocando o material para novas peças e monitorando a qualidade do produto. A flexibilidade de alterar o programa torna o CNC uma tecnologia bem adequada para a produção de volumes médios e baixos, pois é bem mais simples criar novos programas do que modificar o equipamento para cada lote de peças diferentes. Com essa tecnologia, as máquinas CNC podem executar processos de fabricação de forma automatizada.
Considerando o Comando Numérico Computadorizado (CNC), assinale a alternativa correta.
Provas
Questão presente nas seguintes provas
- Materiais de Construção MecânicaEnsaios Mecânicos e Tratamentos Térmicos
- Sistemas MecânicosProcessos de Fabricação
Os processos de usinagem são extensamente utilizados na indústria metal mecânica. É possível usinar peças em
vários materiais com diversas formas e tamanhos, com o intuito de atender às demandas de projeto. Para isso, pode
ser realizada uma diversidade de operações de usinagem com o uso de ferramentas manuais e também com o uso de
máquinas. Acerca das operações de usinagem, assinale a alternativa correta.
Provas
Questão presente nas seguintes provas
No reparo de uma peça, foram utilizadas duas brocas helicoidais. Para a primeira broca, de diâmetro 5 mm, a furadeira
foi regulada com 1200 rpm. Para a segunda broca, de diâmetro 8 mm, a furadeira foi regulada com 1000 rpm.
Considerando as informações apresentadas, assinale a alternativa correta.
Provas
Questão presente nas seguintes provas
Considere a execução de um torneamento cilíndrico no diâmetro de 50 mm em uma peça de aço carbono SAE1045
com ferramenta de metal duro. A velocidade de corte deve ser de 100 m/min, com profundidade de corte 2,0 mm e
avanço 0,2 mm/rot. Considere para cálculo a constante Pi = 3,14 e comprimento de usinagem 45 mm. Com base nas
informações apresentadas, assinale a alternativa correta.
Provas
Questão presente nas seguintes provas
Considere o seguinte texto:
Descrição do processo MIG/MAG
MIG/MAG é um processo de soldagem que utiliza a fonte de calor de um arco elétrico mantido entre a extremidade de um arame nu consumível, alimentado continuamente, e a peça a soldar. Esse arco elétrico produz o calor necessário para fundir o arame e a peça, permitindo a união das duas partes. A proteção da região de solda é feita por uma atmosfera protetora de gás inerte (comercialmente, Ar e He) ou ativa (usualmente CO2) ou mistura deles (no caso, incluindo como gás ativo o O2 e N2). A nomenclatura MIG/MAG é um acrograma advindo do inglês, onde MIG representa Metal Inert Gas (proteção por um gás, ou mistura, inerte) e MAG, Metal Active Gas (mistura de um ou mais dos gases ativos com gases inertes ou o CO2 puro). Por ser esta nomenclatura algumas vezes inconsistente, normalmente se referencia o processo como MIG/MAG ou por uma outra sigla adotada pela American Welding Society, a saber GMAW, que significa Gas Metal Arc Welding. Estas duas nomenclaturas abrangem o uso de qualquer tipo de gás de proteção.
Considerando as informações apresentadas sobre o processo MIG/MAG, assinale a alternativa correta.
Descrição do processo MIG/MAG
MIG/MAG é um processo de soldagem que utiliza a fonte de calor de um arco elétrico mantido entre a extremidade de um arame nu consumível, alimentado continuamente, e a peça a soldar. Esse arco elétrico produz o calor necessário para fundir o arame e a peça, permitindo a união das duas partes. A proteção da região de solda é feita por uma atmosfera protetora de gás inerte (comercialmente, Ar e He) ou ativa (usualmente CO2) ou mistura deles (no caso, incluindo como gás ativo o O2 e N2). A nomenclatura MIG/MAG é um acrograma advindo do inglês, onde MIG representa Metal Inert Gas (proteção por um gás, ou mistura, inerte) e MAG, Metal Active Gas (mistura de um ou mais dos gases ativos com gases inertes ou o CO2 puro). Por ser esta nomenclatura algumas vezes inconsistente, normalmente se referencia o processo como MIG/MAG ou por uma outra sigla adotada pela American Welding Society, a saber GMAW, que significa Gas Metal Arc Welding. Estas duas nomenclaturas abrangem o uso de qualquer tipo de gás de proteção.
Considerando as informações apresentadas sobre o processo MIG/MAG, assinale a alternativa correta.
Provas
Questão presente nas seguintes provas
Uma das atribuições fundamentais de um engenheiro civil de obras ou engenheiro civil fiscal de obras é conhecer
corretamente as exigências e requisitos da edificação para situações de emergência. A norma atualmente em vigor
que trata destas questões é a ABNT NBR 9077/2001: Saídas de emergência em edifícios. De acordo com as premissas
desta norma é correto afirmar:
Provas
Questão presente nas seguintes provas
Cadernos
Caderno Container