Foram encontradas 715 questões.
Peças cerâmicas fizeram parte de quase todos os momentos da vida cotidiana e do cerimonial de vários grupos humanos que habitaram o Brasil, sendo, por isso, uma fonte imprescindível de informações sobre o estagio tecnológico de produção cerâmica.
Neste contexto, analise a questão a seguir.
É necessário identificar os elementos da cerâmica produzida, com o propósito de constatarmos se há diferenças técnicas entre as Cerâmicas Cotidianas e as Cerâmicas Cerimoniais ou Rituais de cada sítio arqueológico.
Assinale a seguir a alternativa correta quanto aos elementos da cerâmica.
Provas
Questão presente nas seguintes provas
Dados para auxiliar a resolução da questão seguinte.
| !$ \theta !$ | !$ \mathsf{sen\theta} !$ | !$ \mathsf{cos\theta} !$ |
| !$ 0^\circ !$ | !$ 0 !$ | !$ 1 !$ |
| !$ 30^\circ !$ | !$ 1/2 !$ | !$ \sqrt{3}/2 !$ |
| !$ 45^\circ !$ | !$ \sqrt{2}/2 !$ | !$ \sqrt{2}/2 !$ |
| !$ 60^\circ !$ | !$ \sqrt{3}/2 !$ | !$ 1/2 !$ |
| !$ 90^\circ !$ | !$ 1 !$ | !$ 0 !$ |
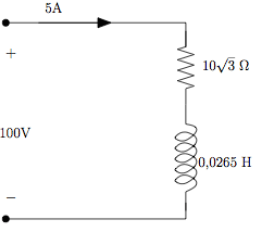
Dado o circuito, e sabendo que a frequência da fonte é de 377 rad/s, determine o ângulo de fator de potência.

Provas
Questão presente nas seguintes provas
Quanto ao processo de fabricação da cal a ser utilizada em argamassas, e quanto aos benefícios dela decorrentes, é incorreto afirmar que:
Provas
Questão presente nas seguintes provas
A placenta humana:
Provas
Questão presente nas seguintes provas
TEXTO
A linguagem em movimento
Uma sociedade em permanente mudança, que cria a todo instante novos conceitos, novas necessidades e novos objetos de consumo, precisa ter também uma linguagem dinâmica, que acompanhe as transformações.
Assim, sempre que for necessário um nome para designar uma ideia ou um objeto novo, o falante de uma língua poderá formar uma palavra nova. Para isso, os recursos de que dispõe são obtidos a partir de elementos já existentes (os neologismos), da importação de termos de uma língua estrangeira (os estrangeirismos) ou da alteração do significado de uma palavra já existente (as ressignificações). Os avanços na área da informática nos últimos tempos, por exemplo, acabaram por incorporar à língua portuguesa inúmeros termos novos.
Independentemente de o falante de uma língua ter ou não conhecimento desses processos, eles existem na língua e são responsáveis pela constante criação e recriação de seu léxico, ou seja, de seu acervo de palavras.
Num mundo em constante transformação, com objetos e conceitos novos que surgem a cada dia, sobretudo, no campo da tecnologia e da ciência, a língua igualmente se transforma, se recria constantemente, adaptando-se às novas necessidades de comunicação.
Conhecer os vários processos de formação de palavras nos habilita a utilizá-los de forma mais eficiente e criativa, sempre que as situações de interação o exigirem.
(William R. Cereja; Thereza C. Magalhães. Gramática Reflexiva. São Paulo. Atual Editora, 1999, p. 86-94. Adaptado).
A concepção de linguagem apresentada no Texto põe em destaque:
Provas
Questão presente nas seguintes provas
As pesquisas arqueológicas referentes ao material lítico visam fornecer informações sobre os níveis tecnológicos dos grupos que os confeccionavam e de que forma eram utilizados os artefatos. Na classificação das características dos instrumentos e seus tipos correspondentes, deve-se levar em conta:
Provas
Questão presente nas seguintes provas
A presença de corpos fumagoides, no exame direto com KOH a 10% da secreção de uma lesão cutânea, faz o diagnóstico de:
Provas
Questão presente nas seguintes provas
No conjunto de itens da composição dos encargos sociais para o cálculo do custo da mão de obra de mensalistas no orçamento de obras, quais dos seguintes itens não estão incluídos?
Provas
Questão presente nas seguintes provas
Paciente do sexo masculino com 45 anos de idade, alcoólatra, foi atendido com quadro cutâneo compatível com escabiose. O exame direto das lesões revelou presença de Sarcoptes scabiei. Nesse caso, a droga que não deve ser utilizada é:
Provas
Questão presente nas seguintes provas
Qual dos seguintes tipos de sondagem representa a ferramenta de investigação do subsolo que, associada ao ensaio de penetração padronizado (SPT), mede a resistência do solo?
Provas
Questão presente nas seguintes provas
Cadernos
Caderno Container