Foram encontradas 60 questões.
Tempos modernos ?
O que acontece quando uma pessoa que vive à caça da informação em tempo real, cidadã de Nova York, se vê completamente desconectada, presa entre dunas do maior deserto do mundo?
O Sahara talvez seja como a própria tristeza: aqui não há começo nem fim. Não se sabe onde nasce o céu ou onde morre o horizonte. E para mim, que moro em Manhattan, aquela ilha apertada, com começo, meio, fim e gente, muita gente, passar uma noite aqui, nesta imensidão, é como pousar na Lua. No deserto, quem manda é o silêncio. Ele nos cala. E é ele que nos faz sentir o quão longe estamos de tudo o que conhecemos e o quão perto estamos do que somos. [...].
Sahara, em árabe, quer dizer deserto. Aqui, sente-se a vida mais longa, estirada – e as noites mais curtas. Imponentes e magistrais, as dunas nos intimidam. São gigantes de areia cujo tamanho não conseguimos decifrar. Dizem, porém, que algumas chegam a 159 metros de altura. [...].
Esta vastidão faz parte de poemas, lendas e batalhas dos tuaregs, povos tribais que até hoje fazem daqui a sua terra. É impressionante como eles sabem onde é norte, sul, e como calculam as distâncias, guiando-se pelas estrelas. É como se, para eles, tudo fosse sinalizado, como se houvesse placas por todos os lados neste mar de areia. [...] Nesta noite, aqui no deserto, celebro dez anos do dia em que cheguei a Nova York. Dez anos. O tempo voou e eu nem percebi. Agora, ele está congelado, petrificado. Ironicamente, foi preciso um deserto para tamanha façanha.
(MENAI, T. Trip. Ano 19, n.º 140.)
Na composição de um texto, as figuras de linguagem são recursos estilísticos muito importantes. Sobre figuras presentes nesse texto, assinale a alternativa que apresenta correta correlação entre a figura dada e o trecho do texto.
Provas
Questão presente nas seguintes provas
1733364
Ano: 2017
Disciplina: TI - Organização e Arquitetura dos Computadores
Banca: UFMT
Orgão: UFMT
Disciplina: TI - Organização e Arquitetura dos Computadores
Banca: UFMT
Orgão: UFMT
Provas:
Qual componente NÃO faz parte da Unidade Central de Processamento (CPU)?
Provas
Questão presente nas seguintes provas
INSTRUÇÃO: Observe o circuito resistivo a seguir e responda à questão.

Assinale a alternativa que apresenta o valor da potência entregue pela fonte.
Provas
Questão presente nas seguintes provas
- Gerenciamento de ProcessosEscalonamento de ProcessosAlgoritmo FCFS
- Gerenciamento de ProcessosEscalonamento de ProcessosAlgoritmo Round-Robin
Sobre Sistemas Operacionais, qual dos escalonadores de processos emprega um algoritmo FIFO (First In First Out) associado ao tempo de utilização do processador?
Provas
Questão presente nas seguintes provas
Tempos modernos ?
O que acontece quando uma pessoa que vive à caça da informação em tempo real, cidadã de Nova York, se vê completamente desconectada, presa entre dunas do maior deserto do mundo?
O Sahara talvez seja como a própria tristeza: aqui não há começo nem fim. Não se sabe onde nasce o céu ou onde morre o horizonte. E para mim, que moro em Manhattan, aquela ilha apertada, com começo, meio, fim e gente, muita gente, passar uma noite aqui, nesta imensidão, é como pousar na Lua. No deserto, quem manda é o silêncio. Ele nos cala. E é ele que nos faz sentir o quão longe estamos de tudo o que conhecemos e o quão perto estamos do que somos. [...].
Sahara, em árabe, quer dizer deserto. Aqui, sente-se a vida mais longa, estirada – e as noites mais curtas. Imponentes e magistrais, as dunas nos intimidam. São gigantes de areia cujo tamanho não conseguimos decifrar. Dizem, porém, que algumas chegam a 159 metros de altura. [...].
Esta vastidão faz parte de poemas, lendas e batalhas dos tuaregs, povos tribais que até hoje fazem daqui a sua terra. É impressionante como eles sabem onde é norte, sul, e como calculam as distâncias, guiando-se pelas estrelas. É como se, para eles, tudo fosse sinalizado, como se houvesse placas por todos os lados neste mar de areia. [...] Nesta noite, aqui no deserto, celebro dez anos do dia em que cheguei a Nova York. Dez anos. O tempo voou e eu nem percebi. Agora, ele está congelado, petrificado. Ironicamente, foi preciso um deserto para tamanha façanha.
(MENAI, T. Trip. Ano 19, n.º 140.)
A respeito do texto, marque V para as afirmativas verdadeiras e F para as falsas.
( ) O trecho pessoa que vive à caça da informação em tempo real corrobora com a ideia de a autora do texto ser jornalista.
( ) Para esse texto, a autora escolheu uma linguagem intimista, com descrições objetivas e informações precisas sobre o Sahara.
( ) A predominância de frases curtas revela o tom informativo do texto, o caráter científico na apresentação do maior deserto do mundo.
( ) O termo Ironicamente, na frase final do texto, justifica-se, pois o ambiente desértico propiciou reflexões a quem vive em ambiente de agitação.
Assinale a sequência correta.
Provas
Questão presente nas seguintes provas
Acerca da Metodologia Scrum de desenvolvimento de software, considere as afirmativas.
I - O papel denominado Product Owner é atribuído ao profissional responsável por manter a aplicação das práticas Scrum pela equipe.
II - O papel denominado Scrum Master é atribuído ao profissional responsável por gerenciar as atividades repassadas pelo Product Owner.
III - Um Sprint é uma lista de tarefas que, quando completadas, indica que o produto está finalizado.
IV - O Product Backlog é uma lista de funcionalidades que devem ser organizadas por prioridade.
V - O gráfico Burndown apresenta uma visão de como as funcionalidades planejadas estão sendo executadas no decorrer do tempo do projeto.
Estão corretas as afirmativas
Provas
Questão presente nas seguintes provas
Em relação ao modelo Open System Interconnection (OSI), é correto afirmar:
Provas
Questão presente nas seguintes provas
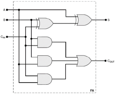
Considere o circuito digital que utiliza portas lógicas.

O circuito digital refere-se a um
Provas
Questão presente nas seguintes provas
INSTRUÇÃO: O trecho a seguir traz os dois primeiros parágrafos do artigo de J. R. Guzzo, colunista da revista Veja, intitulado Artigo de imitação. Leia o trecho e responda à questão.
A democracia no Brasil lembra uma dessas fotografias antigas de reis africanos que de vez em quando ilustram livros de história. Muitos deles, ouvindo oficiais do Império Britânico ou outros figurões europeus da época colonial que lhes davam lições de civilização, progresso e bons modos, parecem encantados. Acreditavam, como lhes era dito, que a Europa e as coisas europeias representavam o máximo a ser sonhado por um ser humano – e em geral chegavam à conclusão de que teriam muito a ganhar transformando a si próprios em soberanos civilizados o mais depressa possível. O meio prático de fazer isso, em sua maneira de ver as coisas, era imitar os trajes, jeitos e enfeites dos peixes graúdos que lhes falavam das maravilhas da rainha Vitória ou do imperador Napoleão III. Que atalho melhor para atingir esse estágio superior na evolução das sociedades humanas? O resultado aparece nas fotografias. As mais clássicas mostram uns negros magros, ou gordíssimos, com uma cartola de segunda mão na cabeça, ou um desses capacetes de caçador inglês, calças rasgadas aqui e ali, pés descalços – ou calçados com uma bota só, velha e sem graxa. Uns aparecem com casacas usadas, uma fileira de medalhas no peito e três ou quatro relógios saindo dos bolsos. Outros fazem questão de exibir-se para a câmera segurando um guarda-chuva aberto. É triste. Imaginavam-se nobres, modernos e iguais aos seus pares europeus. Eram apenas uns pobres coitados.
O problema é que nada tinha mudado na vida real. Junto com as novas roupas e os acessórios, as fotos mostram que os retratados conservavam, como sempre, seus colares com ossos, pulseiras de metal e argolas nas orelhas ou no nariz – e a história iria provar com fatos, em seguida, quanto foi inútil todo esse esforço de imitação. Das nações mais evoluídas, suas majestades copiavam os trajes. Não aprenderam as virtudes. Continuaram desgraçando a si e a seu país enquanto eram roubados até o último papagaio pelos que vieram ensiná-los a ter valores cristãos, avançados e democráticos.
(Revista Veja, ed. 2542.)
Por ser um artigo de opinião, os argumentos podem apresentar subjetividade de modo a propiciar reflexão favorável ao enfoque do autor. Assinale o fragmento que NÃO mostra subjetividade do autor.
Provas
Questão presente nas seguintes provas
São atributos da linguagem PHP:
Provas
Questão presente nas seguintes provas
Cadernos
Caderno Container