Foram encontradas 65 questões.
Em termos de segurança de redes, a ferramenta denominada Hids foi desenvolvida para:
Provas
De acordo com a NR-15, Anexo XIV, as atividades que envolvem exposição permanente a agentes biológicos terão direito à insalubridade de grau máximo, dentre outras atividades, aqueles que trabalham:
Provas
A União poderá explorar o serviço de radiodifusão de sons e imagens em tecnologia digital, observadas as normas de operação compartilhada a serem fixadas pelo Ministério das Comunicações, dentre outros, para transmissão:
Provas
Considere a tabela da verdade abaixo.
A B C | S |
0 0 0 0 0 1 0 1 0 0 1 1 1 0 0 1 0 1 1 1 0 1 1 1 | 1 0 1 0 1 1 1 0 |
A expressão que executa a tabela acima é:
Provas
Segundo a Lei 8666/1993, o valor máximo vigente da contratação para obras e serviços de engenharia por dispensa de licitação, desde que não se refira à parcela de uma mesma obra ou serviço ou ainda para obras e serviços da mesma natureza e no mesmo local que possam ser realizadas conjunta e concomitantemente, NÃO deve exceder a:
Provas
A NR-18 estabelece requisitos para plataforma de trabalho com sistema de movimentação vertical em pinhão e cremalheira e plataformas hidráulicas. Com relação à ancoragem da torre, esta é obrigatória quando a altura for superior a:
Provas
O avanço da eletrônica de potência permitiu o desenvolvimento de conversores de frequência com dispositivos de estado sólido. Inicialmente com tiristores e atualmente com transistores, mas especificamente o:
Provas
A figura abaixo representa um condutor coaxial de raios a e b.

A expressão que determina a indutância por unidade de comprimento do condutor acima é:
Provas
Observe a planilha abaixo.
A | B | C | D | E | G | H | I | |
1 | ||||||||
2 | PREÇO UNITÁRIO | PREÇO PROPOSTO (R$) | ||||||
3 | ITEM | DESCRIÇÃO DO ITEM | UNID. | QUANT. | UNITÁRIO | SERVIÇO | TOTAL | |
4 | 1 | SUBESTAÇÃO | ||||||
5 | 1.1 | ESCAVAÇÃO MANUAL DE VALA | M3 | 23,40 | R$ 82,04 | 82,04 | 1.919,74 | |
6 | 1.2 | ELETRODUTO RÍGIDO ROSCÁVEL, PVC, DN 100 MM | M | 30,00 | R$ 46,46 | 46,46 | 1.393,80 | |
7 | 1.3 | ATERRO COM AREIA COM ADENSAMENTO | M2 | 1,00 | R$ 79,93 | 79,93 | 79,93 | |
8 | 1.4 | RECOMPOSICAO DE PAVIMENTACAO | M2 | 30,00 | R$ 18,98 | 18,98 | 569,40 | |
9 | 1.5 | PISO EM CONCRETO 20 MPA | M2 | 30,00 | R$ 48,17 | 48,17 | 1.445,10 | |
10 | 1.6 | DISJUNTOR TERMOMAGNETICO TRIPOLAR EM CAIXA MOLDADA 175 A 225A 240V | UN | 2,00 | R$ 540,59 | 540,59 | 1.081,18 | |
11 | 1.7 | CABO DE COBRE FLEXÍVEL ISOLADO, 95 MM2, ANTI-CHAMA 0,6/1,0 KV, PARA DISTRIBUIÇÃO | M | 90,00 | R$ 57,77 | 57,77 | 5.199,30 | |
12 | 1.8 | CABO DE COBRE FLEXÍVEL ISOLADO, 70 MM2, ANTI-CHAMA 450/750 V, PARA DISTRIBUIÇÃO | M | 30,00 | R$ 44,39 | 44,39 | 1.331,70 | |
13 | 1.9 | CABO DE COBRE FLEXÍVEL ISOLADO, 35 MM2, ANTI-CHAMA 450/750 V, PARA DISTRIBUIÇÃO | M | 30,00 | R$ 22,56 | 22,56 | 676,80 | |
Para que a célula assinalada l11 apresente a soma do maior e do menor valor dos preços unitários dos condutores, a fórmula que deverá ser digitada na mesma célula é:
Provas
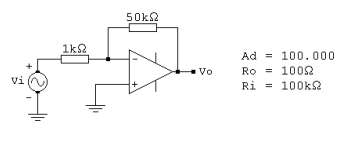
Observe o circuito abaixo.

Assim sendo, o valor da impedância de saída vale:
Provas
Caderno Container