Foram encontradas 65 questões.
Conforme preconiza a NR-10, devem constituir e manter o Prontuário de Instalações Elétricas os estabelecimentos com carga instalada superior a:
Provas
O dispositivo lógico programável que possui uma arquitetura baseada em blocos lógicos configuráveis, chamados de CLB (Configuration Logical Blocks), formados por portas lógicas e flipflops que implementam funções lógicas, é denominado:
Provas
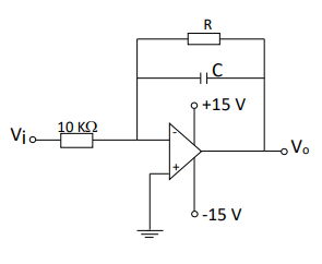
No circuito a seguir:

Admitir: C= 796 pF, AVf = -10.
Nesses termos, a frequência de corte vale:
Provas
Ao escrever um texto em HTML, a formatação não é interpretada, ou seja, é preciso incluir comandos de quebra de linha, parágrafo e de texto pré-formatado. Nesse sentido, o comando <br>:
Provas
Sobre os métodos de disparos do SCR, aquele que provoca um aumento das correntes ICBO1 e ICBO2, com o qual possibilita o estabelecimento da realimentação, de modo que o produto β1. β2 tenda à unidade e leve o SCR ao estado de condução, é denominado disparo por:
Provas
O princípio da demodulação do sinal AM-SSB é de simplesmente submeter o sinal modulado a uma:
Provas
O protocolo TCP/IP foi criado visando atender a necessidade de endereçamentos e de interconexão de redes. Nesse sentido, analise as afirmativas abaixo.
I O número máximo de blocos de dados do TCP enviados na sequência, sem esperar a confirmação de recepção da outra porta, é chamado de “tamanho da janela”.
II O número de sequência do bloco TCP é gerado pela soma dos bytes transmitidos.
III Os blocos(datagramas) podem ser enviados por rotas diferentes e fora de ordem, sendo sequenciados e confirmados no destino.
Das afirmativas acima:
Provas
Analise o circuito abaixo.

Dados:
Vce = 0,5
Vcc Vbe = 0,7 V
β=100
Considerando que a potência máxima dissipada entre o coletor e o emissor vale 480 mW, os valores de Rb e Rc, em Ω, valem respectivamente:
Provas
Analise o ícone abaixo referente ao AutoCAD.
![]()
Tal símbolo se refere ao comando:
Provas
Sobre o TRIAC, analise as afirmativas abaixo.
I Pode ser utilizado para controle de fase de tensão alternada.
II Conduz corrente em ambos os sentidos.
III Em cada semiciclo deve ser aplicada tensão no gatilho no instante em que o disparo for desejado.
Das afirmativas acima:
Provas
Caderno Container